jcduroc
|
| posted on 16/2/04 at 11:27 PM |
|
|
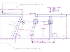
Front Suspension Brackets
Is it my inhability with Autocad R14 or following the dimensions for positioning the brackets leads to a very odd top one?
João
  Rescued attachment FrtSuspBrackets.jpg
JCM
|
|
|
|
|
flak monkey
|
| posted on 16/2/04 at 11:46 PM |
|
|
If you are comparing to the ones in tho book then when you draw it on CAD all of the dimensions will be different. It all depends on what you take as
your baseline.
Heres my version of it (sorry if the image is huge!)
The brackets are the GTS tuning ones not the book ones . And sorry for the stupid accuracy on the dimensions...like to see you make it taht accurate
tho
The Top wishbone brackets have also been moved and the wishbones are designed to keep the 5.3 degree castor angle.
Cheers
[Edited on 16/2/04 by flak monkey]
[Edited on 17/2/04 by flak monkey]
  Rescued attachment Front Suspension Mounting Braket Positions.jpg
Sera
http://www.motosera.com
|
|
|
jcduroc
|
| posted on 17/2/04 at 12:06 AM |
|
|
quote: Originally posted by flak monkey
If you are comparing to the ones in tho book then when you draw it on CAD all of the dimensions will be different. It all depends on what you take as
your baseline.
Cheers
Thanks David
I see it has to do with the fact that I followed the dimensions in mm; there are sligth differences!...
João
JCM
|
|
|
flak monkey
|
| posted on 17/2/04 at 12:09 AM |
|
|
The conversions between mm and inches in the book are not accurate! So you have to stick to one or the other in your build
Glad to help
Sera
http://www.motosera.com
|
|
|
200mph
|
| posted on 17/2/04 at 06:10 PM |
|
|
ahhh, that explains me scratching my head for several hours at various absurd times of the day trying to work out why I have a 2 mm gap when
everything seemed to be emasured accurately. I would have thought good ol' RC would have done his homework....but then again so should I.
The drawings are very handy by the way, thanks for the posts!.
Cheers
Mark
|
|
|
MikeP
|
| posted on 17/2/04 at 06:39 PM |
|
|
Wasn't Ron's original design to have a castor of 5'30", which is 5.5 degrees rather than 5.3? Not that I think it makes a
huge difference - I've seen both used but I built assuming 5.5.
|
|
|
flak monkey
|
| posted on 17/2/04 at 06:47 PM |
|
|
It definately says 5.3 degrees in my book (Edition 2) (you had me worried there for a minute) not that .2 degrees will make a huge amount of
difference.
Cheers
Sera
http://www.motosera.com
|
|
|
MikeP
|
| posted on 18/2/04 at 04:23 AM |
|
|
Well that's not fair, now I'm worried instead . Thinking way, way back, I remember now - reading 5.30, I thought: who would use such
an odd number for caster? So I assumed he must have meant 5d30'. Not having access to a book donor to check, I to designed mine to use that.
I don't think I'll worry, even Ron says +/- 0.3d in the book. At least now I know why I see 5.30 everywhere...
|
|
|
jcduroc
|
| posted on 18/2/04 at 02:02 PM |
|
|
quote: Originally posted by flak monkey
It definately says 5.3 degrees in my book (Edition 2) (you had me worried there for a minute) not that .2 degrees will make a huge amount of
difference.
Cheers
That was also my doubt: 5.3 as 5º30' or 5º18' (which is 5+0.3x60); I used 5º18' in my calculations.
João
JCM
|
|
|
flak monkey
|
| posted on 18/2/04 at 02:21 PM |
|
|
Like i say, i doubt +/-0.2 degrees will make much difference, though it will change the positions of the brackets by a few millimetres!
Even Ron says the position can be +/- 0.3 degrees (even though his design gives nowhere near 5.3!!!)
Cheers
Sera
http://www.motosera.com
|
|
|
MikeP
|
| posted on 18/2/04 at 05:38 PM |
|
|
IIRC (it was quite some time ago, 1st edition), it was Ron's strange notation - 5.30, that got me thinking. I mean really, who could build
castor to 2 decimal digits of precision? I was already suspicious from the other book errors, and when I looked up standard castor settings for other
cars they were all given to the nearest 1/2degree (or 30' .
Knowing I couldn't achieve the 12 digits of precision in my build that Dave clearly has planned in his (from his drawing) , I went with 5
1/2 degrees.
When I had a look at my book last night I noticed that he says you could add as much as 30 degrees of camber - but it might wear the tires a bit.
LOL, no kidding . I think he meant to say 3 degrees - surely you couldn't dial in 30 degrees without some very custom a-arms and a
completely different shock arrangement...
In all fairness to Ron and his book errors, I suspect there was more than one hand in the drawings, text and proof reading.
|
|
|
Bob C
|
| posted on 19/2/04 at 07:03 PM |
|
|
I posted a question about this a short while ago - my theory is that the book gives exactly half the castor it thinks it's giving - I moved my
lower mounts 10mm forward in the light of a number of posts saying the self centring on the steering was an SVA fail, that way I can stick with book
top wishbones.
Cheers
Bob
|
|
|
dozracing
|
| posted on 19/2/04 at 11:22 PM |
|
|
Hi all,
I have spent the day 3D Cad modelling all the suspension on our Locost GTS kit, as i have been playing with some components to make them lighter and
prettier etc..
I have now got a drawing available (PDF format if you want it electronically) of the bracket locations.
Basically to get 5.30 degrees of castor on a Sierra upright, you need a symmetrical lower wishbone (no offset in the balljoint position), the top
wishbone needs a 19mm rearwards offset from centreline, and its mounting brackets should be be centralised between the lower brackets in the side
view. This is for use with a concentric mushroom adaptor (available from me cheaper than anyone else!! www.gtstuning.co.uk)
Obviously this setup is for use with my suspension brackets and wishbones etc...
Kind regards,
Darren
|
PLEASE NOTE: This user is a trader who has not signed up for the LocostBuilders registration scheme. If this post is advertising a commercial product or service, please report it by clicking here.
|
britishtrident
|
| posted on 13/3/04 at 08:15 AM |
|
|
The most important thing is you have enough castor and exactly the same ammount both sides.
Exact postioning of top pivot depends on wishbone design --- MK offset the ball joint by a few mm towards the rear of the wishbone centre line to
give more castor. It also allows the castor to be quickly altered just by flipping the wishbone over, also make the top brackets slightly wider to
allow for fine adjustment using spacers/packing washers.
Castor and king pin inclination are closely related but as the only way to adjust the king pin inclination is to alter the camber you may find that
using a lot of caster requires a bit more negative camber when the wheels are in the straight ahead position.
|
|
|
JoelP
|
| posted on 13/3/04 at 11:41 AM |
|
|
quote: Originally posted by britishtrident
MK offset the ball joint by a few mm towards the rear of the wishbone centre line to give more castor. It also allows the castor to be quickly
altered just by flipping the wishbone over
not so im afraid, the thread at the end points up to aim the upper balljoint at the hub. upside down it doesnt have enough travel, plus it would alter
the castor FAR too much. This was mentioned before after a previous post by you. the best way to alter drag on the wheel (effective castor) is to
rotate the mushroom insert in the hub. the specific castor angle wont change but the wheel will get more drag and hence more self centering.
the washer idea is all good though.
|
|
|
JoelP
|
| posted on 13/3/04 at 11:43 AM |
|
|
quote: Originally posted by britishtrident
Castor and king pin inclination are closely related but as the only way to adjust the king pin inclination is to alter the camber you may find that
using a lot of caster requires a bit more negative camber when the wheels are in the straight ahead position.
plus, the mushroom insert will seperate kingpin angle from camber, by leaving the wheel position unchanged but moving the kingpin angle. you would
have to screw the transit rod end in or out to maintain the camber angle.
|
|
|
Bob C
|
| posted on 14/3/04 at 12:07 PM |
|
|
mushroom insert? is that the piece welded to the top of the upright so you can use a normal upper balljoint? If so you can do what you like with it -
the castor angle won't change - the castor angle is angle between perpendicular and a line between the pivots, and these are set by the
wishbones.
OK shoot me down in flames........
Cheers
Bob
PS OK thought about this a bit more - on a real castor (like you get under an office chair) the castor ANGLE is 0 but you get a castor effect because
the steering axis as physically in front of the wheel. Moving the mushroom could give this effect, a bit! Now I have to work out why car manufacturers
don't ever do this....
|
|
|
Mark Allanson
|
| posted on 14/3/04 at 08:11 PM |
|
|
Bob,
The mushroom is not welded into the knuckle, it is clamped just like the original suspension strut. The tapered hole is machined in offset so if you
rotate the mushroom, you can effectively alter the castor, but this will also alter the KPI and camber at the same time.
If you can keep you head, whilst all others around you are losing theirs, you are not fully aware of the situation
|
|
|
JoelP
|
| posted on 14/3/04 at 08:35 PM |
|
|
quote: Originally posted by Bob C
PS OK thought about this a bit more - on a real castor (like you get under an office chair) the castor ANGLE is 0 but you get a castor effect because
the steering axis as physically in front of the wheel. Moving the mushroom could give this effect, a bit! Now I have to work out why car manufacturers
don't ever do this....
this is what i mean by 'drag' basically, where the center of the wheels rotation (axis) is behind the line between upper and lower ball
joints. you have it on the head about the castor angle not changing, but drag can result in self centering.
i posted something like this a while ago, saying that rotating the insert wouldnt change castor, and i believe it was alan b who pointed out that drag
would change and hence contribute to self centering.
|
|
|