ChrisW
|
| posted on 21/3/02 at 02:36 PM |
|
|
Transit track rod ends
Does anyone know if there is more than one type of Transit track rod end (ie top ball joint for Locost)?
Reason I ask - I've just bought a pair of threaded tubes from LoLocost but they don't fit the track rod ends I have. Have I bought the wrong track
rod ends or have LoLo sent me the wrong tubes?
Chris
|
|
|
|
|
bob
|
posted on 21/3/02 at 04:21 PM |
|
|
Chris
Sorry mate,i,ve only recently been told its an inacurate part of the book.
I did wonder why my MK top wishbones had a smaller thread,thought it was just an MK thing.
People have been able to get threaded tube for the larger tranny track rod end,but if you have trouble i'll buy them back off you.
I need a nice paper weight!!!
The ball joint lolocost sell to fit is a transit drag link end,at £8 a pair they are as cheap as chips
|
|
|
ChrisW
|
| posted on 21/3/02 at 04:38 PM |
|
|
Thanks Bob - no problem about the track rod ends. For a fiver I can't complain!
What do I need to ask for then? A pair of drag link ends?? What exactly are they?
Chris
|
|
|
bob
|
posted on 21/3/02 at 04:45 PM |
|
|
I dont think you will find a better price than the lolocost ones at £8.
Its called a drag link end,it is from a transit so if you pop into your local motorfactors with the threaded tube you can check it out.
|
|
|
ChrisW
|
| posted on 22/3/02 at 11:49 AM |
|
|
Problem with Lolo is they want £20 minimum before they'll do mail order unless you send a cheque, which is ridiculous for any company, especially one
that has their catalogue and pricelist online. Who uses cheques anymore? I don't even have a cheque book!
Anyway, I'll go down my local motor factors - I'm sure they'll be able to help me out.
Chris
|
|
|
James
|
| posted on 25/3/02 at 11:25 AM |
|
|
Other than the thread diameter, is there actually any difference between drag link ends and track rod ends?
Is one stronger or set up to be used at an angle (as the MK ones appear to be) or anything?
James
|
|
|
nik
|
| posted on 25/3/02 at 03:50 PM |
|
|
Bob, can you describe in a little more detail what is wrong in the book? I haven't started building yet so I didn't get it. Is it the thread in the
wishbones that should be smaller or have I misunderstood you?
Best regards,
|
|
|
Dunc
|
| posted on 25/3/02 at 04:50 PM |
|
|
I've got a couple of the track rod ends specified in the book, TA298, ( I think it was from a '68 Transit, how much would £250 get you then?) It has
an M18 fine thread (1.25 pitch from memory) The MK ones are probably at an angle because of the angle of the upper wishbone as the movement of the
ball jopint is only about 18° either way from the normal.
|
|
|
bigdaddyadd
|
| posted on 25/3/02 at 07:28 PM |
|
|
I have a tap for m18 fine which is 1.5 pitch I hope this is correct and that a finer thread is not used threads are not a strong point with me and
that tap was bloody expensive. All my old tap and die charts list nothing for m18 fine it is not a widely used size it took ages to find a tap.
|
|
|
chrisg
|
| posted on 25/3/02 at 10:43 PM |
|
|
M18 x 1.5 fine is the right one
Cheers
Chris
|
|
|
bob
|
| posted on 25/3/02 at 10:53 PM |
|
|
Still looking for the site that said it was wrong,its on the locost car club links somewhere.
|
|
|
David Jenkins
|
| posted on 26/3/02 at 08:22 AM |
|
|
quote: ...All my old tap and die charts list nothing for m18 fine it is not a widely used size it took ages to find a tap.
For future reference, Tracy Tools in Dartmouth will sell you a carbon steel tap for just a few Pounds. There's no point in paying the extra for
high-speed steel for just 2 holes (although they sell those as well - the HSS taps that is, not the holes ).
This is a good company, much used by the model engineer fraternity - if anyone's interested, I'll post an address and phone number tomorrow.
David
|
|
|
bob
|
posted on 26/3/02 at 08:28 AM |
|
|
Dave
Is this the same tracy tools that were based in Isleworth,west London.
|
|
|
David Jenkins
|
| posted on 26/3/02 at 09:00 AM |
|
|
Unsure - I've only known them at the Dartmouth address.
|
|
|
m_rayfield
|
| posted on 29/3/02 at 12:08 AM |
|
|
On the lolocost site there's a picture of what they're selling as a top ball joint. Is this the drag link thingummy of which you speak?
See, I've been flogged two items as track rod ends, but they look identical to the picture on the lolocost site. I don't want to fork out for a
spare set if I already have the right ones! And no I haven't measured the thread size on mine...
Hope someone can tell me to shut up and worry about something more important....
|
|
|
bigdaddyadd
|
| posted on 2/4/02 at 10:04 AM |
|
|
Chris I have 7 pairs of threaded parts as book describes with m18 fine threads as you know I promised you some bits so if you want some let me know
I'll send them anyone else interested they are £10 per pair plus post.
http://locostbuild.tripod.com
|
|
|
8smokingbarrels
|
| posted on 27/12/03 at 11:51 PM |
|
|
Thought id resurrect this thread as it raises some good points
Basically what im wondering is should i get a drag link end or a track rod end from a transit (and what difference is there?)
Also in the book it mentions tapping threads into a piece of pipe for the track rod end to screw into- whats wrong with loppiing off the end of an
original track rod- are they not strong enough to be used as part of the upper wishbone?
cheers chris
|
|
|
kingr
|
| posted on 28/12/03 at 12:22 AM |
|
|
quote: Originally posted by ChrisW
Problem with Lolo is they want £20 minimum before they'll do mail order unless you send a cheque, which is ridiculous for any company,
especially one that has their catalogue and pricelist online. Who uses cheques anymore? I don't even have a cheque book!
Anyway, I'll go down my local motor factors - I'm sure they'll be able to help me out.
Chris
<rant>
Chris, unless they've changed recently, MK don't accept cards at all, I was in disbelief. There's no way that I'm going to go
to the trouble of mailing them a cheque just because they don't want to move into the modern age. Maybe I'm petty, but lolo got my order
for my upright mushrooms, and I'm severely discouraged from ordering anything from them in future. I'm not expecting them to have a full
on e-commerce site with order tracking and one click ordering, but a company that sells primarily to the public should accept card surely?
</rant>
8smoking: You need transit drag link ends - the have M18 rather than M20 threads. I don't know whether there's any engineering reason that
you could use a chopped up track rod/drag link, but I suspect they'd be a shedload harder to get holds of and probably more expensive, they
probably won't look as tidy either.
Kingr
|
|
|
James
|
| posted on 28/12/03 at 12:52 AM |
|
|
Kingr,
as you probably know there is a (I was told by a shop owner recently 3.5%) charge to the shop for having a credit card machine.
AFAIK in the kit car business the margins are pretty low and I'd have thought a £50 price hike on the cost of a £1500 kit could make quite a
difference to sales couldn't it? Maybe not!
Cheers,
James
|
|
|
Peteff
|
| posted on 28/12/03 at 09:53 AM |
|
|
Drag link or track rod?
The drag link was used on the mk1 and mk2 transit before the range was updated to rack and pinion steering. They used a steering box and the uprights
had kingpins and were joined together by the drag link. As the box turned one wheel the link dragged the other one with it. You do not want a pair of
drag link ends as the nearside(UK) will be a left hand thread. What you want is two from the same side with right hand thread. I think Dozracing sells
the parts and accepts cards if you must order them. A lot pf part sales don't list them any more and will have to order them in for you with a
long wait.
yours, Pete.
[Edited on 28/12/03 by Peteff]
yours, Pete
I went into the RSPCA office the other day. It was so small you could hardly swing a cat in there.
|
|
|
kingr
|
| posted on 28/12/03 at 01:18 PM |
|
|
James, it was my understanding that most business accounts are charged for cheques too (probably less, and I could be wrong). I was told 2% for most
credit cards and a whopping 5% for AmEx (well my 1% cash back has got to come from somewhere ) I wouldn't expect them to accept AmEx but there
are millions of other small retailers who accept credit cards. Just because it costs money doesn't mean they shouldn't do it - going to
shows costs money, advertising costs money but they're both necessary, I'd say that accepting cards is necessary, but that's just my
personal opinion. Hell, GTS Cougar accepts cards and I can't imagine Darren's margins are enormously different from MK's. Maybe I
just put a higher price on convenience than other people.
Kingr
|
|
|
dozracing
|
| posted on 28/12/03 at 03:59 PM |
|
|
For those of you that are interested i'm having a load of threaded tubes made up and at the same time introducing my camber adjustment
mechanism. All to suit the transit drag link end.
If anyone is interested then email me off list at darren@gtstuning.co.uk
Kind regards,
Darren
|
PLEASE NOTE: This user is a trader who has not signed up for the LocostBuilders registration scheme. If this post is advertising a commercial product or service, please report it by clicking here.
|
theconrodkid
|
| posted on 28/12/03 at 05:52 PM |
|
|
the prob i found out with credit cards was apart from the commision any complaints or non delivery allegations and their money was refunded,you didnt
get a say in the matter,as for cheques there is a charge along with the standing charges but it is a lot less than for plastic
who cares who wins
pass the pork pies
|
|
|
Rorty
|
| posted on 29/12/03 at 01:54 AM |
|
|
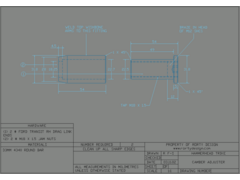
dozracing:
quote:
For those of you that are interested i'm having a load of threaded tubes made up and at the same time introducing my camber adjustment mechanism.
All to suit the transit drag link end. If anyone is interested then email me off list at darren@gtstuning.co.uk
Alternatively, if anyone wants to turn their own in true Locost fashion, here's a drawing of one.
  Rescued attachment camber_adjuster01.gif
Cheers, Rorty.
"Faster than a speeding Pullet".
PLEASE DON'T U2U ME IF YOU WANT A QUICK RESPONSE. TRY EMAILING ME INSTEAD!
|
|
|
Rorty
|
| posted on 29/12/03 at 02:25 AM |
|
|
This pic will explain the orientation of the adjuster.
  Rescued attachment Hammerhead06.gif
Cheers, Rorty.
"Faster than a speeding Pullet".
PLEASE DON'T U2U ME IF YOU WANT A QUICK RESPONSE. TRY EMAILING ME INSTEAD!
|
|
|