dpavlov
|
| posted on 11/2/07 at 07:42 AM |
|
|
newbie questiones
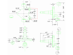
Thanks guys for all replies! Sorry for big picture. How do you reduce size of picture? Found cortina 3D model, but it has 214.8 mm betveen upper and
lower ball joint. Found somewhere else 222 mm. Which is right?
[Edited on 11/2/07 by dpavlov]
|
|
|
|
|
cjtheman
|
| posted on 11/2/07 at 08:24 AM |
|
|
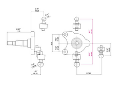
hope this helps you
cheers
colin
  Rescued attachment cortina_upright.gif
|
|
|
rusty nuts
|
| posted on 11/2/07 at 08:34 AM |
|
|
Doubt if you work in inches? to convert sizes to mm multiply by 25.4 example 1.5" x25.4=38.1mm
|
|
|
JoelP
|
| posted on 11/2/07 at 08:41 AM |
|
|
quote: Originally posted by dpavlov
How do you reduce size of picture?
I use microsoft paint. Under the image tab at the top, click stretch/skew, and type in a lower number, is 15 to 50 depending on detail needed.
Alternatively, press ctrl W as a shortcut. 
|
|
|
dpavlov
|
| posted on 11/2/07 at 09:10 AM |
|
|
This is what i have.
Found it on lusomotors.com
[Edited on 11/2/07 by dpavlov]
  Rescued attachment CORTINA UPRIGHT.jpg
|
|
|