Breaker
|
| posted on 17/2/10 at 02:08 PM |
|
|
ZX12R starter
Although I'm far from wiring the loom in my car I was wondering what happens if you push the starter button while the engine is already running.
I've been looking into the wiring diagrams, but nothing special there. Perhaps it is controlled by the ECU so the starter engine will not be
activated if the engine is already running?
Just to make sure I make my starter button foolproof! 
|
|
|
|
|
minitici
|
| posted on 17/2/10 at 03:05 PM |
|
|
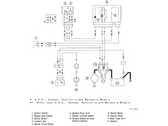
  ZX12R starter circuit
Here is the starter circuit on the ZX12R.
I don't think there is too much of a problem if you can activate the starter with the engine running as the starter is permanently engaged and is
driving via a sprag clutch.
Different if it was a car type starter where you do not want the starter pinion to engage with the flywheel when the engine is running.
I normally get rid of the starter inhibit circuit so that I can re-start the car in gear as it is often a bit of a fiddle trying to select neutral in
the middle of a race track with a dead motor
What you don't want to do with the sprag clutch type starter is to spin the car and get the engine rotating backwards as the clutch will engage
and try and run the starter backwards which usually kills the starter or the starter gear - So if you spin push the clutch in as soon as possible.
|
|
|
Breaker
|
| posted on 17/2/10 at 03:18 PM |
|
|
quote: Originally posted by minitici
I normally get rid of the starter inhibit circuit so that I can re-start the car in gear as it is often a bit of a fiddle trying to select neutral in
the middle of a race track with a dead motor
I'm planning on putting a clutch switch at the clutch pedal, so I will be able to start if the car is not in neutral, but with the clutch
engaged.
|
|
|
Moorron
|
| posted on 17/2/10 at 05:13 PM |
|
|
i thought this but it doesnt work like that on my 2003 engine. To start i have to be in neutral AND flick my clutch switch and then the starter to
have it engage.
im not a bike owner and i thought that it would be either the clutch or neutral but on mine its both
it took some time to get use to it when in the middle of junctions and stalling but i like it now, means if i leave it in gear people cant work out
how to start the car unless i tell them.
[Edited on 17/2/10 by Moorron]
Sorry about my spelling, im an engineer and only work in numbers.
|
|
|
Breaker
|
| posted on 17/2/10 at 05:29 PM |
|
|
quote: Originally posted by Moorron
i thought this but it doesnt work like that on my 2003 engine. To start i have to be in neutral AND flick my clutch switch and then the starter to
have it engage.
im not a bike owner and i thought that it would be either the clutch or neutral but on mine it both
it some some time to get use to it when in the middle of junctions and stalling but i like it now, means if i leave it in gear people cant work out
how to start the car unless i tell them.
Did some reading in the service manual and it looks like I also will have to engage clutch and put it in neutral to start.
That reminds me: Who's brilliant idea was it to put a bike gearing sequence like 1-N-2-3-4-5-6 and why not N-1-2-3-4-5-6 ?
|
|
|
franky
|
| posted on 17/2/10 at 06:10 PM |
|
|
so when going down the box you don't hit neutral which would be dangerous in 99% of situations.
|
|
|