zilspeed
|
| posted on 7/8/10 at 12:59 PM |
|
|
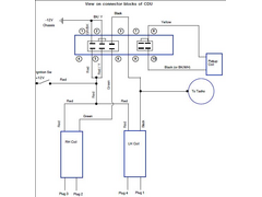
ZX10 (the OLD one ) ignition wiring.
Further to a recent U2U from another forum member requesting the schematic which I have of the above. Please see below.
  Ye Olde ZX10 ignition wiring
Now !!
There's a teeny weeny mistake, but you'll work it out yourself. It's to do with the orientation of the plugs, but colours are spot
on.
With 100% gratitude and credit to Mr Westgarage himself for the drawing.
|
|
|
|
|
daviep
|
| posted on 7/8/10 at 02:32 PM |
|
|
Cheers
I've saved it this time ! 
“A truly great library contains something in it to offend everyone.”
|
|
|