Tangerine Scream
|
| posted on 3/6/16 at 02:42 PM |
|
|
A ZX9 favour
Hi All,
Been trying to diagnose a non starting ZX9 C2.
It turns over, definitely getting fuel, but no spark. 100 Ohm resistor is in the grey line to the CDI unit and all the sensors read correct
resistances.
It is looking more and more like the CDI unit itself is at fault.
I'd rather not buy another one (yet) so, would any C1/C2 owners be willing to test my CDI box if I send it to them?
Cheers!
|
|
|
|
|
mackei23b
|
| posted on 3/6/16 at 02:48 PM |
|
|
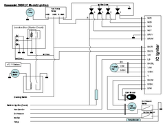
This may or may not help, here is my wiring diagram that I used when I built my MK Indy with a ZX9R C2 Engine
  ZX9R Ignition Diagram
I no longer have the car so i can't offer a loan of the CDI unit.
Have you taken out the foot stand sensor?
Cheers
Ian
[Edited on 3/6/16 by mackei23b]
[Edited on 3/6/16 by mackei23b]
|
|
|
Tangerine Scream
|
| posted on 3/6/16 at 03:01 PM |
|
|
Thanks for the diagram Ian. It's easier to read than the Haynes manual version
The sidestand, neutral switch and clutch switch are all bypassed (as per your diagram!)
Cheers
|
|
|
40inches
|
| posted on 3/6/16 at 03:38 PM |
|
|
I have a ZX9R-C2 CDI unit I was going to put on eBay. I can send it on sale or return for £35. If it works pay £35 if not just send it back.
|
|
|
Tangerine Scream
|
| posted on 3/6/16 at 04:06 PM |
|
|
That would be fantastic, many thanks!
I'll U2U my details
Many thanks again
quote: Originally posted by 40inches
I have a ZX9R-C2 CDI unit I was going to put on eBay. I can send it on sale or return for £35. If it works pay £35 if not just send it back.
|
|
|
coozer
|
| posted on 3/6/16 at 04:28 PM |
|
|
If you are using the little fuse block just earth the green black that runs from that to the IC. That defeats all the lock outs and lets it start.
1972 V8 Jago
1980 Z750
|
|
|
rj
|
| posted on 3/6/16 at 06:19 PM |
|
|
When I first built mine it had a ZX9r C (1 I think) had it churning on the starter loads of times, but wouldn't start. I tested everything -
Haynes manual has a lot of info regarding resistances of various parts. Turned out to be the cam sensor, it was showing open circuit, replaced that
and it started.
|
|
|
Toprivetguns
|
| posted on 3/6/16 at 06:50 PM |
|
|
I had a similar issue with my zx10 - ended up being two main block connectors (one brown, one grey) which I had fitted incorrectly.
Crazy that they could fit into each other. Also what about the knock switch (cuts the engine when the bike falls over).
Only drive as fast as your angel can fly... !
|
|
|
Tangerine Scream
|
| posted on 4/6/16 at 10:55 AM |
|
|
Coozer
At the moment each of the three breakpoint circuits are bypassed separately. If I do have to go back into the (now wrapped) loom, I may well just
earth the green/black wire at source, as you suggest, as that would be a far more elegant solution.
RJ
Yup, had to get a new cam sensor already. Faulty one was up at 7.8k Ohm. Seems to be a common fault on the ZX9C's
TopRivetGuns
Don't think the ZX9 has any interchangeable connectors and the engine has previously been running OK. It's a little older tech than the
ZX10 and I don't think there's a knock switch? (I've only seen neutral, clutch and sidestand switches)
40inches is kindly sending his ECU out so I will try that first. Failing that, it's going to be time to unwrap my shiny neatly wrapped loom
Thanks for all your help! Although the solution has yet to be found, Locostbuilders has (once again) provided valuable info that helps lift the
despondency 
|
|
|
Tangerine Scream
|
| posted on 19/6/16 at 11:20 AM |
|
|
Just to finish off the thread as I hate it when I do a search and can't know the final outcome of a story!
Anyway, CDI kindly sent by Mr 40inches arrived and the symptoms didn't change; still no spark.
Printed out an A2 sized ZX9 wiring diagram and started tracing signals.
After a good many hours (10) I managed to find that the 12V going to the coils was OK when the ignition was on but dropped to zero when cranking.
I temporarily wired the positive feed to the coils direct to the battery and got a spark!
Tracing back the suspect wire I found a break in the conductor with no mark at all on the insulation (neither was it bent over)
Anyway, this was cut out of the loom and a new section spliced in. Engine now starts on the button.
Yay!
Thanks again Locostbuilders 
|
|
|