Coose
|
posted on 20/3/05 at 05:17 PM |
|
|
Is anyone using R1 clocks?
Well, the good news is that Bart sailed through the MOT yesterday, but probably due to the fact that the tester was wetting himself! He said
he'd really like a go in it, which I responded by hinting at some kind of deal - I come away with the document that I want, and he gets £40-odd
and a spin in my car! He was quite pleased with the old bus, and giggled manically when I took him out!
But, there is one slight niggle - the radiator fan(s - I'm using a rad off a TL1000R) don't come on automatically. I'm using the
clocks off the R1 ('01), which switch the fan relay at a certain temp when the motor is running. This isn't happening, except for once
this morning....
The wiring from the fans right back to the clocks is fine, including the relay, So, as a temporary fix I have fitted an override switch between the
relay and ground on the coil side, but really would like to get the clocks working. Does anyone have any ideas? I haven't missed anything in the
loom that would be holding it off, and have had a look inside the clocks for dry joints etc. but there isn't anything too obvious.... Any
suggestions, bearing in mind that I'm no electronics genius but can kinda get by?
Cheers,
Coose
Spin 'er off Well...
|
|
|
|
|
OX
|
| posted on 20/3/05 at 05:22 PM |
|
|
was it getting hot anuff,im sure the fan only comes on when it gets to 104
|
|
|
Coose
|
| posted on 20/3/05 at 05:54 PM |
|
|
Yep, saw 109 and also stuck a hand full of 10k resistors in parallel with the Thermo-unit to fool it up to 118. Still no joy.....
Spin 'er off Well...
|
|
|
ChrisGamlin
|
| posted on 20/3/05 at 07:00 PM |
|
|
This is copied from my BEC list reply just in case its actually useful
Hi Coose
Ive just been stripping down my loom today so hopefully have some relevent
info buzzing around in my head at the moment!!
Mine's an '03 engine but hopefully that bit is pretty similar to yours for
that particular segment of the loom. Im not sure its actually the clocks
that switch it, it seems to just have a feed from the ECU that triggers the
relay, though not sure if its the same on the carb engine. On mine its a
green/yellow wire that comes from the ecu into the fan relay, along with a
red/white wire. The high current side of the relay is a thicker blue wire
which connects to the fan itself, and a brown/green wire which is the +ve
feed into the relay, and from here the fan itself should go back to earth
via the loom. I guess the green/yellow is the switching wire that controls
the relay, and the blue one is the wire that should go +ve when the relay
triggers.
Is it possible to actually check the relay itself (can you hear it clicking
if you put power across it?) and obviously have a look at the (15A?) fuse in
the fuse box? I guess its possible that your TL1000 rad fan pulls more
current than the R1 fan, so its ran once but tripped the fuse?
Other than that, I might have to pass as I havent got any further than
chopping wires out yet
|
|
|
tks
|
| posted on 20/3/05 at 07:53 PM |
|
|
nooo
Nahhh
its isn't the clocks and not the ecu that switch the fan.....
the clocks have just one wire for:
- showing on dash that fan = on
- showing engine temp
ecu same thing
the fan is power circuit wich in most cases 90% is a standalone circuit
It uses a fan switch in the radiator
a fan and a + lead from the fuse box.
Because of the fact that engine cooling is very very important it uses as poor pieces as possible...
i think your fan switch is messud up/faulty.
TKS
if you search for the circuit i can confirm in 5 minutes
The above comments are always meant to be from the above persons perspective.
|
|
|
Coose
|
| posted on 20/3/05 at 09:47 PM |
|
|
tks - not on an '01! The clocks switch the fan relay dpendant on the temperature received from the 'thermo-unit'.
Believe me, I have a very good grasp of R1 wiring by now!!!!
Chris - cheers for that, but as I said on the BEC list the manual switch is connected in parallel with the switched ground from the clocks, which
works fine. Therefore it is the clocks that are at fault....
Cheers for all the suggestions - keep 'em coming!
Spin 'er off Well...
|
|
|
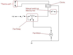
Coose
|
| posted on 22/3/05 at 09:05 AM |
|
|
Here's a diagram.....
  Rescued attachment R1 Fan.jpg
Spin 'er off Well...
|
|
|
tks
|
| posted on 22/3/05 at 09:32 AM |
|
|
uhhh
uhh what piece is in the clocks that switch the relais??
if you directly connect the lead from the temp sens. to the relais maybe is that what is happening??
if the res is lowering maybe the relais comes on it self..
in the clock are maybe extra resistors..
for adjusting
TKS
The above comments are always meant to be from the above persons perspective.
|
|
|
Coose
|
| posted on 22/3/05 at 12:50 PM |
|
|
The "Thermo-unit" is connected into the clocks and controls the LCD temperature display, which works absolutely fine, where above 40degC
it changes from 'Lo' to showing the actual temp, 117-139degC the LCD flashes and a lamp illuminates, then above this shows
'Hi'.
There appears to be a transistor in the clocks which switches the relay (at around 104degC, so I've been informed).
I never looked to see if there was a potentiometer in there for adjustment, which I doubt but it's worth a look....
Spin 'er off Well...
|
|
|