FRS
|
| posted on 26/2/06 at 08:25 PM |
|
|
R1 starting problems!
Hello guys,
I have an 98' R1 and wired everything up and shorted all the switches.
I am using the standard bike loom and original switches for starting and cutt-off, however we found the cutt-off and the rest of the connections, but
we still have the 3 connectors (1x 3pin, 1x 4pin, and 1x 2pin) that you have to use for starting (all black wires, we have no cyclelock).
Does anyone have a picture or diagram which black wires we have to connect to each other to get it started.
Thanx in advance.
Michel.
|
|
|
|
|
Bob C
|
| posted on 26/2/06 at 08:47 PM |
|
|
I'm only using my loom as a source of connectors - it seems to have the plugs in that you're talking about, do you want me to post a
picture? Where are you based? if the plugs are any use to you you can have 'em.
Bob C
|
|
|
MrSandMan
|
| posted on 26/2/06 at 09:54 PM |
|
|
Wiring Diagram
FRS,
Let me have your email address and I will send you a wiring diagram. I have an R1 workshop manual in pdf file.(sourced from ebay) so can copy the
wiring diagram and any relevant text for you.
|
|
|
MrSandMan
|
| posted on 26/2/06 at 10:02 PM |
|
|
And now for the starter circuit!!
Try again. This diagram may be more useful.
|
|
|
kev R1
|
| posted on 26/2/06 at 10:06 PM |
|
|
what colours are your wires to your connections
|
|
|
Bob C
|
| posted on 26/2/06 at 11:03 PM |
|
|
These are the 2 connectors I was thinking of -
hope this helps
Bob
  Rescued attachment Dsc00414.jpg
|
|
|
FRS
|
| posted on 27/2/06 at 06:43 PM |
|
|
Thanx Guys,
First of all i live in Holland.
Kev all the wires are black.
MrSandMan, thanx for the offer but i all ready have these diagrams.
Well the first problem is solved, the connectors in Bob's picture are indeed for the starter relay so that works now when i press the
starterbutton the startermotor turns, but we don't have a spark yet so we do believe that there is still a block somewhere and we now think that
there has been a cyclelock.
We connected all the switches and we are using all the original connections from the bikeloom, so from the ECU to the solenoids etc etc.
What are we missing, where do we have to look now to get it started.
Cheers,
Michel.
|
|
|
progers
|
| posted on 28/2/06 at 09:02 AM |
|
|
Sounds like one of the black wires that goes to the ECU is not grounded.
Cheers
Paul
|
|
|
FRS
|
| posted on 28/2/06 at 09:13 AM |
|
|
Paul,
You have a u2u!
|
|
|
smart51
|
| posted on 28/2/06 at 10:30 AM |
|
|
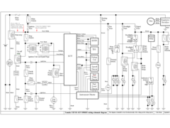
Maybe this would be of some use
  Rescued attachment r1.GIF
|
|
|
FRS
|
posted on 1/3/06 at 10:36 AM |
|
|
R1 starting problems SOLVED!!!!
YES IT LIVES
The R1 runs, and what a great feeling to hear it running. (Without airbox!!!!!!)
So thanks a lot guys for all the help!!
Cheers,
Michel.
|
|
|
progers
|
| posted on 1/3/06 at 10:39 AM |
|
|
What was the magic cure, just out of curiosity?
- Paul
|
|
|
FRS
|
| posted on 1/3/06 at 11:03 AM |
|
|
Like you said Paul connect the 2 ground wires from the ECU together and there it was, started in one go.
Runs nice and smooth
Michel.
|
|
|