rjbrookes
|
| posted on 26/7/06 at 05:13 PM |
|
|
zx12 bec owners
Hi
Can some with a zx12 bec tell me where your plumbing is going?!??!
ie, top and bottom of the rad and top and bottom of the engine....which connects to which!
i am having coolant problems and want to check the plumbing.
Also which pipe gets warm first and which way should the water be flowing.
If you have a pic that would be great too.
Thanks
Russ
[Edited on 26/7/06 by rjbrookes]
|
|
|
|
|
Smartripper
|
| posted on 26/7/06 at 05:45 PM |
|
|
Hello,
First, are you using the original radiator ???
Top off engine is top off radiator.
Botom engine is botom radiator small exit on radiator is for the oil heat thing....??
top hose is the first hot...
Flow is from top to bottom....
Are you sure there isn't a airlock in the system.
I have got the compleet manual in PDF but it's very larger, mail ???
Daniel
|
|
|
Tangerine Scream
|
| posted on 26/7/06 at 07:32 PM |
|
|
Not exactly a ZX12 (it's a ZX9) but I've spotted so many other similarities it may be useful.
The ubiquitous diagram from Ben Marriott 

|
|
|
athoirs
|
| posted on 26/7/06 at 07:56 PM |
|
|
see if this helps
http://www.locostbuilders.co.uk/viewthread.php?tid=46714
|
|
|
Tangerine Scream
|
| posted on 27/7/06 at 07:07 AM |
|
|
As an aside..
That's a rather spiffing airbox you've got there athoirs. Seems quite simple to make (but even if it was, I bet I could bugger it up!) 
|
|
|
rjbrookes
|
| posted on 27/7/06 at 07:30 AM |
|
|
Thanks for the replys.
Daniel, that pdf would be great, email russellbrookes@hotmail.com.....thanks
the problem i am having is it cant seem to hold water in. under normal and track use it will lose all the water out of the header tank.
it seems to be building up pressure because it vents out of the header tank pressure relief cap. which i believe is set to 13psi/1 bar.
i will check the piping to ensure its correct.
can anyone else share there thoughts about why its droping its water.
thanks russ
|
|
|
athoirs
|
| posted on 27/7/06 at 08:56 AM |
|
|
You do have a catch tank dont you?? it will vent if it gets very hot but the cap is designed to "suck" the water back as it cools
|
|
|
Hellfire
|
| posted on 27/7/06 at 11:25 AM |
|
|
We have a Micra rad fitted and had the very same problem. Problem is, the Micra rad is designed to work with an expansion tank and not a header tank
like we too have fitted. Simplest solution is to screw a bolt into the small outlet from the rad cap to blank it off. In effect this changes the use
of the header tank to an expansion tank.
You may also find that the engine runs hot, which won't help matters either. Try adding some water wetter to your coolant, it's brilliant
stuff and works a treat.
Phil
|
|
|
rjbrookes
|
| posted on 27/7/06 at 03:22 PM |
|
|
the rad is a new polo one........is there much difference between the micra one?????
still block it off?????????
thanks russ
|
|
|
Smartripper
|
| posted on 27/7/06 at 04:28 PM |
|
|
Hello,
It seems everyone having very hot zx12...
I've got a standard zx12 radiator, and like the dutch man here said, it's running fine even in the very hot weather we got now
36 degrees, and with a traffic jam still not to hot because the fan did not kick in very often....
Make sure you got all the air out....
Daniel
|
|
|
G.Man
|
| posted on 27/7/06 at 07:02 PM |
|
|
I have been having a similar problem here in cyprus, but 40 degrees and stuck in traffic is always gonna be a bitch..
Discoveries I have made...
1. Radiator is cack, new Pace 4 row caterham race rad to be fitted next week
2. Header tank cap doesnt fit right, gonna change header tank to cope..
3. No air seal around rad means hot air just circulates around rad in traffic rather then new cooler air from outside being drawn across rad..
4. Bonnet is a major heat trap, leave it off and things improve a lot, more venting required
5. Lean mixture makes more heat, get your car dyno setup!
Opinions are like backsides..
Everyone has one, nobody wants to hear it and only other peoples stink!
|
|
|
Hellfire
|
| posted on 28/7/06 at 07:50 AM |
|
|
quote: Originally posted by rjbrookes
the rad is a new polo one........is there much difference between the micra one?????
still block it off?????????
thanks russ
Russ, the Micra and Polo rads are very similar so I would say yes, block it off.
Phil
|
|
|
rjbrookes
|
| posted on 14/8/06 at 07:48 PM |
|
|
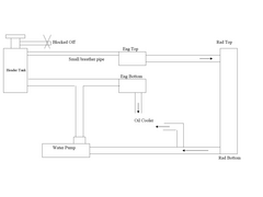
OK have not have much chance due bad back to mess with car...but did today.
Hopefully a picture (home made) is attached of how my car is plumbed up.
From what i read on another site should the bottom of the header/expansion tank be connect the way it is. I read some one has it plumbed up so it
feeds the top part of the rad?!?!?
Can anyone verify that the plumbing is correct.
I ran in on the drive today at rpms above 7-8k and it soon overheated, but more importantly it started losing water (which wasn't boiling) just
above half on the water temp gauge (zx12 clock). I have blocked off the pressure cap outlet on the header tank, but it was losing it from the cap
seal.....which was very tight prior to running it up.
  Rescued attachment Car Plumbing.jpg
|
|
|
G.Man
|
| posted on 16/8/06 at 03:20 AM |
|
|
Mine is doing the same from the cap seal on the header tank..
I am guessing you have the MNR header tank as well...
Can you check that the cap doesnt actually rock on the header tank like mine does?
I think the cap is wrong for the tank....
Opinions are like backsides..
Everyone has one, nobody wants to hear it and only other peoples stink!
|
|
|
marc n
|
| posted on 16/8/06 at 07:40 AM |
|
|
think russ has made the real discovery, that the cap needs to be higher for the zx12r according to his local dealer, we run as standard a 13 psi cap
for r1 s fireblades busas etc with no worries . but the zx12 requires a 18 psi cap i think he said ???
think he was getting one today so will probably post here when he has tried it or if not i will update
best regards
marc
[Edited on 16/8/06 by marc n]
please email rather than u2u
direct workshop email ( manned 8am till 6pm )
www.mnrltd.co.uk enquireys to :-
chrismnrltd@btinternet.com
|
NOTE:This user is registered as a LocostBuilders trader and may offer commercial services to other users
|
marc n
|
| posted on 16/8/06 at 07:46 AM |
|
|
quote:
. No air seal around rad means hot air just circulates around rad in traffic rather then new cooler air from outside being drawn across rad..
yep very valid that, ian had problems with his car over heating at first in traffic ( v8 with pace 4 core rad not sure if this is the same as you have
ordered ians was approx £300 ) still overheated until he made a proper cowl for round the rad to block the sides off, other thing i have found is that
by opening the nosecone flares up it helps to draw the heat out, will post a pic of the part i have removed later today when the cameras charged
quote:
Bonnet is a major heat trap, leave it off and things improve a lot, more venting required
russ is actually running a bonnet vent which should help massively cause it does get rather warm down there especially when giving it some welly
please email rather than u2u
direct workshop email ( manned 8am till 6pm )
www.mnrltd.co.uk enquireys to :-
chrismnrltd@btinternet.com
|
NOTE:This user is registered as a LocostBuilders trader and may offer commercial services to other users
|
rjbrookes
|
| posted on 16/8/06 at 08:54 AM |
|
|
Yeap new pressure cap ordered
Kawasaki said that the bike water pressure will blow off from 13.8-17.6 psi.
Hopefully here tomorrow
Russ
|
|
|
G.Man
|
| posted on 16/8/06 at 02:23 PM |
|
|
But Marc
even with the cap blowing off at the wrong pressure, the water should exit down the overflow hose, not out of the pressure cap...
The pressure cap doesn't seat correctly on the header tank... the seal on it does nothing
Opinions are like backsides..
Everyone has one, nobody wants to hear it and only other peoples stink!
|
|
|
Smartripper
|
| posted on 16/8/06 at 02:26 PM |
|
|
Hello,
Found a link too a zx12r manual online,
http://www.gofastvideo.com/gallery/item/predownload/476/1/free-racing-videos/kawasaki-zx12r-2000.html
It says it's a video file but it's a pdf file..
Daniel
|
|
|
rjbrookes
|
| posted on 16/8/06 at 02:51 PM |
|
|
quote: Originally posted by G.Man
But Marc
even with the cap blowing off at the wrong pressure, the water should exit down the overflow hose, not out of the pressure cap...
The pressure cap doesn't seat correctly on the header tank... the seal on it does nothing
i have blocked off the overflow and then modified the cap and filler neck so it fits more tighter...but it still leaked out of the cap
any will try the 21 psi cap when it get here......if that dont work....anyone what a car for a few grand??????? ARRRRHHHHHHHH
Russ
|
|
|
marc n
|
| posted on 16/8/06 at 03:22 PM |
|
|
quote:
The pressure cap doesn't seat correctly on the header tank... the seal on it does nothing
confused
so which bit is the problem the cap or the tank ?????
please email rather than u2u
direct workshop email ( manned 8am till 6pm )
www.mnrltd.co.uk enquireys to :-
chrismnrltd@btinternet.com
|
NOTE:This user is registered as a LocostBuilders trader and may offer commercial services to other users
|
G.Man
|
| posted on 16/8/06 at 06:56 PM |
|
|
The cap is not the correct size for the tank... as to which one is wrong, thats anyones guess..
The pressure bit is okay, but the seal around the inside of the cap does not reach the mating surface on the upper face of the header tank...
Opinions are like backsides..
Everyone has one, nobody wants to hear it and only other peoples stink!
|
|
|
rjbrookes
|
| posted on 17/8/06 at 02:27 PM |
|
|
Update
Right.......new cap arrived this morning, from a place call Burton Power (google it for the web address they do sell lots of kit car stuff)
anyway, its a 21-24 psi with a lever release.
Ran the car up on the drive at rpm 8-9+, and happy to say that with the cap on alone and the blow off outlet not block off not a drop of water came
out.........
But....i melted the carpet under the car and the body now has the odd minor bubbling due exhaust heat......cant win em all......
come on weather dry up so i can road test.........
a more cheerful Russ
|
|
|
G.Man
|
| posted on 17/8/06 at 03:03 PM |
|
|
you got the part number?
Edit found it
https://www.burtonpower.com/dets_product.aspx?App=EV&PGrp=07007&PSet=1
[Edited on 17/8/06 by G.Man]
Opinions are like backsides..
Everyone has one, nobody wants to hear it and only other peoples stink!
|
|
|
rjbrookes
|
| posted on 17/8/06 at 03:10 PM |
|
|
that's the one
road test in a min.....weather drying up....
russ
|
|
|