nitram38
|
| posted on 7/11/06 at 01:43 PM |
|
|
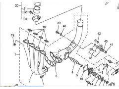
Another R1 exhaust question!
What does the flap do in the exhaust collector and why is it there?
  R1 exhaust flap
[Edited on 7/11/2006 by nitram38]
|
|
|
|
|
StevieB
|
| posted on 7/11/06 at 01:47 PM |
|
|
That'll probably be the EXUP valve.
It Ex's the Up's
It's something to do with opening the exaust up more at higher revs - there'll be a connection for a motor on the wiring loom that powers
it - wire it up to flip your reg plate up instead!
[Edited on 7/11/06 by StevieB]
|
|
|
zxrlocost
|
| posted on 7/11/06 at 01:51 PM |
|
|
F U C K it off 
|
PLEASE NOTE: This user is a trader who has not signed up for the LocostBuilders registration scheme. If this post is advertising a commercial product or service, please report it by clicking here.
|
nitram38
|
| posted on 7/11/06 at 01:56 PM |
|
|
So remove then!!!!!!!!!
|
|
|
StevieB
|
| posted on 7/11/06 at 02:01 PM |
|
|
Remove the valave, but if you're using the loom, you'll need to either keep the exup motor somewhere discreet or put a resistance across
it - the ECU will be looking for it to work at certain revs, so you'll need to either let it turn the motor or confuse it into thinking it
is.
I've decided to fit the motor to keep life easy (not a spark by any means!)
|
|
|
skydivepaul
|
| posted on 7/11/06 at 02:10 PM |
|
|
quote: Originally posted by zxrlocost
F U C K it off
thats the best technical description I've heard today   
http://www.smartideasuk.com
http://www.smartmapping.co.uk
HD CCTV
3D design solutions and integration
IP security systems
access control systems
|
|
|
zxrlocost
|
| posted on 7/11/06 at 02:32 PM |
|
|
you dont want it but you do
if you get rid completely youll have fault codes
so leave it plugged in and hide it somewhere
|
PLEASE NOTE: This user is a trader who has not signed up for the LocostBuilders registration scheme. If this post is advertising a commercial product or service, please report it by clicking here.
|
smart51
|
| posted on 7/11/06 at 03:08 PM |
|
|
Keep the servo if you are using the bike's clocks. Dump the valve.
The valve varies the area of the exhaust tube by closing a flap across it at low revs. This has the advantage of tuning the exhaust to boost torque
at low revs, it is claimed. Most suspect that it is just a big dB killer that automatically gets out of the way at high revs / high throttle
openings. Dump it.
|
|
|
nitram38
|
| posted on 7/11/06 at 03:21 PM |
|
|
I won't be using the clocks. Veypor V2.
I have also bought a barnett clutch and Power commander plus sump baffle.
I am planning to have a new manifold made that brings the pipes around the right hand side of the engine (mid- mounted) 4-2-1, straight into a cat
and then tail pipe.
Finding a decent cat/tail pipe is proving difficult. Any good websites/suppliers?
[Edited on 7/11/2006 by nitram38]
|
|
|
TimC
|
| posted on 7/11/06 at 03:49 PM |
|
|
Try JP Exhausts - did a good deal for two mates of mine.
Sure Googling will yield a phone number.
|
|
|
Catpuss
|
| posted on 7/11/06 at 07:28 PM |
|
|
quote: Originally posted by StevieB
That'll probably be the EXUP valve.
It Ex's the Up's
It's something to do with opening the exaust up more at higher revs - there'll be a connection for a motor on the wiring loom that powers
it - wire it up to flip your reg plate up instead!
[Edited on 7/11/06 by StevieB]
I'd rig the motor up to a rubber hand on the back flicking the vees. Good for overtakes 
|
|
|