locoboy
|
| posted on 2/2/07 at 09:47 AM |
|
|
r1 98/99 non start switches
Am i right,
Side stand switch, - earth it?
Clutch switch, - solder the wires together?
Neutral switch - earth it?
Thanks
ATB
Locoboy
|
|
|
|
|
smart51
|
| posted on 2/2/07 at 09:53 AM |
|
|
Solder the clutch switch wires togeter. Same with the side stand switch really, although one of them is earth so you can earth it. Alternatively,
just earth the black/yellow wire of the clutch switch, then you don't have to worry about the side stand switch at all.
As for the neutral switch, leave it in. It is very useful to have a neutral light on your dash so you know if you can take your foot off the
clutch.
[Edited on 2-2-2007 by smart51]
|
|
|
jkarran
|
| posted on 2/2/07 at 04:16 PM |
|
|
Do you not have the tip over switch too? I replaced that with resistors (03 R1), might be different on 98/99.
Remove sensor.
1k between sensor out and sensor gnd (black/blue on 03 bike)
3k9 between sensor out and sensor +ve (blue on 03 bike)
That should do it. Or fill it with epoxy once you're happy it runs
I kept my neutral light but disabled the not-neutral start inhibit (scratch built loom), neutral light is handy but dangerously bright
jk
|
|
|
Coose
|
| posted on 2/2/07 at 10:54 PM |
|
|
No tip-over switch on a carb'd R1. Keep neutral switch - better still, keep the R1 clocks - they're splendid!
Spin 'er off Well...
|
|
|
locoboy
|
| posted on 2/2/07 at 11:25 PM |
|
|
I have the R1 clocks,
My concern with the neutral switch was...
I pull out of a junction and stall it.....
See the nissan nevara heading towards me that i was trying to nip out in fron of
Need to scramble for neutral befor i can start the thing again
if i earth it then i can at least stall it at will and start it again at will too
ATB
Locoboy
|
|
|
locoboy
|
| posted on 2/2/07 at 11:28 PM |
|
|
quote: Originally posted by smart51
Solder the clutch switch wires togeter. Same with the side stand switch really, although one of them is earth so you can earth it. Alternatively,
just earth the black/yellow wire of the clutch switch, then you don't have to worry about the side stand switch at all.
[Edited on 2-2-2007 by smart51]
hi Smart,
Does the Clutch switch override the side stand one then?
I can see how it might from a 'starting the bike safety ' point of view.
ATB
Locoboy
|
|
|
Coose
|
| posted on 2/2/07 at 11:46 PM |
|
|
Short the clutch switch (balck/yellow to blue/yellow) and the side stand switch (black to blue/yellow) and you'll be able to start in gear with
the clutch depressed as normal....
Spin 'er off Well...
|
|
|
Coose
|
| posted on 2/2/07 at 11:51 PM |
|
|
quote: Originally posted by locoboy
quote: Originally posted by smart51
Solder the clutch switch wires togeter. Same with the side stand switch really, although one of them is earth so you can earth it. Alternatively,
just earth the black/yellow wire of the clutch switch, then you don't have to worry about the side stand switch at all.
[Edited on 2-2-2007 by smart51]
hi Smart,
Does the Clutch switch override the side stand one then?
I can see how it might from a 'starting the bike safety ' point of view.
No. You won't start the motor without the sidestand switch wires shorted unless you're in neutral, hence the need to permanently short
them. The same applies with the clutch wires, so as to stop you from lurching forward!
[Edited on 2/2/07 by Coose]
Spin 'er off Well...
|
|
|
smart51
|
| posted on 3/2/07 at 01:06 PM |
|
|
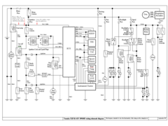
If you short the clutch switch to ground you completely bypass the side stand switch. Doing this will make the engine start even in gear so you can
use the neutral switch to indicate neutral.
See the attached diagram for more details
  Rescued attachment r1.GIF
|
|
|
Coose
|
| posted on 4/2/07 at 12:20 AM |
|
|
That's very true, but as the wires are paired together it's easier and more reliable to solder and heatshrink them than to add more wires!
Job's a carrot!

Spin 'er off Well...
|
|
|
smart51
|
| posted on 4/2/07 at 03:03 PM |
|
|
quote: Originally posted by Coose
as the wires are paired together it's easier and more reliable to solder and heatshrink them than to add more wires!
That's what I thought when doing mine
|
|
|
Coose
|
| posted on 4/2/07 at 09:39 PM |
|
|
Hmmmm, my 5JJ worked out fine!
Saying that, as I kept as much of the standard loom as I could, maybe that helped?
Spin 'er off Well...
|
|
|