locoboy
|
| posted on 13/2/07 at 07:24 AM |
|
|
R1 starter wiring
Is this right,
From the starter relay
Red short lead to the Batt +ve
Black long lead to the Starter motor
Another long black lead from the Batt -ve to the engine earth just beside the starter motor?
I take it i will still need to provide a Batt-ve to chassis connection to earth my chassis and not rely on it all earthing via the chassis - engine
and back to the battery -ve
ATB
Locoboy
|
|
|
|
|
smart51
|
| posted on 13/2/07 at 08:19 AM |
|
|
My R1 loom had a thick black wire from battery -ve to starter motor -ve. My chassis is earthed by this wire, through the engine block.
|
|
|
locoboy
|
| posted on 14/2/07 at 08:11 AM |
|
|
where did you attach the end of the black lead that comes from the starter relay with the main fuse?
I have got that attached to the starter motor and then got the engine earth going back to the battery.............
I have checked continuity between my chassis and battery -ve (earthing via the engine block) and it seems fine
Does this sound an ok setup?
ATB
Locoboy
|
|
|
locoboy
|
| posted on 15/2/07 at 07:44 AM |
|
|
Where does the starter get its feed from as i can only see the negative conection to the casing on the starter motor?
Cant understand how it gets power to it.
ATB
Locoboy
|
|
|
smart51
|
| posted on 15/2/07 at 08:20 AM |
|
|
The R1 starter motor has a bolt on the top for 12V from the starter relay. The earth for the starter motor goes to the case of the starter motor
using one of the two bolts that fastens the starter motor to the engine block.
|
|
|
locoboy
|
| posted on 15/2/07 at 09:45 AM |
|
|
Anyone got a pic?
I have a bolt on the top of the starter motor (12V?) and a bolt on the block next to the starter motor (engine earth?)
No earth on the starter itsself.........
ATB
Locoboy
|
|
|
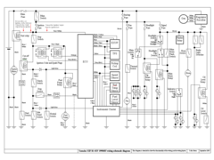
smart51
|
| posted on 15/2/07 at 09:47 AM |
|
|
A wiring chart, not a photo.
  Rescued attachment r1.GIF
|
|
|
MartinDB
|
| posted on 15/2/07 at 03:12 PM |
|
|
Mine's an '02 engine, but I think it's the same set-up.
The black wire here
Is connected to the "M" terminal on the starter relay.
With the Battery connected to the "B" terminal.
I think having the starter feed as a black wire is causing confusion, as for me black means earth, but the starter earths through the engine.
Martin.
|
|
|
chockymonster
|
| posted on 15/2/07 at 03:49 PM |
|
|
quote: Originally posted by MartinDB
Mine's an '02 engine, but I think it's the same set-up.
Same as my 03 and the earlier 98 too.
PLEASE NOTE - Responses on Forum Threads may contain Sarcasm and may not be suitable for the hard of Thinking.
|
|
|