locoboy
|
| posted on 3/8/07 at 09:03 PM |
|
|
R1 4xv safety wiring
R1 4xv Wiring
Had the opertunity tonight to run my car up on axle stands.
Stalled it in 3rd and tried to re start it.
I thought by closing off the clutch wires and the side stand wires i could start it in gear - i couldn't, had to pi$$ aboug trying to find
neutral. My car needs rocking back and forth to move through the gears withought the engine running.
I don't want to have to ground the neutral switch and have the light on permanently as i want to know when i am in neutral for example when im
waiting at at the traffic lights etc.
I thought the clutch and the sidestand would over ride the neutral switch.......................................................................
ATB
Locoboy
|
|
|
|
|
smart51
|
| posted on 3/8/07 at 09:23 PM |
|
|
clutch switch and side stand switch should do it. Put your multimeter on the black/yellow wire from the cut off relay to ground and measure the ohms.
If it's not zero (with the car in gear) then your connection is open somewhere.
either check your clutch and side stand switches or just make an earth connection to the black / yellow wire.
|
|
|
adithorp
|
| posted on 3/8/07 at 10:23 PM |
|
|
Mine is the same as yours Locoboy. Also if the sidestand isn't earthed it cuts out when you put it in gear. I think you can cut the feed to the
bike dash warning light, so its not on all the time when you earth the neutral switch, but then you don't know when your out of gear. Catch
22!
I've left mine as start in neutral only.
Adrian
|
|
|
smart51
|
| posted on 4/8/07 at 09:59 AM |
|
|
quote: Originally posted by adithorp
I've left mine as start in neutral only.
There's no need to do that. If you connect the relay to ground properly then it will start in any gear, leaving the neutral switch free to do
the dashboard lamp.
|
|
|
adithorp
|
| posted on 4/8/07 at 01:51 PM |
|
|
So having looked at the wiring diagram; You cut the blue wire coming out of the relay to the neutral swith and connesct the relay side to earth. Then
cut the light blue and white from the relay to the dash neutral light and connect the dash side to the neutral switch side of the blue wire.
then you can start in gear and the neutral ligt still works. Have I got that right?
Adrian
|
|
|
smart51
|
| posted on 4/8/07 at 03:56 PM |
|
|
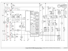
short the points where the red arrows are to make it start in gear. You do nothing to the light blue wire at all.
  Rescued attachment r1.GIF
|
|
|
adithorp
|
| posted on 4/8/07 at 04:02 PM |
|
|
Ahh... but mines an '06.
Adrian
|
|
|