mistergrumpy
|
| posted on 17/2/08 at 08:44 PM |
|
|
ZX9R Thermostat
I've noticed there's a pipe coming off the top of my thermostat on my C1 engine. At present it isn't connected to owt and just pumps
out loads of steam. Where should I connect it into? The pipes running to the rad (pre cooled) or the pipes coming away from the rad (post cooled)?
I'm hoping that this could solve a big problem for me. I think the air intakes were sucking this steam in. I don't want to think further
just cross my fingers that it'll all sort out.
|
|
|
|
|
roadrunner
|
| posted on 17/2/08 at 09:08 PM |
|
|
Hi Chris, mine is connected to the top pipe on my header tank, seems to do the trick ok.
|
|
|
mistergrumpy
|
| posted on 17/2/08 at 09:21 PM |
|
|
Cheers mate. I couldn't decide whether at that stage its passed through the thermostat or not. I'll give it a bash.
|
|
|
mackei23b
|
| posted on 17/2/08 at 09:39 PM |
|
|
quote: Originally posted by roadrunner
Hi Chris, mine is connected to the top pipe on my header tank, seems to do the trick ok.
Mine to!
|
|
|
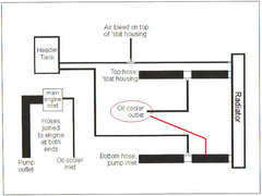
matt.c
|
| posted on 17/2/08 at 10:28 PM |
|
|
Me aswell but my engine hasn't been started yet tho..
  RAD HOSE SETUP
EDIT: dont worry about the RED bit.
[Edited on 17/2/08 by matt.c]
|
|
|