theprisioner
|
| posted on 30/1/12 at 11:41 PM |
|
|
Sylva new build
I am new to this site, I am looking for help/comment on my recently started Sylva project, issues like choice ECU, fuel tanks, wiring etc
I would appreciate these possible help/comments as I have never built a car from scratch before!
see: http://sylvabuild.blogspot.com/
|
|
|
|
|
the constant builder
|
| posted on 31/1/12 at 12:26 AM |
|
|
Glad to see you've added some more interesting pics to your blog. Big end bearing does look a bit worn. Don't think that many people have
used the sigma engine, but I'm sure someone will be along to offer some good advice on ECUs etc soon.
What is the grin on your face going to be like when you collect the kit from Jeremy???
All the best Angus
|
|
|
jabbahutt
|
| posted on 31/1/12 at 07:53 AM |
|
|
Only advice I can give is remember to enjoy the build. It's not meant to be a trial, if things aren't going right walk away, post your
problems here and take another look with fresh eyes when you feel in the right mood.
Just wish I'd taken my own advice on several occasions when the red mist decended
Enjoy
|
|
|
theprisioner
|
| posted on 31/1/12 at 09:41 AM |
|
|
Thanks for the support so far, at least I appear to have found the right section to post and I have not been flamed yet!
The two issues consuming my thoughts just now are:
a) The fuel tank options. The standard design puts the tank in part of the footwell, so unless your passenger is less than 4'6" youy have
a problem. The J15 is blessed with voids in the bodywork so moving the tank shoud not be impossible. However it has to be moved to a location you can
fill easily and complies with the dreded iva. Has anyone been down this road?
b) I had planned on using the Ford ECU, unfortunately it comes with an inter-module comms bus that needs to see redundant modules like the ABS which I
don't plan to fit. As an ex-engineer I loath redundant kit just to satisfy a bit of software. Does anybody know if this can be programmed
out?
c) Another problem with the standard loom is the shear volume of some components like the fuse box etc, it all takes up a huge volume.
d) The standard instruments don't look sexy in a kit car of that type (retro classic) in my opinion!
e) A new ecu/wiring/programming compatible with the existing fuel injection/vvt is about £1800.
I very much hope to follow the above advice!! thanks.
|
|
|
I predict a Riot
|
| posted on 31/1/12 at 10:03 PM |
|
|
Hello,
Nice to see that you have made a sensible choice of kit.
I have been building my Riot for nearly two years now and I am about 85% finished.
I have fitted a Ford Sigma 1.7l engine from a Puma and I have re-used the Ford ECU. The engine runs sweetly with the harness stripped down to the bare
essentials but I have yet to road test it.
You can get rid of most of the unnesesary bits from the engine harness - I can give you all the ECU pin outs if you need them.
Best of luck
Adrian
|
|
|
Beardy
|
| posted on 1/2/12 at 04:06 AM |
|
|
J15
Thinking along similar lines with regards the fuel tank. Not so much on the grounds of reduced leg room for the passenger, but more due to the
relatively small capacity and the fact that it is near the extreme of the wheelbase and therefore has a big influence on polar moment depending upon
whether its full or empty.
I think that you can build a sufficiently large toblerone shaped tank and fit it low down and transverse behind the seats and in front of the
engine/drivetrain. Since the induction is high up and the exhaust sticks out the back this should be relatively safe from heat sources and of course
is ideal from the perspective of crash protection. I think there should be space and there is always the option of the 6cm increase in space with the
long wheelbase chassis built for bike engines. It is also good from the point of view of having a variable mass near the center of gravity and so
having less of an impact on dynamics when empty/full.
I was intrigued by Tim Hoverd's use of a forwards pointing exhaust system to push more weight forwards and this seems a good idea.
megasquirt the engine.
One thought that i havent seen discussed is the lack of real room for optimal induction length. The Sigma and Duratec engined cars I have seen photos
of seem to have the trumpets almost up against the rear of the seats which can't be good for breathing yet still appear to be too short for
optimal enigne performance with roadable rev range.
Another question is how to make a nice job of the rear clamshell with a proper rear hoop/diagonal and rear stays. Some sort of removable engine cover
is reqired to make routine maintenance like checking the oil, relatively painless. Otherwise you have to either compromise on the roll protection, or
unhook the rear stays and tip the entire clamshell back everytime you want to check the engine fluid levels.
Anyway, some thoughts as I muse on a virtual J15 build and live vicariously through others...
|
|
|
monkeyarms
|
| posted on 1/2/12 at 08:21 AM |
|
|
Good luck with the build, I am probably 90% complete on my J15 after 1 and half years and have really enjoyed it. This forum has proved to be
invaluble to me, so you are in the right place
My car is 1.4 zetec engined with ford ECU, and I cant recommed it enough, for many reasons.
I went for the standard fuel tank, when I drove the demonsstrator car my 6'2" friend was passenger and it wasnt too bad, but can
understand what you mean.
If you have questions fire away!
Good luck and enjoy
Richard
|
|
|
adithorp
|
| posted on 1/2/12 at 09:03 AM |
|
|
quote: Originally posted by monkeyarms
If you have questions fire away!
Richard
Hmmm, maybe a poor choice of words on a tread about fuel tanks
How long do you think it's going to be before you're on the road? Will be good to see a J15 at the shows.
"A witty saying proves nothing" Voltaire
http://jpsc.org.uk/forum/
|
|
|
monkeyarms
|
| posted on 1/2/12 at 09:14 AM |
|
|
I am really hoping to IVA this summer if i get my finger out. I tend to spend way too long thinking about silly little things, rather than "just
get it done good enough for IVA"
Like "how should I secure this cable, tie wrap, p-clip, sticky tie wrap base, riveted tie wrap base" etc etc. I annoy myself with it!
|
|
|
theprisioner
|
| posted on 1/2/12 at 08:29 PM |
|
|
This forum has been invaluable and I have just joined thanks for all that have commented. I hope to have mine finished in the next year or so, having
just started. I have a Westfield to run around in in the mean time, it was what got me interested in kit cars. I don't think a Westfield is as
much of a kit as a J15 is going to be.
|
|
|
jeffw
|
| posted on 2/2/12 at 06:45 AM |
|
|
There is a build thread on the JPSC website (http://www.forum.jpsc.org.uk/) of a guy doing a Duratec engined J15 which is almost IVAed. He has a
large fuel tank in front of the passenger footwell without an issue as far as I can see.
He has also been able to get decent length inlet in without being hard up against the rear bulkhead (well not quite)
|
|
|
RichN
|
| posted on 2/2/12 at 12:35 PM |
|
|
I have a completed and IVA'd RIOT with a 1.25 Zetec-SE from a Fiesta, which utilises the Ford ECU and PATS. I believe that the earlier Ford
ECU's were fairly simple (mine was from a 97 Fiesta) and I didn't have an extra modules.
Have you removed it from the car yourself along with the engine? I did this and whilst it took a while to label up all of the wiring I knew that the
engine worked before I took it out. The loom is a nightmare because there is so much stuff that you don't need and can be removed i.e. the
lights etc..... but once it's done you will understand it very well.
It may be worth getting a Haynes manual and the Ford TIS CD (if your donor is pre-2004) if you can, I found them invaluable.
Where in the country are you?
|
|
|
theprisioner
|
| posted on 4/2/12 at 07:40 PM |
|
|
ECU wiring
See: http://sylvabuild.blogspot.com/
The PATS wiring is not obvious?
|
|
|
ceebmoj
|
| posted on 4/2/12 at 09:34 PM |
|
|
I'm 6,3" so when I went for a look, I realised I would need to move the fule tank if I ever wanted to be a passenger.So I looked at
putting a fule tank in each sill.
|
|
|
theprisioner
|
| posted on 5/2/12 at 12:17 AM |
|
|
Beige relay box?
Does anybody know what this is

|
|
|
Madinventions
|
| posted on 5/2/12 at 01:03 AM |
|
|
Hi, I'm another Puma 1.7VCT/Ford EEC-V ECU user!
The PATS wiring should be documented in the TIS information, mine certainly was. Let me know what year your engine is and I'll see if I can dig
out the info.
I'm not sure what the beige box above is, but I'll hazard a guess it's the airbag controller so it can be binned (it's not
connected to the ecu at all). Put it to one side for now.
My Mojo build diary website is in the links below in case you may find it useful...?
Ed.
Mojo build diary: http://www.madinventions.co.uk
Solo music project: Syrrenfor http://www.reverbnation.com/syrrenfor
View my band website:
http://www.shadowlight.org.uk
http://www.eastangliankitcars.co.uk/
|
|
|
Madinventions
|
| posted on 5/2/12 at 01:10 AM |
|
|
Sorry, just read your blog and saw that your engine is 1997. I'll dig out the TIS dvd and have a look.
As an indication, I put a video up on YouTube of my Puma test bed -
< LINK > This shows roughly
what is needed to get it running, and there are some photos in my archive that show the wiring a bit more clearly.
Ed.
Mojo build diary: http://www.madinventions.co.uk
Solo music project: Syrrenfor http://www.reverbnation.com/syrrenfor
View my band website:
http://www.shadowlight.org.uk
http://www.eastangliankitcars.co.uk/
|
|
|
Madinventions
|
| posted on 5/2/12 at 01:39 AM |
|
|
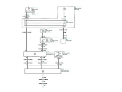
Ok, PATs information is on drg 419-01B-00-002 which shows:
PATs transceiver 1 (ye/gn) to pin 4 of C2 (+12V from F28)
PATs transceiver 2 (bk/gn) to pin 3 of C2 (ground)
PATs transceiver 3 (gy/og) to pin 19 of ecu via pin 1 of C2
PATs transceiver 4 (wh/gn) to pin 53 of ecu via pin 2 of C2
To find this, go to 'group 1 - general information' and click 'Systems overview 100-00-01-001'. Under the front wheel on the
picture you'll see 'Anti-theft - Passive' which will take you to the drawing.
  Puma 1.7 PATs wiring
Here's my lashup that I used...
  Puma fusebox
Hope this helps,
Ed.
[Edited on 5/2/12 by Madinventions]
Mojo build diary: http://www.madinventions.co.uk
Solo music project: Syrrenfor http://www.reverbnation.com/syrrenfor
View my band website:
http://www.shadowlight.org.uk
http://www.eastangliankitcars.co.uk/
|
|
|
monkeyarms
|
| posted on 5/2/12 at 11:37 AM |
|
|
Just to suppliment what Madinventions has posted, I have attched a picture of my fusebox with the connections needed to run the engine. You need to
identify for your car/loom -
PATS
Ign poss 2
Ign poss 3
fuel fump
Clock/pats LED is usefull but not essential
Also there may be a clutch switch and/or neutral swtich to deal with.
Just dont cut any wires you dont need to, I made that mistake.
And as Madinvention video shows, you can start the engine on a pallet with a coffee jar!

|
|
|
I predict a Riot
|
| posted on 5/2/12 at 03:09 PM |
|
|
Sigma ecu connections
I have sent you an u2u with all the ecu connections.
|
|
|