SteveWallace
|
| posted on 10/3/13 at 07:30 PM |
|
|
Progress report BMW Viento Electrics
Its been quite a job to get my BMW engine electrics connected to my Premier Loom and Sierra column, but now its done and it all seems to work, so I
thought that I would post a couple of pictures to mark this milestone. The complexity was caused by having to get the BMW immobiliser to talk to the
ECU so that the engine would work.
Also, I could not replace the Sierra ignition switch with the BMW one with the immobiliser chip, so I have built it in behind the dashboard. The
three modules are i) the BMW key and sensor; ii) the sensor transmitter; iii) the EWS (which sends the OK signal to the ECU. Basically, without the
BMW chip key, the car is going nowhere, so should be good for IVA.
I have also mapped out the BMW engine loom electrics, so if anyone is doing something similar, let me know and I'll send you a copy of the
drawing (will also post on here after I've tidied it up).
To make the engine bay tidy, I have enclosed the very complicated BMW engine loom wiring in a home made ali box

|
|
|
|
|
Simon
|
| posted on 10/3/13 at 07:54 PM |
|
|
Very nice - always one of the things on toy car I was never happy with (buit it worked ok )
ATB
Simon
|
|
|
big_wasa
|
| posted on 10/3/13 at 07:55 PM |
|
|
Good work, that little wiring is a lot less work than fulley maping a car from scratch with stand alone and a lot cheaper aswell. 
|
|
|
johnay
|
| posted on 10/3/13 at 08:18 PM |
|
|
It looks very good.
I am in the middle of fitting the BMW electrics in to my MNR vortx, so a copy of the drawing would be useful.
Cheers
John
|
|
|
SteveWallace
|
| posted on 11/3/13 at 12:21 PM |
|
|
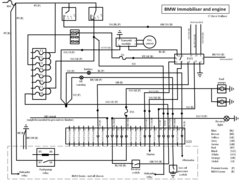
Further to my post at the start of this thread, the first diagram below shows how the BMW engine loom is attached to my premier loom and Sierra
ignition switch. The long 25 pin connector at the bottom is the large round connector on the BMW loom which is labelled as X20 in BMW electrics
manuals. I used this at the start to get everything working, but as its quite bulky and I didn't need most of the connections, I subsequently
cut it off and replaced it with 2 push fit six pin connector blocks as shown in the picture above.
The final wiring is shown in the second diagram. The third 6 pin connector block was used to wire together the transmit and EWS modules and to
provide power and earth to them via the Premier Loom.
My research has shown that there have been some limited changes in wire colours between age and model of BMW, but that the pin numbers remain the
same.
The diagrams might not be too clear as JPG's, so if anyone wants them in Powerpoint format so that they can modify for their own use, send me a
U2U with your e-mail address. I also have a PDF of the comprehensive BMW electrics manual.
The usual warnings apply - if you follow my diagrams then melt your car and burn your house down, its not my fault
  BMW wiring showing X20
  Final wiring of BMW loom
[Edited on 11/3/13 by SteveWallace]
|
|
|
NeilP
|
| posted on 28/3/13 at 07:12 PM |
|
|
Must be close to a start vid, Steve?
Hope you're well - catch up when the weather's better.
N.
If you pay peanuts...
Mentale, yar? Yar, mentale!
Drive it like you stole it!
|
|
|
vincenthoulihan
|
posted on 16/7/14 at 11:12 PM |
|
|
Hey Steve
Sorry I am new to this form but from looking at this tread I can see you are handy with BMW electrics. I have a BMW e36 325i 97 engine which I am
fitting to a older e36 body. The issue I have is with the EWS2 system on the engine which is not on the car and am in the process of trying to wire it
into the loom. I am just wondering is there any advice you could give me? Your wiring diagrams are very helpful and I have used them so far but the
engine still wont spark (it will turn over). Do you have any further documents which might give me more insight into the problem? Any help would be
appreciated as the engine has broke my heart now with been sitting so long and not moving 
|
|
|
SteveWallace
|
| posted on 17/7/14 at 08:31 PM |
|
|
Hi Vincent,
Welcome to the forum. You will find the answer to most questions here. I have got a PDF of the official BMW wiring manual that shows every connector
and junction. It takes a bit of getting used to, but if you send me a U2U with your e-mail address, I'll send it over to you.
If the engine is turning over but not starting, it sounds as though the immobiliser is not talking to the ECU. The immobiliser contains a relay in
the starter motor circuit that closes when the chip in the key fob is detected. This is independent of a separate signal that is sent to the ECU at
the same time so it is possible to have the engine turn over even though the ECU is not on.
If the code that is sent to the ECU does not match the one in its memory then the ECU will not switch on and you will not get a spark. Are you sure
that the ECU that you have matches the immobiliser and key chip?
Other than that, I could send you details of a guy in Birmingham who reprograms BMW ECUs. Amongst other things, he can do an EWS delete, but you
would need to send him the version number of the ECU that you have as they are not all reprogrammable.
The other thing to look out for when you get it running is that, depending on the ECU, you may have a problem with limp home mode triggering if you
don't have ABS on your car. Some ECUs look for that signal. Again, this can be software deleted.
[Edited on 17/7/14 by SteveWallace]
|
|
|
vincenthoulihan
|
posted on 18/7/14 at 08:05 AM |
|
|
Thanks for the reply Steve.
I will send you a U2U, that pdf would be handy. The strange thing is when I pull the key away from the pickup coil for the transmitter unit which
feeds a signal to the EWS unit the engine will still turn over which doesn't make sense to me at all from looking at a few wiring diagrams of
the EWS circuit. Hmm by the sounds of it I might be better off get the EWS delete by reprogramming but I wouldn't mind just trying a few things
before I send the ECU away to the professionals
[Edited on 18/7/14 by vincenthoulihan]
|
|
|