Printable Version | Subscribe | Add to Favourites
New Topic New Poll New Reply
Author: Subject: Wheel Spacers
Daddylonglegs

posted on 16/3/09 at 09:32 AM Reply With Quote
Wheel Spacers

Hi all.

Trying to decide whether to go for 20mm or 25mm spacers on the car. How much thread do I need to leave exposed for the nuts to fit?

I am using closed-end wheel nuts and I reckon that if i use 25mm spacers, I should have about 15mm of thread left for the wheel nuts (I have fitted 65mm long studs). Do you think this will be enough?

Cheers,
JB





It looks like the Midget is winning at the moment......

View User's Profile View All Posts By User U2U Member
JC

posted on 16/3/09 at 09:50 AM Reply With Quote
Just my opinion, but when fitting spacers, I think that you are better off with the 'hub centric' type that bolt to your hub and have there own separate bolts for the wheel. Much less chance of wheel wobble, sheered over long nuts etc.
View User's Profile E-Mail User Visit User's Homepage View All Posts By User U2U Member
TimC

posted on 16/3/09 at 09:52 AM Reply With Quote
quote:
Originally posted by JC
Just my opinion, but when fitting spacers, I think that you are better off with the 'hub centric' type that bolt to your hub and have there own separate bolts for the wheel. Much less chance of wheel wobble, sheered over long nuts etc.


Yep - I wouldn't use anything else! U2U daniel mason - he may have a pair of top-spec eibach spacers for sale.






View User's Profile View All Posts By User U2U Member
mcerd1

posted on 16/3/09 at 11:18 AM Reply With Quote
I thought the thread length in the nuts was supposed to be the bolt diamiter (12mm) + 2 thread pitches (2x1.5mm)
=15mm minimum [I could be wrong thought ]


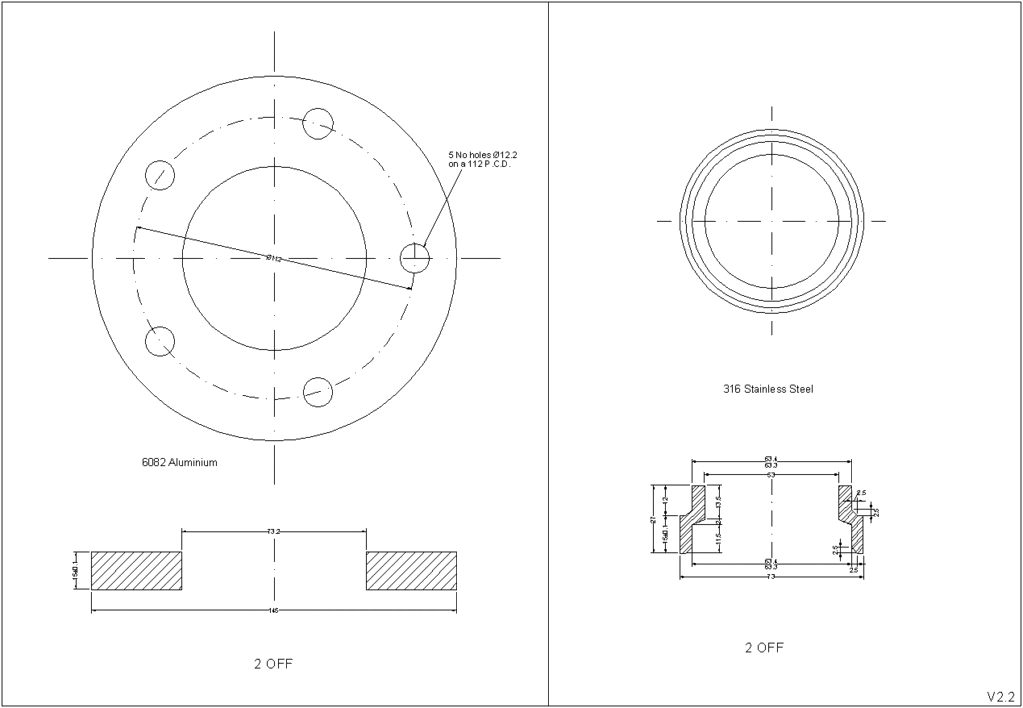
I drew these up to suit the sierra rear hubs - you need long studs, but they are hub centric



and these are the 15mm spacers I actually made for my granada hubs



[Edited on 16/3/09 by mcerd1]

[Edited on 16/3/09 by mcerd1]

View User's Profile View All Posts By User U2U Member
Daddylonglegs

posted on 16/3/09 at 12:12 PM Reply With Quote
If I use hubcentric spacers, can I still use the spigots I got to suit my wheels?

Also, will I have to replace the bolts with the original shorter ones?

JB





It looks like the Midget is winning at the moment......

View User's Profile View All Posts By User U2U Member
mcerd1

posted on 16/3/09 at 02:55 PM Reply With Quote
quote:
Originally posted by Daddylonglegs
If I use hubcentric spacers, can I still use the spigots I got to suit my wheels?


do you mean the plastic ring things ?


as for the bolts I think some of these spacers come as kits with all the bolts you need


eibach spacers - the thiner ones just use long studs (the same as my design) linky

[Edited on 16/3/09 by mcerd1]

View User's Profile View All Posts By User U2U Member
daviep

posted on 16/3/09 at 03:02 PM Reply With Quote
Don't be too afraid of the basic aluminium wheel spacers. As long as you use a bit of comon sense when fitting them then you will have no problems. They don't shear wheel studs, over tightening shears studs. Torque the wheel nuts to the correct torque and give the wheel a spin to make sure everything looks right.
View User's Profile E-Mail User View All Posts By User U2U Member
minitici

posted on 16/3/09 at 07:30 PM Reply With Quote
quote:
Originally posted by JC
Just my opinion, but when fitting spacers, I think that you are better off with the 'hub centric' type that bolt to your hub and have there own separate bolts for the wheel. Much less chance of wheel wobble, sheered over long nuts etc.


Despite the perceived engineering advantage of these type of 'bolt on' spacers, they may not be acceptable for competition use if you are running under msa regulations.

These 'spacers' would in fact appear to be 'composite extended wheel studs' which are not permitted.

There is a 'flimsy' argument that they are part of the hub, however I have consulted an msa technical scruitineer and he confirms that these would be considered as extended wheel studs.

View User's Profile Visit User's Homepage View All Posts By User U2U Member

New Topic New Poll New Reply


go to top






Website design and SEO by Studio Montage

All content © 2001-16 LocostBuilders. Reproduction prohibited
Opinions expressed in public posts are those of the author and do not necessarily represent
the views of other users or any member of the LocostBuilders team.
Running XMB 1.8 Partagium [© 2002 XMB Group] on Apache under CentOS Linux
Founded, built and operated by ChrisW.