designer
|
| posted on 9/11/08 at 07:10 PM |
|
|
Cortina spindles again
Anybody got a detailed drawing, with dimensions, of the Cortina spindle?
|
|
|
|
|
Mark Allanson
|
| posted on 9/11/08 at 07:23 PM |
|
|
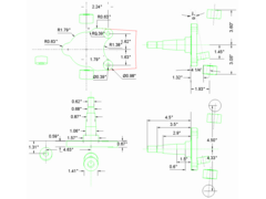
The whole hub carrier - any good?
  Rescued attachment Cortina Upright.gif
If you can keep you head, whilst all others around you are losing theirs, you are not fully aware of the situation
|
|
|
designer
|
| posted on 9/11/08 at 08:18 PM |
|
|
Perfect, now to get drawing.
|
|
|
ettore bugatti
|
| posted on 13/11/08 at 01:14 PM |
|
|
Perhaps this is usefull too?
  ford cortina front suspension
|
|
|