rallyelwood
|
| posted on 22/8/09 at 09:42 AM |
|
|
Sierra upright drawing
Hi.
I'm looking for a drawing of the Sierra upright. Anyone who want to share or can point me in the right direction?
Saab 99 GLT16 -84
Kobolt Runabout mkI -?? (Haynes Roadster)
|
|
|
|
|
Flamez
|
| posted on 22/8/09 at 10:19 AM |
|
|
After a quick search there is discussion here and a drawing halfway down
the page.
my build mac1motorsports
|
|
|
Flamez
|
| posted on 22/8/09 at 10:19 AM |
|
|
After a quick search there is discussion here and a drawing halfway down
the page.
my build mac1motorsports
|
|
|
Chippy
|
| posted on 22/8/09 at 03:43 PM |
|
|
Hi, you have U2U, and an email, (hopefully), :-):-) Cheers Ray
To make a car go faster, just add lightness. Colin Chapman - OR - fit a bigger engine. Chippy
|
|
|
Alex.
|
| posted on 24/8/09 at 11:09 AM |
|
|
Hi,
Would anyone be able to point mein the direction of a drawing of the Cortina upright?
I want to use the front upright of my Transit donor to keep the wheel PCD the same, but need to compare it to a Cortina one to see if it is
possible.
Alex.
[Edited on 24/8/09 by Alex.]
[Edited on 24/8/09 by Alex.]
|
|
|
Mark Allanson
|
| posted on 24/8/09 at 04:08 PM |
|
|
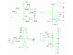
Sierra
  Rescued attachment sierra_upright.jpg
If you can keep you head, whilst all others around you are losing theirs, you are not fully aware of the situation
|
|
|
Mark Allanson
|
| posted on 24/8/09 at 04:08 PM |
|
|
Cortina
  Rescued attachment Cortina Upright.gif
If you can keep you head, whilst all others around you are losing theirs, you are not fully aware of the situation
|
|
|
Mark Allanson
|
| posted on 24/8/09 at 04:09 PM |
|
|
Cortina again
If you can keep you head, whilst all others around you are losing theirs, you are not fully aware of the situation
|
|
|
aitch
|
| posted on 9/12/09 at 06:22 PM |
|
|
castor?
will ask here rather than starting a new post?
what is the correct castor angle?
should the ball joints be vertically one above the other?
thanks
aitch
|
|
|
filemon
|
| posted on 26/1/10 at 07:34 PM |
|
|
Maybe attached drawing would be helpfull
  Rescued attachment sierra upright.jpg
|
|
|
kt1stp0
|
| posted on 3/4/14 at 02:34 PM |
|
|
Hello,
I'm looking for a HD version of the picture of le last reply.
Do you have that ?
Thx
|
|
|