Litemoth
|
| posted on 19/9/13 at 01:55 PM |
|
|
Ball Joint Headscratcher
I'm fitting some of the Raceleda (Sierra) uprights to my (Raw era) Striker. The striker has Metro ball joints top and bottom.
The Raceleda uprights will accept the screw in metro ball joint at the top - sorted
The bottom though, has a taper sleeve to accept (I think) a Maxi bottom balljoint. It seems that a Maxi taper spindle is 'fatter' than a
metro taper taper spindle by around 1mm (if you see what I mean). My lower Striker wishbone has a threaded socket to accept the metro balljoint but
the maxi has a bolt-on flange affair so I can't directly swap without surgery.
I have stumbled across the use of the Princess/Ambassador ball joint which is a screw in type like the metro but MAY be a wider spindle like the
Maxi.
Can anyone confirm if the Maxi and Princess spindle diameters are the same?
Ideally I would change the upright inserts to accept the metro joints but they don't seem to exist.
[img]
  Description
[/img]
[img]
  Description
[/img]
[img][pg]100974[/pg[/img]
[img]
  Description
[/img]
[Edited on 19/9/13 by Litemoth]
|
|
|
|
|
ashg
|
| posted on 19/9/13 at 06:36 PM |
|
|
they will be made to sierra dimensions. to get a standard sierra hub to take a maxi ball joint you have to ream it out.
you will be needing this and a bit of elbow grease.
http://www.axminster.co.uk/axminster-axminster-handy-reamer-prod23107/#bottomsection
its the 19mm one you need to order.
Anything With Tits or Wheels Will cost you MONEY!!
Haynes Roadster (Finished)
Exocet (Finished & Sold)
New Project (Started)
|
|
|
Litemoth
|
| posted on 19/9/13 at 07:34 PM |
|
|
Thanks for the input but it's not a Sierra dimension taper. Have a look at the picture of the hole above. It's bigger than a Metro
dimension ball joint taper and that's the problem. I suspect it was made for Maxi or Transit joints
I can't find a ball joint big enough to fill the hole so making it bigger still won't do me any favours. 
|
|
|
adithorp
|
| posted on 19/9/13 at 07:49 PM |
|
|
There are two sizes of tapper on the EARLY Metros but they were soon altered to one size. Think the one you have will be the latter, common one (like
my Fury top). Not sure which one was the fattest but it might be the rare early one and that might fit... If you're feeling lucky.
"A witty saying proves nothing" Voltaire
http://jpsc.org.uk/forum/
|
|
|
Litemoth
|
| posted on 19/9/13 at 08:08 PM |
|
|
Yea, trust my luck to have a rare configuration. I bought the uprights way back and have had them sitting on the shelf. Now I've come to install
them, they aren't supported (thanks to all at RAW for researching the hubs and bearings/brakes for them by the way)
I've found this MNR response/quote on RHOCAR from a similar query that someone had made about the Sierra uprights:
quote:
hi all marc at mnr here
we have not messed up as scott has put it, these uprights fit all cars that run the std config sierra upright with maxi balljoints lower and transit
top, the reason people use the maxi lower is greater articluation and the need not to have a long strut top adapter that you guys have for some
reason, i havent modellled it in my suspension priogramme but im pretty sure it will give some strange numbers on camber gain, roll centres etc
hope this helps clarify the situation and the reason we are no longer able to supply parts for robin hood cars as there are just too many anomolies
to deal with
best regards
marc
From that I take it that the MAXI may have a fatter taper and hopefully so does the Princess which may a screw-in version of the same thing - which I
can use to get me out of the shet.
|
|
|
adithorp
|
| posted on 19/9/13 at 08:54 PM |
|
|
quote: Originally posted by Litemoth
Yea, trust my luck to have a rare configuration. I bought the uprights way back and have had them sitting on the shelf. Now I've come to install
them, they aren't supported (thanks to all at RAW for researching the hubs and bearings/brakes for them by the way)
I've found this MNR response/quote on RHOCAR from a similar query that someone had made about the Sierra uprights:
quote:
hi all marc at mnr here
we have not messed up as scott has put it, these uprights fit all cars that run the std config sierra upright with maxi balljoints lower and transit
top, the reason people use the maxi lower is greater articluation and the need not to have a long strut top adapter that you guys have for some
reason, i havent modellled it in my suspension priogramme but im pretty sure it will give some strange numbers on camber gain, roll centres etc
hope this helps clarify the situation and the reason we are no longer able to supply parts for robin hood cars as there are just too many anomolies
to deal with
best regards
marc
From that I take it that the MAXI may have a fatter taper and hopefully so does the Princess which may a screw-in version of the same thing - which I
can use to get me out of the shet.
I might have a pair of the other/early Metro joint hanging about somewhere as when I built my Fury they supplied the wrong ones. If I have (and can
find them) I can measure it to see if they're bigger than the ones you have. I'm not back in the workshop until Monday though.
"A witty saying proves nothing" Voltaire
http://jpsc.org.uk/forum/
|
|
|
Litemoth
|
| posted on 20/9/13 at 08:36 AM |
|
|
Thanks - I'd appreciate that. I've just measured the Metro ball joint and it's 13.97 at the smallest end of the taper.
|
|
|
TimEllershaw
|
| posted on 20/9/13 at 03:17 PM |
|
|
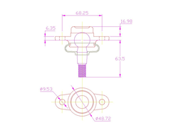
Does this diagram of the Maxi ball joint help :
  Maxi balljoint dimensions 02
  Maxi balljoint dimensions 01
From this old thread
[Edited on 20/9/2013 by TimEllershaw]
http://www.teenagecancertrust.org/
|
|
|
Litemoth
|
| posted on 22/9/13 at 08:50 AM |
|
|
Cheers Tim,
That is a big help. It confirms that the upright I have does take the (larger) maxi ball joint. I just have to hope that the princess joint is the
same now.
|
|
|