ubrben
|
| posted on 29/1/05 at 08:20 PM |
|
|
Front Uprights
I have a nagging feeling that I might want to design a Locost-esque car as a cheap summer car. Scanning the forum most people seem to be using Cortina
or converted Sierra uprights in the front suspension
My question is what other options are there for double wishbone setups? I have a feeling that various Hondas may have had double wishbone setups in
the 90s. Has anyone tried/had success with non-Ford parts?
Ben
|
|
|
|
|
phelpsa
|
| posted on 29/1/05 at 08:23 PM |
|
|
Lada uprights have been tried, but good look finding some
The trouble is finding ones with the same PCD as the rears you want to use.
Adam
|
|
|
niceperson709
|
| posted on 30/1/05 at 03:23 AM |
|
|
Look at Toyota Lite ace van and some other light vans mitubisshi L300 ect have suitable uprights , you can also use the toyota lite ace rear axel in a
live axel build and it has a 4 : 1 ratio
best wishes
Iain
Best wishes IAIN
life is not the rehearsal , it's the show so don't sit there thinking about it DO IT NOW
http://iainseven.wordpress.com/
|
|
|
zetec
|
| posted on 30/1/05 at 08:38 AM |
|
|
GT6/Spitfire are good as they are light and cheap. Spares are plentiful to cater for the classic/Caterham boys. Pretty sure you can also get hubs to
allow Ford wheel PCD.
" I only registered to look at the pictures, now I'm stuck with this username for the rest of my life!"
|
|
|
Peteff
|
| posted on 30/1/05 at 10:35 AM |
|
|
The trouble is finding ones with the same PCD as the rears you want to use.
Most don't carry a spare anyway so it doesn't matter that much. If you've just got the feeling I wouldn't worry too much about
details yet, it'll be a long time before it translates into reality. You either get in there and do it or sit there and think about it. If
you're designing as well as building it the summer will be long gone before you get anywhere near driving it.
yours, Pete
I went into the RSPCA office the other day. It was so small you could hardly swing a cat in there.
|
|
|
britishtrident
|
| posted on 30/1/05 at 01:36 PM |
|
|
Honda FWD parts are totally unsuitable the upright is very long and the top ball joint is cantilevered out over the centre of the tyre tread.
Triumph uprights are suitable wheel PCD is not a problem it matches the Marina rear axle as used by Careham. The Triumph upright comes in several
flavours - most Herald & Spitfire uprights are not much good as they restrict the brake options yhou csan fit Vitesse/GT6 are very suitable.
|
|
|
MikeR
|
| posted on 30/1/05 at 10:26 PM |
|
|
has anyone looked at mgf's ? i haven't i just read recently that they where double wishbone suspension and wondered if they'd do!
|
|
|
Mark Allanson
|
| posted on 30/1/05 at 10:32 PM |
|
|
As far as I know the MGF is just 2 metro's joined together with the engine at the back, just like Fiat did with 2 fiat 128's to make the
X19
If you can keep you head, whilst all others around you are losing theirs, you are not fully aware of the situation
|
|
|
britishtrident
|
| posted on 30/1/05 at 10:44 PM |
|
|
quote: Originally posted by Mark Allanson
As far as I know the MGF is just 2 metro's joined together with the engine at the back, just like Fiat did with 2 fiat 128's to make the
X19
Yes -- a couple of the latest type MGTF subframes with all suspension and brakes were on ebay last week . The picture showed the upright was
just a Metro/Mini part with a dummy live stub axle in place of the CV like the 2wd Sierra.
|
|
|
pgpsmith
|
| posted on 31/1/05 at 05:15 AM |
|
|
Do the GT6 uprights use lower ball joints or the trunnion setup as used (as I understand it) on the Spitfires?
I had dropped Spits from my short-list because I don't understand enough about the castor geometry issues involved with the trunnions. It seemed
like a "get it right, or do it all over again" detail. (Not that I won't be doing that anyway.) Am I "fleeing where no one
pursueth" here?
Also, does anyone know if the Hi Ace parts require redesigned bones / bracket locations? I've heard that the stub axel is quite a bit closer to
the lower ball joint than on the Cortina.
Mr. Pete
Live and don't learn, that's us. - Calvin and Hobbes
|
|
|
britishtrident
|
| posted on 31/1/05 at 09:07 AM |
|
|
Triumphs use trunnions there is no caster issue the Triumph upright is more suitable for a light car than the Cortina equivalent --- Caterham,
Lotus, TVR, Marcos, Brabham Mallock and many more made very good use of the Triumph part --- more correctly it is an Alford & Addler design
which has beenin continuous production for 50 or more years.
[Edited on 31/1/05 by britishtrident]
|
|
|
NS Dev
|
| posted on 31/1/05 at 09:20 AM |
|
|
Don't forget that you can buy super light fabricated uprights (designed for autograssing as an alternative to Viva/Cortina ones) from GB
Engineering, which take viva hubs, or use GB's own alloy hubs which can then take Ford wheels. The uprights can have either tapers or parallel
holes top and bottom for rose joints or balljoints.
I can't remember the price, think it was £250 for a pair of uprights, with alloy hubs, bearings and brake discs.
|
|
|
MikeR
|
| posted on 31/1/05 at 11:08 AM |
|
|
Now he mentions it..............
still, i'm going to look into mgf's and see what they are like...........
any idea what the elise uses?
|
|
|
chunkielad
|
| posted on 31/1/05 at 11:53 AM |
|
|
The elise uses BLOODY EXPENSIVE ones!!  
|
|
|
Lotusmark2
|
| posted on 31/1/05 at 12:00 PM |
|
|
quote: Originally posted by NS Dev
Don't forget that you can buy super light fabricated uprights (designed for autograssing as an alternative to Viva/Cortina ones) from GB
Engineering, which take viva hubs, or use GB's own alloy hubs which can then take Ford wheels. The uprights can have either tapers or parallel
holes top and bottom for rose joints or balljoints.
Do you have a linky for these people?
|
|
|
Mix
|
| posted on 31/1/05 at 12:22 PM |
|
|
Arn't the uprights on a Hyundi Stellar the same as Cortina ones?
Mick
|
|
|
NS Dev
|
| posted on 31/1/05 at 12:23 PM |
|
|
good ol' british engineers (they are primarily an automotive toolmaking company) so no internet site, I'll post phone number tonight when
I get home.
|
|
|
Peteff
|
| posted on 31/1/05 at 12:44 PM |
|
|
These do a kit.
hub kit Bit dearer than £250 though. I think MNR were doing this kit at a decent price as well but I've
not heard any more about it.
yours, Pete
I went into the RSPCA office the other day. It was so small you could hardly swing a cat in there.
|
|
|
TL
|
| posted on 31/1/05 at 01:09 PM |
|
|
Ben,
I have a pair of GT6 uprights fitted with ally hubs (4 stud Ford) and new 266mm vented discs with refurbed GT6 calipers, inc new wheel bearings. They
were tailored to fit some 14" Revolutions I have. A change of plans means that I am now not going to use them.
I also have some upper wishbones, but no lowers.
If you are interested, lot me know.
Cheers,
Terry
|
|
|
britishtrident
|
| posted on 31/1/05 at 02:07 PM |
|
|
quote: Originally posted by Mix
Arn't the uprights on a Hyundi Stellar the same as Cortina ones?
Mick
Yes except for the thread on the wheel bearing nut but when did you last see a rwd one of those
|
|
|
romkasponka
|
| posted on 31/1/05 at 08:48 PM |
|
|
Hi,
Dont you want to use axle from golf rear suspension, or something like this...
The rest you can make by your self if you have welder.
In my country LADA uprights is very cheap (about 10Eur), but the brakes are poor...and so on...
[Edited on 31/1/05 by romkasponka]
|
|
|
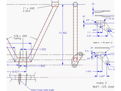
pgpsmith
|
| posted on 1/2/05 at 12:44 AM |
|
|
Tracked this down in my files - source unknown. This is what I meant by caster issues with the trunnion.
So, assuming that I can fab and weld the zig-zag piece accurately (BIG assumption), and assuming that 5 degrees of caster is the magic number, it
should be superior to a cortina solution?
  Rescued attachment SPFRAARM.jpg
Live and don't learn, that's us. - Calvin and Hobbes
|
|
|
grantmac
|
| posted on 1/2/05 at 03:54 AM |
|
|
So a Hyundai is the same upright as a Cortina? This certainly opens up a lot more donors for use North American crowd. Just how hard would it be to
convert to non-driven?
Grant
|
|
|
kiwirex
|
| posted on 1/2/05 at 08:50 AM |
|
|
quote: Originally posted by grantmac
So a Hyundai is the same upright as a Cortina? This certainly opens up a lot more donors for use North American crowd. Just how hard would it be to
convert to non-driven?
Grant
Only the very early stellars.
Even then they changed the suspension to McPherson strut early on, with the original body shape.
I think finding an early stellar will be about as easy as finding a whole cortina...
Good luck though.
- Greg H
|
|
|
Mix
|
| posted on 1/2/05 at 09:31 AM |
|
|
Well at least it doubles your chances of finding uprights 
Mick
|
|
|