andylancaster3000
|
| posted on 20/6/05 at 03:38 PM |
|
|
Cortina Uprights Dimensions
Has anyone got the dimensions of the cortina upright?
I have been thinking about fabricating some after seeing some of the things Rorty has posted on here and due to the rapidly drying up stocks of
uprights!
Thanks,
Andy
|
|
|
|
|
flak monkey
|
| posted on 20/6/05 at 03:40 PM |
|
|
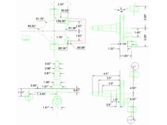
I have this which came from somewhere I cant remember!
Should give you enough to get the critcal dimensions.
David
  Rescued attachment cortina_upright drawing.gif
Sera
http://www.motosera.com
|
|
|
andylancaster3000
|
| posted on 20/6/05 at 03:54 PM |
|
|
Thats great, exactly what I was looking for!
Some strange angle's on there! I didn't realise the joint lugs pointed in all directions like that! Is there any reason for that? From how
I see it, aslong as they are offset the correct amount from each other (when viewed from the front) they don't need those strange angles. I can
understand it on the top lug, to match the andle of the top 'bone but not the bottom one or the track rod lug.
Any views on this?
Cheers,
Andy
[Edited on 20/6/05 by andylancaster3000]
|
|
|
andylancaster3000
|
| posted on 20/6/05 at 04:03 PM |
|
|
Sorry, completely ignore what i just said!!
There can only be one rotational axis so they can'y be offset without them inline with each other!!!!
|
|
|
ned
|
| posted on 20/6/05 at 04:12 PM |
|
|
i saw a cortina (or possibly granada) banger/stock car on the back of a lorry at thurrock services on the way back from snet on sunday, they do still
exist 
beware, I've got yellow skin
|
|
|
andylancaster3000
|
| posted on 20/6/05 at 04:30 PM |
|
|
What a waste...They're probably bent to b******y now though
Andy
|
|
|
flak monkey
|
| posted on 20/6/05 at 04:49 PM |
|
|
I know several people who regularly banger race cortinas, Mk3-5, and also some older stuff in pre 60's!
I got a pair of uprights off a Mk3 banger, only thing bent seems to be the splash shields which i dont need anyway!
There are still plenty of Cortinas around, its just a case of beating the BR boys to them
Sera
http://www.motosera.com
|
|
|
andylancaster3000
|
| posted on 20/6/05 at 05:08 PM |
|
|
Hmm.. I'm having great trouble getting them. Having said that, I havn't looked much further than Ebay. They seem a little expensive on
there. Any ideas of where to start?
Andy
|
|
|
flak monkey
|
| posted on 20/6/05 at 06:49 PM |
|
|
Your local banger track would be a good place, if you want to go that route. Talk to a few of the drivers, you will find they will know what cars
other drivers have lined up.
Or you could give tiger racing a call, they can usually supply a pair off a donor for a bit of cash. (most of theirs come from the local banger boys
)
David
Sera
http://www.motosera.com
|
|
|