Printable Version | Subscribe | Add to Favourites
New Topic New Poll New Reply
Author: Subject: Cortina upright KPI/SAI wanted
Andy S

posted on 8/1/07 at 05:03 PM Reply With Quote
Cortina upright KPI/SAI wanted

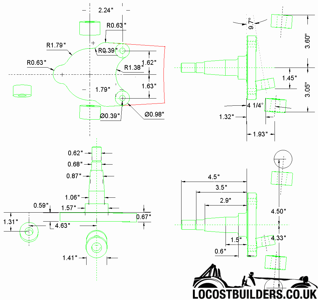
To save me having to strip and acurately measure one does anyone have the KPI/SAI detail for the Cortina upright - I have searched all over and all I can find is a figure of 4.8 - which seems low to me.

Cheers

Andrew

View User's Profile View All Posts By User U2U Member
Ivan

posted on 8/1/07 at 05:14 PM Reply With Quote
Perhaps this will help - copied from elsewhera on the forum - can't remember where.







View User's Profile View All Posts By User U2U Member
Andy S

posted on 8/1/07 at 05:29 PM Reply With Quote
Nearly - its just that the essential dimensions for calculating the SAI are missing

So close.....

Thanks

Andrew

Stoppress - just looked again at the drawing and noted the 4 1/2 degree and little arrow which looks like the right dimension - Boy thats a shallow ange - and explains quite a bit - many thanks


[Edited on 8/1/07 by Andy S]

View User's Profile View All Posts By User U2U Member
designer

posted on 8/1/07 at 07:46 PM Reply With Quote
I've got it on Autocad. Any good?
View User's Profile E-Mail User Visit User's Homepage View All Posts By User U2U Member
Andy S

posted on 8/1/07 at 08:07 PM Reply With Quote
Yes - I have PM'd you

Cheers

Andrew

View User's Profile View All Posts By User U2U Member
robinj66

posted on 8/1/07 at 09:31 PM Reply With Quote
For the completely thick (me) what are SAI & KPI ?
View User's Profile View All Posts By User U2U Member
Chippy

posted on 8/1/07 at 10:43 PM Reply With Quote
King pin inclination, and Stearing arm inclination. Ray





To make a car go faster, just add lightness. Colin Chapman - OR - fit a bigger engine. Chippy

View User's Profile E-Mail User View All Posts By User U2U Member
Andy S

posted on 9/1/07 at 10:58 AM Reply With Quote
King Pin Inclination

Steering Angle Inclination

Both the same thing but the KPI is almost an historical reference from the days of solid front axles.

Angle through the ball joints of the upright when looking at the car head on.

And it has about half the KPI of what is required for good geometry.

Cheers

Andrew

View User's Profile View All Posts By User U2U Member

New Topic New Poll New Reply


go to top






Website design and SEO by Studio Montage

All content © 2001-16 LocostBuilders. Reproduction prohibited
Opinions expressed in public posts are those of the author and do not necessarily represent
the views of other users or any member of the LocostBuilders team.
Running XMB 1.8 Partagium [© 2002 XMB Group] on Apache under CentOS Linux
Founded, built and operated by ChrisW.