t.j.
|
| posted on 20/5/07 at 07:08 PM |
|
|
redesign front suspension: measurements needed
Hi,
Does anyone have they exact measurement middlepoint bottom ball-joint to upper middlepoint ball-joint.
I measured 225 mm. Anyone better idea?
I'm using the cortina upright, transit balljoint M20x1,5; lower Fiat 124.
My wishbone brackets where standing at 220mm, i'm gonna make it approx. 200-205.
|
|
|
|
|
Mansfield
|
| posted on 20/5/07 at 07:14 PM |
|
|
Sorry that reply was for a Sierra upright.
[Edited on 20/5/07 by Mansfield]
|
|
|
Mark Allanson
|
| posted on 20/5/07 at 08:34 PM |
|
|
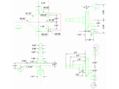
any good
  Rescued attachment Cortina Upright.gif
If you can keep you head, whilst all others around you are losing theirs, you are not fully aware of the situation
|
|
|
t.j.
|
| posted on 21/5/07 at 08:43 AM |
|
|
Thanks a lot,
I had the cortina measurements but not from the ball-joints.
Now i have, incl the Des Hammil book.
Now all things come together
BTW what are those measurements ???
there sure not millimetres
 
|
|
|
JoelP
|
| posted on 21/5/07 at 08:49 AM |
|
|
its inches.
|
|
|