smart51
|
| posted on 12/12/07 at 10:09 AM |
|
|
welded steering arms
The steering arms a friend of mine made for me foul against the wheel rim. I've ground them back to fit but it cuts into the hole where I was
going to bolt the track rod end. I've redesigned the arms but they're more complicated. Either I have to get them machined out of solid
or made in 2 pieces and welded.
Is welding up a steering arm a bad idea?
The welded arm would be a horizontal bar with a vertical bar welded on at the end.
|
|
|
|
|
Howlor
|
| posted on 12/12/07 at 10:36 AM |
|
|
I have a feeling although I may be wrong that some MOT testers would fail a welded arm.
Steve
|
|
|
nick205
|
| posted on 12/12/07 at 10:39 AM |
|
|
IIRC welded steering arms are an SVA NO NO although that may be bolted (or both).
IMHO provided the design is correct and the fabrication and welding is good then I don't see an issue. Not sure how insurers or the police etc
would view it though.
Any photos of what you're doing?
|
|
|
Mr Whippy
|
| posted on 12/12/07 at 10:41 AM |
|
|
quote: Originally posted by Howlor
I have a feeling although I may be wrong that some MOT testers would fail a welded arm.
Steve
not sure for the MOT but apparently a SVA fail, pity cos that's what I did
|
|
|
Mr Whippy
|
| posted on 12/12/07 at 10:44 AM |
|
|
I looks like what?
quote:
The welded arm would be a horizontal bar with a vertical bar welded on at the end. quote:
hmm, weird
depends on your welds though, a bit of blending (the old flapper wheel), a bit of paint, who'd know...
[Edited on 12/12/07 by Mr Whippy]
|
|
|
phelpsa
|
| posted on 12/12/07 at 10:57 AM |
|
|
I was going to say.... weld it properly (properly properly!) and grind it back and who could judge?
|
|
|
smart51
|
| posted on 12/12/07 at 11:01 AM |
|
|
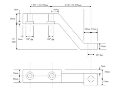
I was thinking something like this
  Rescued attachment complex suspension arm.JPG
|
|
|
smart51
|
| posted on 12/12/07 at 11:02 AM |
|
|
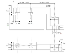
or perhaps this
  Rescued attachment square suspension arm.JPG
|
|
|
jollygreengiant
|
| posted on 12/12/07 at 11:38 AM |
|
|
Very grey area as regards MOT. The criteria for failure would be that it is obviuos that an item on the suspension or steering has been subjected to
'EXCESSIVE' heat.
You cannot test with hindsight or prior knowledge therefore the theory is that you could fail, say, a steering arm for being bent.
If you are the only technician as well as the mot tester, then you might be tempted to use the 'HOT' spanner to straighten said arm. Being
conscientious you might paint the arm once cooled. You then retest the vehicle and it passes. You have done nothing illegal however it would not be
'right'.
Oh and a good MOT tester would do it the 'right' way. The above was one of the moral issues that we used to debate.
Beware of the Goldfish in the tulip mines. The ONLY defence against them is smoking peanut butter sandwiches.
|
|
|
omega 24 v6
|
| posted on 12/12/07 at 12:25 PM |
|
|
In an ideal world it'd be made from a forging and then machined as it keeps the grain stucture flowing and makes it stronger. Also it'
would be heat treated to stress relieve it before machining. If it were me i'd make it from a solid block of steel BUT get rid of all the sharp
corners and radius them for better strength.
If it looks wrong it probably is wrong.
|
|
|
indykid
|
| posted on 12/12/07 at 02:38 PM |
|
|
raceleda arms are welded.
i know they get a fair bit of negative press for being so, but i've not heard of them failing sva, nor have i heard of them failing on the
road.
i'd personally be happier bending them from 15mm strip, or machining from solid.
what's it for?
tom
|
|
|
smart51
|
| posted on 12/12/07 at 02:46 PM |
|
|
I'm building a cabin scooter / micro car / bubble car. and am using mini front hubs and wheels. 10" rims are tiny and there's no
room for anything underneath them, including steering arms of more suitable geometry than the originals.
I'd love to have them machined out of solid. If anyone has the machinary to do it and charges reasonable prices, you're hired.
|
|
|
Howlor
|
| posted on 12/12/07 at 05:08 PM |
|
|
Not wanting to sound too killjoy but I suppose all these sort of things are generally ok until there is a problem.
Like the selby train crash guy, 999 times out of a 1000 falling asleep at the wheel would of ended up with a bent car and a possible ticking off. If
the arm was to break and you end up on a railway then your welding is going to be called into question. The chance is very slim but like everything it
does happen from time to time.
Steve
|
|
|
Wingnut
|
| posted on 14/12/07 at 01:37 PM |
|
|
quote: Originally posted by indykid
raceleda arms are welded.
FWIW I looked at a raceleda steering arm from a crashed fury.
The car had gone into the tyres at Mallory pk hairpin after a 'late braking' incident.
The front n/s wheel took most of the impact. the steering arm had bent quite badly but didn't break.
|
|
|
NS Dev
|
| posted on 14/12/07 at 03:15 PM |
|
|
as usual its up to the designer.
if one was to weld it at home with a 130 amp sip mig then one could expect to be in the 5hit if it broke and caused an accident.
Done properly and designed properly,
a) it won't break
b) if it did, it would be part of an accident which could have broken any steering arm subject to the same force and there is no case against you.
Retro RWD is the way forward...........automotive fabrication, car restoration, sheetmetal work, engine conversion
retro car restoration and tuning
|
|
|
JB
|
| posted on 16/12/07 at 05:23 PM |
|
|
Steering
"If your brakes fail, you can pick which tree you hit or wall you go through" "If your steering fails............"
I would never compromise on any aspect of steering. Therefore if you weld steering arms (something I would be very wary of doing) make sure you really
know what you are doing.
|
|
|