avagolen
|
| posted on 31/3/13 at 06:49 PM |
|
|
Sierra intermittent wiper relay with 5 pins !!!
Good evening everyone, I am on the scrounge for one of the above relays.
Either a part number / supplier (locost) or a relay.
Required as after wiring up my dash panel with the variable resistor, I found
my relay is only the four pin variety - explains why it made no difference
It also explains why I coud not find the variable speed control in my box of bits
from my donor..... after searching for hours. The relay base was wired for the P pin
but I did not realise it went nowhere...
Thanks in advance,
Len.
The Answer for everything, but never the last word....
|
|
|
|
|
big_wasa
|
| posted on 31/3/13 at 08:27 PM |
|
|
I have a tub of sierra relays but I would need more info.
|
|
|
avagolen
|
| posted on 31/3/13 at 08:34 PM |
|
|
Thanks for responding.
I am sorry to say that only info I have is
that the pins are P,54,B1,B2 and 31.
The central pin is the 'P' pin and the relay is larger than the 'standard' relay.
Len.
The Answer for everything, but never the last word....
|
|
|
rusty nuts
|
| posted on 31/3/13 at 08:52 PM |
|
|
IIRC it may be orange or red in colour if that's any help
|
|
|
big_wasa
|
| posted on 31/3/13 at 09:06 PM |
|
|
I will have a look tomorrow night after work.
|
|
|
avagolen
|
| posted on 31/3/13 at 09:08 PM |
|
|
Thanks.
The Answer for everything, but never the last word....
|
|
|
big_wasa
|
| posted on 1/4/13 at 06:29 PM |
|
|
The one in my box is P, 31, 31B1, 31B2, 54. Its a tall red relay. Internet info says it could be from any ford of that era but its a vairable one.
part number 68125
If you want it just send me a Self addressed jiffy bag. 
|
|
|
avagolen
|
| posted on 1/4/13 at 06:33 PM |
|
|
Hi Big_wasa, that sounds perfect.
Please will you U2U me your address and I will send a Jiffy bag as requested.
Len.
The Answer for everything, but never the last word....
|
|
|
big_wasa
|
| posted on 1/4/13 at 06:44 PM |
|
|
I will send you a u2u.
I know a sae sounds tight but I am working 60~70 hours a week at the moment and just will not get near the post office.
|
|
|
avagolen
|
| posted on 1/4/13 at 06:47 PM |
|
|
Thats fine with me.
Sounds like a very long week.
I am greatfull af any assistance. Are you sure you do not want any extra cash?
Len.
The Answer for everything, but never the last word....
|
|
|
big_wasa
|
| posted on 1/4/13 at 07:00 PM |
|
|
No, not needed it in the last ten years so doubt I will be missing it any time soon.
|
|
|
avagolen
|
| posted on 1/4/13 at 07:06 PM |
|
|
OK, Thanks.
Len.
The Answer for everything, but never the last word....
|
|
|
mccsp
|
| posted on 1/6/13 at 08:46 AM |
|
|
Hi guys,
I am after the same relay, but have been having trouble finding one. It seems to me that the 68125 occurs on a variety of relays. Are there any other
PN's on the relay?
My dad has managed to get hold of a large red relay with 68125, but the terminals have completely different labels.
Any help would be greatly ?
Regards,
Chris
Why do it the easy way, when I can do things my way!
|
|
|
avagolen
|
| posted on 1/6/13 at 01:22 PM |
|
|
Hi Chris,
The relay had identical part numbers etc as the 4 pin version.
Sorry but I cannot be more helful than that.
Len.
The Answer for everything, but never the last word....
|
|
|
mccsp
|
| posted on 18/3/14 at 11:01 PM |
|
|
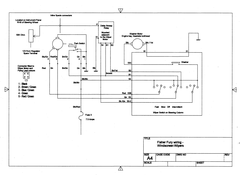
Hi guys,
Been a while since the last post on this thread, but don't suppose someone could share a wiring diagram for this relay?
Why do it the easy way, when I can do things my way!
|
|
|
avagolen
|
| posted on 19/3/14 at 07:42 PM |
|
|
Please have a look in my photo archive, BUild pictures.
Sierra switch gear and Mini wiper motor.
  wipermotorwiring2
Len.
[Edited on 19/3/14 by avagolen]
The Answer for everything, but never the last word....
|
|
|