MkIndy7
|
| posted on 15/9/07 at 07:50 PM |
|
|
R1 ITB's poor Vacume Pressure
.................. Don't sound too suprised by the post it seems to be a bit of a black art getting a descent Vacume/MAP pressure on individual
TB's and Carbs.
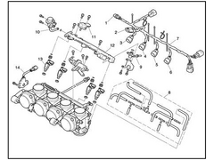
Here's a piccy of our R1 ITB setup
  R1 ITBs
This is from the service manual,
Item No8, is listed as "Negative Pressure Hose" and is connected to the "intake air pressure sencor"
Right, The other night when I finally got to look at all the dials and Guages in Megasquirt whilst somebody else was driving. I noticed there was a
poor vacume signal at times, as in that there was little variance in the Vacume signal between full or heavy throttle and cruising along, yet when you
backed off the throttle the was a good vacume.
When you floor it, as expected the value goes to 100Kpa.... yet when cruising e.g 40mph in 5th gear and little throttle its still displaying 95Kpa...
when you suddenly stop accelerating the vacume can go as low as 30Kpa.
Its normal idle is about 60Kpa +/-5 and about the best I can get it.
How do people think I can improve the Vacume signal?
Is it likely to be physical problem?
The Vacume tappings are only just the other side of the Throttle butterflies, could that be a problem? (most i've ever seen are in the
manifold).
The vacume pipes are also connected to the top of the R1 Fuel pressure regulator, and the Ford FPR were running on the Ford injectors as well.
Could the Throttle slides be causing this as they open and close tring to maintain a constant air velocity?.
OR could it be a problem with how Megasquirt is running? I've not got overrun fuel cut turned on as it makes the car really jerky to drive and
backfire when i've tried it, as does running closed loop (although without the accurate vacume to base the cut on that could be why).
At present it just appears to be using acceleration type fuel values because of the Vacume signal and thus uses loads of fuel regardless! (altho it
doesn't go massively ritch.. it just never leans out when your cruising)
P.S.. No I don't want to just give up and use the TPS 
|
|
|
|
|
bimbleuk
|
| posted on 15/9/07 at 08:02 PM |
|
|
If you want to see how its done on a factory car with ITBs but also power assited brakes etc then look for some pics of the Silvertop/Blacktop 4AGE
20V.
Basically the ITBs are joined to a small log chamber which is split horizintally by a metal gasket. The gasket has hole in the middle of it joining
the top and bottom. On the end of the top half there is a vacuum pot/chamber where all the hoses connect to.
To map my car with a plenum and boost we had to connect to the pot. Anywhere else and the signal was too erratic.
|
|
|
rf900rush
|
| posted on 15/9/07 at 09:08 PM |
|
|
Hi
I used GSXR600 Tbs's on My RF900 BEC
Same Problem
Seem to be normal on Bike engines.
I was advised to use the MS extra code
and use the Hybrid_Alpha-N option.
A mixture of TPS and MAP
Still yet to confirm if this is then best option.
|
|
|
bimbleuk
|
| posted on 16/9/07 at 09:37 AM |
|
|
Mixing TPS and MAP sounds very similar to how mine is currently mapped on an OMEX. I was told having 4 thottles would make the mapping more
complicated before starting and they were right. My main maps are still based on a fixed TPS and crank map corrected for coolant, air temp etc. The
MAP sensor then further corrects this as the manifold pressure changes.
|
|
|
MkIndy7
|
| posted on 16/9/07 at 09:52 AM |
|
|
Hmm thats an option but i'd prefer to use MAP alone as its a better indicator of engine load.
We've had Twin 40's running a MAP sencor before.. with each individual inlet being tapped on the manifold (rather than close to the
butterfly as they are now) and then commoned up with Y piece joiners untli they were a single pipe.
That was ok but it didn't give the same kind of range as when running on a single carb setup.
I've looked up the 4AGE setup and also another gizmo that they use for servo brakes when using that setup, something similar might not be too
hard to make up and try.
Just makes you wonder how, or if it ever worked on the Bike!
|
|
|
CairB
|
| posted on 16/9/07 at 03:53 PM |
|
|
I'd suggest that you consider switching to Alpha-n or hybrid Alpha-n for best performance at & near WOT.
With ITB's there tends to be a problem with due to the steep rise in VE requirements in the 90-100kpa region.
I've posted a few times about it on here & on the MS site.
Have a look at This Link for starters.
There is also a mod that I did that allows the spark to be based on MAP to be retained when using alpha-n / hybrid alpha-n.
I think that this is being incorporated into a version of the HiRes code.
HTH
Cheers,
Colin
|
|
|
martyn_16v
|
| posted on 16/9/07 at 04:32 PM |
|
|
That is about average for individual throttles, particularly bike ones that have a high closed throttle angle will have virtually no vacuum at very
low throttle openings.
You really are on to a hiding to nothing trying to keep using speed-density on ITB's (I know, i tried). The bike will almost certainly have used
an alpha-n algorithm (or a hybrid), it may also have used some other mechanical means to try and smooth the off-idle response a bit.
|
|
|
MkIndy7
|
| posted on 16/9/07 at 05:00 PM |
|
|
What have other people tried with regards to the Vacume then?
Have people tried joining them all together to a little resevoir then and its not worked?
(looking at some 4AGE info they can get enough pressure for the servo brakes on their TB's)
Tried tapping the manifold closer to the engine rather than just behind the throttle spindle? (we had a similar setup on the Twin 40's)
There is also a second set of tappings in a similar place.. would using 2 tappings per TB give it a better vacume or the same?.
The engine is still sucking the same as with single carbs, it must just be how to harness it.
I don't think the MAP signal as it stands is very good for the Ignition advance either, the exhaust gets alot hotter right to the end which it
never did before, and its drinking fuel like mad!
I'm sure there is a MAP soloution somewhere 
|
|
|
paulf
|
| posted on 16/9/07 at 06:14 PM |
|
|
I found that adding a .6mm mig nozzle into the vacuum line before the resevoir helped a lot.It is possible to damp the signal to much though as i
found that using a large resevoir and restrictor caused the car to go weak onacceleration, it was not responding quick enough to the vacuum
change.
Mine is on 38mm gsxr TBs and I suspect theyare a little to large.
I hadmy crossflow running on 35mm gPX1100 ones and that was a lot easier to set up.
I have now mapped a couple of zetecs and found the same problem with off idle response as the vacuum decays to quickly and think it is to do with the
butterfly angle as mentioned earler.
I would like to try using hybrid alpha n but cant find sufficent info on how to set it up.
Paul.
quote: Originally posted by MkIndy7
What have other people tried with regards to the Vacume then?
Have people tried joining them all together to a little resevoir then and its not worked?
(looking at some 4AGE info they can get enough pressure for the servo brakes on their TB's)
Tried tapping the manifold closer to the engine rather than just behind the throttle spindle? (we had a similar setup on the Twin 40's)
There is also a second set of tappings in a similar place.. would using 2 tappings per TB give it a better vacume or the same?.
The engine is still sucking the same as with single carbs, it must just be how to harness it.
I don't think the MAP signal as it stands is very good for the Ignition advance either, the exhaust gets alot hotter right to the end which it
never did before, and its drinking fuel like mad!
I'm sure there is a MAP soloution somewhere
|
|
|
martyn_16v
|
| posted on 16/9/07 at 07:46 PM |
|
|
The restrictors/reservoirs in the vacuum signal line(s) won't do anything to increase the 'amount' of vacuum, they're
primarily to damp out any pulsing of the signal. The only way to decrease the manifold pressure is to add restrictions to the inlet path, which is
exactly what you were trying to take away by going to individual throttles in the first place. The decreased vacuum is the direct consequence of a
better flowing inlet, vacuum is caused by the engine trying to suck air through a hole too small for it. A determined (bloody minded ) individual
with bike throttles could try altering the closed angle of the throttle plates by machining them to a more circular shape so they get closer to being
at 90deg to the throttle wall when shut. This will mean that the first few degrees of throttle travel will not produce quite as much change in open
area and hence not as sharp an increase in vacuum. Personally I don't think it's going to be worth the bother though. Before I did
anything I'd check that the throttles are balanced properly, if one (or more) of them isn't quite shutting properly you'll not get
as much vac as you should, and it'll make life in general a bit more difficult.
There really is no reason to get too hung up on trying to stay with MAP as your load reference, many better people than us have tried and failed, and
concluded that tps is perfectly fine.
|
|
|