Printable Version | Subscribe | Add to Favourites
New Topic New Poll New Reply
Author: Subject: Main beam fault?
Mark G

posted on 18/11/08 at 07:51 PM Reply With Quote
Main beam fault?

Hi all

I connected the wiring up for my lights yesterday and seem to have a small problem. The side lights work and the dipped beam work These are both run off an on-off-on switch. The Main beam is operated using the standard sierra stalk. Am I right in thinking that the wire coming from the stalk for the main beam should be a 12v +ive.

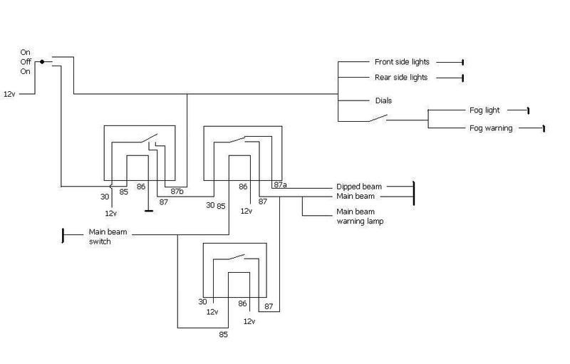
I've wired it as show below.



(main beam switch and main beam flash both go to 56a)



I assume that the 56a to the main beam relay should be 12 volt when the switch is operated? or does it become an earth to earth out the relay.

I've applied a feed to the wire from the back of the switch to test my wiring and that's all ok.

cheers all.






View User's Profile Visit User's Homepage View All Posts By User U2U Member
austin man

posted on 18/11/08 at 08:03 PM Reply With Quote
If I remember the sierra has 2 different switch types both look the same but have a difference with the wiring something to do with the earthing I think. So you need to make sure your using the correct wiring diagram for that particular switch
View User's Profile View All Posts By User U2U Member
omega 24 v6

posted on 18/11/08 at 08:21 PM Reply With Quote
the brown/yellow wire from 56a is a switched negative. it joins to pin 56 on the stalk and then to 56 on the other connector on the column then to earth when the headlights are turned on (using the sierra stalk)





If it looks wrong it probably is wrong.

View User's Profile E-Mail User View All Posts By User U2U Member
Mark G

posted on 18/11/08 at 11:15 PM Reply With Quote
quote:
Originally posted by omega 24 v6
the brown/yellow wire from 56a is a switched negative. it joins to pin 56 on the stalk and then to 56 on the other connector on the column then to earth when the headlights are turned on (using the sierra stalk)


Thanks for that, I tested and as you say it is a switched neg. Easy fix, Just had to re-wire the earth to become a feed. Took 10 mins and now have main beam.

Cheers.
Mark.






View User's Profile Visit User's Homepage View All Posts By User U2U Member
Mark G

posted on 18/11/08 at 11:32 PM Reply With Quote
For the record just incase anyone wants to copy my wiring for their lights the diagram below works.








View User's Profile Visit User's Homepage View All Posts By User U2U Member

New Topic New Poll New Reply


go to top






Website design and SEO by Studio Montage

All content © 2001-16 LocostBuilders. Reproduction prohibited
Opinions expressed in public posts are those of the author and do not necessarily represent
the views of other users or any member of the LocostBuilders team.
Running XMB 1.8 Partagium [© 2002 XMB Group] on Apache under CentOS Linux
Founded, built and operated by ChrisW.