irvined
|
| posted on 24/2/10 at 03:40 PM |
|
|
Windscreen Wiper Wiring.
I'm not using a lucas switch to control my wipers, I ultimately want to use a toggle switch.
My plan is to use a double pole on/on/on toggle with park->slow at position one, slow -> +12v at position 2, and fast +12v at position 3.
If that theory is correct, the next question is does anybody have reliable source of good quality toggle switches of the dptt variety? I've
tried my usual sources, but haven't found any.
http://irvined.blogspot.com
|
|
|
|
|
BenB
|
| posted on 24/2/10 at 03:52 PM |
|
|
If you are going to do that make sure it's on an easily accessible place on the dash. Otherwise on a bumpy road surface (especially if
you're reaching) it's going to be fun and games trying to switch from speed 2 to speed 1.
|
|
|
02GF74
|
| posted on 24/2/10 at 04:30 PM |
|
|
think about what you are dong here.
the wiper mechanism has 3 wires: live, earth and third wire, I'll call this "live for park".
basically when you turn the switch off, the 3 wire, the one I called "live for park" will be connected via the switch to the wiper's
live wire.
this, as you may have guessed, allows the wipers to park and it is no longer live when the wiper have parked.
The Lucas switch in my land rover has one more contact than the regular one that I haven not seen for sale anywhere.
If you think hard about this, I am sure the same can be acieved with another switch.
I don't have the will at the moment to think about that
|
|
|
David Jenkins
|
| posted on 24/2/10 at 04:47 PM |
|
|
If you can hold on until I get home tonight I'll post the wiring diagram I've worked out (modified from one I found on the web).
It requires 2 standard change-over relays - easily obtained and cheap.
|
|
|
g.gilo
|
| posted on 24/2/10 at 04:57 PM |
|
|
wipe
did mine with 1 relay and 1 toggle switch,
its a single speed wiper motor thow, old mini.
|
|
|
David Jenkins
|
| posted on 24/2/10 at 07:46 PM |
|
|
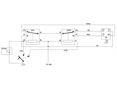
Here's my diagram for Lucas 2-speed wipers - note that it requires a particular kind of switch, the type used for car lights (off ->
sidelights -> sidelights + headlights, often called off-on-on switches). These can be found in almost every type, e.g. toggle, rotary (my choice),
pull, lever, etc. and are really common.
  wiper wiring diagram
The 'park' relay in its off position connects the wiper park circuit. When on it sends power to the wipers. The 'speed' relay
sets how fast the wipers will go. So when the switch is in the first position the 'park' relay operates, and the power goes through the
normally off contact of the speed relay to the slow-speed connection. When the switch is in the second position both relays are on, so the power is
switched to the fast-speed connection.
Originally the circuit I found on the web used 12v from the switch to operate the relays, but I swapped everything round so that they are
earth-switched - this means that all of the 12v wiring is really short (just a few inches) so there's little power drop. It's also a lot
simpler!
I haven't done the intermittent wipe yet, but that will just be a simple circuit that puts an earth on the slow-speed line every few seconds.
IMPORTANT! This hasn't been tested yet - it will happen within a week from now - but I can't see why it wouldn't work.
HTH
[Edited on 24/2/10 by David Jenkins]
|
|
|
irvined
|
| posted on 24/2/10 at 09:21 PM |
|
|
David,
Thanks for posting the diagram, i had considered using two relays as it would mean i can keep the dashboard using only low power switches, but I do
like the simplicity of a single switch.
Using the a+b style switch is rather elegant.
http://irvined.blogspot.com
|
|
|
David Jenkins
|
| posted on 24/2/10 at 10:04 PM |
|
|
I'm also thinking of linking the int wipe to the screen wash button - press the button, and the circuit holds the wipe on for a few seconds.
It'll be an 'int wipe' + 'wash wipe for a few seconds only' circuit! Not given that much thought yet...
|
|
|
RK
|
| posted on 24/2/10 at 10:57 PM |
|
|
The amount of effort that goes into these wipers is unbelievable, when you stop to consider that half the time they don't work anyways!! I know
mine don't work properly at all. Anybody wants to come over to repair them is quite welcome.
|
|
|
David Jenkins
|
| posted on 25/2/10 at 07:55 AM |
|
|
RK - I think hatred is clouding your vision!
Mechanically they're fine, as long as you keep the moving parts oiled or greased as appropriate.
The electrical bits aren't so reliable, but if you ignore the windings (which are usually bomb-proof) there's only the brush plate and the
park switch to go wrong. The park switch is the most common culprit, but that and the brushes are easily available (e.g. SVC. or ebay sometimes)
|
|
|
irvined
|
| posted on 25/2/10 at 12:57 PM |
|
|
David,
On my steering wheel, i intend to have some buttons, one for wash, horn, dip etc.
My plan originally was to use a
Timer Relay wired up to the washer button and the fast setting on teh wipers, via the two
relay method.
In the end I decided against the added complexity, at least for now. I've already gone overboard with the indicator circuit. (Diagram to
follow once i've made sure it actually works.)
What i need to do now is find an IVA acceptable way of getting the wires to the wheel.
http://irvined.blogspot.com
|
|
|
RK
|
| posted on 25/2/10 at 06:52 PM |
|
|
DJ: My wiper motor is strong, and everything is greased. They will not turn the arms properly. And they are no longer binding. Electrically, the
system is fine.
I am buying one of those boat systems (cost exhorbitant), but need to pass.
|
|
|
02GF74
|
| posted on 26/2/10 at 02:27 PM |
|
|
I am sure DJ is correct but 2 relays?!?!?! not in my land rover, just the one switch. simples.
maybe if I get some time, I give it a bit of tought ..... then again ......
|
|
|
David Jenkins
|
| posted on 26/2/10 at 07:02 PM |
|
|
If you get the right Lucas 2-speed wiper switch - yes, 1 (expensive) switch. Or you can get a Durite switch, but that would have been expensive, hard
to fit on my dash and hard to find on a dark rainy night!
My switch was just a few £££, the relays and bases came to about £4, and now I have an easy-to-find rotary switch just in front of the right-hand side
of my steering wheel. The screen wash button is just above.
Simples!
|
|
|
David Jenkins
|
| posted on 7/3/10 at 03:31 PM |
|
|
After a bit of wiring work yesterday and today - I can now confirm that my circuit works very well!
|
|
|
Danozeman
|
| posted on 11/3/10 at 05:49 PM |
|
|
Right ill give it a go.
Does your switch iluminate with the headlights?
Dan
Built the purple peril!! Let the modifications begin!!
http://www.eastangliankitcars.co.uk
|
|
|
David Jenkins
|
| posted on 11/3/10 at 08:09 PM |
|
|
No - but it's a big and chunky rotary switch just to the right of the wheel, so it's hard to miss!
  Windscreen - back
The screen-wash button is just above.
|
|
|
David Jenkins
|
| posted on 11/3/10 at 09:24 PM |
|
|
Dan,
This may help you... (sorry about the size, but it wasn't possible to read the details when reduced)
  Wiper physical wiring
"wiper slow" and "wiper fast" are the wires to the switch on the dash. The thing on the right of the relays is a dual fuse holder
- I'm using one side of that to supply the wiper system and screen wash, and the other for the dash ciggy lighter socket.
The big fat cable on the left is the lead to the wiper motor connector.
[Edited on 11/3/10 by David Jenkins]
|
|
|