Coopz
|
| posted on 14/3/10 at 01:52 PM |
|
|
R1 5vy 06 No start HELP!
Ok so improvement on last week Had new US loom from malc.
I made the relevant connections.
1. Main switch BlueBlack/BlueYellow
2. Ignition BrownBlue/Red either side of the Lucas On/Off
3. Engine Kill RedBlack/RedWhite
4. Side stand Black/BlueBlack
5. Left Handlebar BlueYellow/BlueBlack
6. Right Handlebar BlueWhite/Black Connection to turn over.
Its in neutral.
I flick the ignition The fuel pump goes everything goes as it should.
I have 12v at The coils
I try and start her she turns over (and carries on till I switch the ignition off)
I took a coil and spark out turned her over touched one of the engine mounting bolts no spark tried an old set of sparks plugs no spark?
Any Idea what it could be?
Cheers Toby
[Edited on 14/3/10 by Coopz]
|
|
|
|
|
RichardK
|
| posted on 14/3/10 at 02:01 PM |
|
|
I'm no expert when it come to becs but I've heard of tilt switches being bolted in the wrong orientation. Would have thought that would
have cut fuel though.
Worth a check and good search on here for stuff like that.
Cheers
Rich
Gallery updated 11/01/2011
|
|
|
bassett
|
| posted on 14/3/10 at 02:35 PM |
|
|
Hi, Do you have an R1 manual? if the 06 has a diagnostics mode through the original clocks you should be able to test the spark. if they work you know
one of the starting requirements isnt completed and if it doesnt then the power to the plugs isnt there. If its the starting requirements like richard
said it could be the tip over switch being at the wrong angle.
Adam
My MNR Blog Updated Jan 2010 - Track Day Prep Begins!
|
|
|
corrado vr6
|
| posted on 14/3/10 at 02:47 PM |
|
|
Hi mate, sounds like some progress there. With my engine i had no spark either turned out to be a loose connection a red wire in one of the big square
Grey connector blocks pushed the wire in so it was seated properly and away she went. Probably a longshot of it happening on yours but thought worth
mentioning. I have just re-read your sequence of starting i guess you have flicked the engine kill switch or have you permantly joined them for now??
Good luck mate hope you get it sorted
Edited to add make sure you have a well charged battery as with mine if its slightly run down it will turn over but not fire
[Edited on 14/3/10 by corrado vr6]
http://r1indy7.wordpress.com/
|
|
|
Coopz
|
| posted on 14/3/10 at 05:24 PM |
|
|
Well no luck so far Cheers Basset (Adam) for popping up with your old man car looks great and really appreciate it. I've tried the clutch switch
at the starter module adam she just turns over like she was. Hello Greg I have permanently joined the Kill switch and battery is 12.8 something .
I think I will have to beg borrow steal some 06 clcoks to look a diagnosis on them
|
|
|
ko_racer
|
| posted on 14/3/10 at 05:52 PM |
|
|
check the crank position sensor hadn't been damaged. I had this when I got my motor, when it had been down the road it had damaged the wire,
but it wan't obvious from the outside, pulled the sleeve off and it was broken.
|
|
|
bassett
|
| posted on 14/3/10 at 07:30 PM |
|
|
A real shame that didnt work, all the stuff you had done technically sounds good. Another thing i noticed but forgot to mention is you have no fuel or
none that i can smell indicating the start logic is not complete so same reason you have no sparks. it might be a waste of time but my blog from jan
09 might have some more indepth thoughts that i just dont remember doing now. Clocks will indicate a sensor fault aswell hopefully as the manual
states the range they should work within. If not loom stripping time just to make sure everythings going where it should and its not been bodged
previously. Also lets you get it looking really neat by cutting out the crap like the light and brake wiring. If i can be of any help give me a shout
as your literally a 5min drive away if i dont get lost this time
[Edited on 14/3/10 by bassett]
My MNR Blog Updated Jan 2010 - Track Day Prep Begins!
|
|
|
Coopz
|
| posted on 14/3/10 at 08:43 PM |
|
|
Adam, it seems to be pumping hearing the pump but it may well be worth taking the fuel feed line of the fuel rail turning her over see if I get fuel?
do you reckon if the pressure isn't right the starter logic wont fire the sparks?
Seeing your mnr today makes me really want to crack on As I set an target date for mid april but as you saw today bit off that. I'm pleased you
didn't attempt church road, im sure I'll be on the phone when I get stuck may even try blag a passenger ride with you when you have a
little more time 
|
|
|
corrado vr6
|
| posted on 14/3/10 at 09:04 PM |
|
|
just a few simple things to check have you connected the neutral switch? without it the ecu wont let the engine to start even tho its in neutral. Also
fuses have any blown?
http://r1indy7.wordpress.com/
|
|
|
Coopz
|
| posted on 14/3/10 at 09:19 PM |
|
|
Neutral switch checked taken out today check its free moving! I best double check the fuses greg I did this morning It's just baffling thought I
had cracked it mate after last week!
|
|
|
bassett
|
| posted on 14/3/10 at 09:22 PM |
|
|
You get the pump whir on ignition showing the initial pressurisation but does it sound like the injectors are pumping when the starters going and if
you lift off the filter can you smell fuel in the chambers? As far as i am aware the fueling and sparks are initiated by the starter logic so if both
arent working i think getting everything right for the starter logic is the starting point. If the injectors are going and its just the plugs id say
its a wiring issue to the plugs. Again the injectors like the plugs can be highlighted with the clocks but you will need the kill wires on a switch to
use the diagnostic function along with disconnecting the fuel pump - i have an easily accessible inline fuse on my fuel pump wires so i can quickly
pull it out for diagnostics plus its an extra security and safety feature
Just had a quick look through the diagnostic test functions and it will give you readings for sparks, injectors, neutral switch, tip over sensor, ecu
check, starter circuit check, speed sensor, cam sensor, crank sensor which should really show up the problem just a shame they cost the best part of
£150 second hand
[Edited on 14/3/10 by bassett]
My MNR Blog Updated Jan 2010 - Track Day Prep Begins!
|
|
|
Coopz
|
| posted on 15/3/10 at 09:45 PM |
|
|
Had a look again tonight took the tilt sensor apart may glue it like suggested or ab said do the 470 ohm resistor. I think the injectors are ok, also
checked the fuel supply (got covered in fuel..working) Spoke to Malc also today he said it had to be either tilt or ecu? Getting bit frustrating now
and oil leak behind sandwich plate has got worse. So unhappy boy 
|
|
|
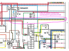
minitici
|
| posted on 15/3/10 at 10:59 PM |
|
|
Check that you still have a ground connection to the CDI unit.
It is possible that you have inadvertently cut the wire when bridging the clutch switch etc. [The black yellow wire grounds via a "T"
connected to a common, this may be isolated]
I have highlighted the wire to trace (sorry can't remember the CDI pin number).
  5vy ign cct
|
|
|
Coopz
|
| posted on 15/3/10 at 11:18 PM |
|
|
Ahh thats something I didn't know I did join the wires just under the switch could I of still cut it? Do ijust need to trace the wire form the
starter module check it T's to the ECU and to where I joined it?
|
|
|