Hugh_
|
| posted on 9/5/10 at 05:09 PM |
|
|
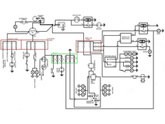
As built wiring schematic
I posted up a wiring schematic that I drew up to get my head around how I was going to wire the car.
Naturally things changed a bit along the way, so here's an as built schematic incase its of use to anyone.
  As built wiring schematic
[Edited on 9/5/10 by Hugh_]
|
|
|
|
|
Ben_Copeland
|
| posted on 9/5/10 at 06:35 PM |
|
|
Million Dollar question.... does it work correctly ????
Ben
Locost Map on Google Maps
Z20LET Astra Turbo, into a Haynes
Roadster
Enter Your Details Here
http://www.facebook.com/EquinoxProducts for all your bodywork needs!
|
|
|
Hugh_
|
| posted on 9/5/10 at 07:29 PM |
|
|
It does!! Still having fun and games getting the Megajolt to work, but Im not entirely convinced that isnt a dodgy EDIS so I'm getting another
of them.
|
|
|