Jon Ison
|
| posted on 12/6/04 at 07:45 PM |
|
|
Indicator help ???
If i want just one warning lamp on the dash, (should read i do want one warning lamp on the dash)
is there anyting i can put across the two feeds to stop all the lights flashing when i operate them, i could just put two warning lamps but id'e
rather just have one,
did i make any sense ???
|
|
|
|
|
OX
|
| posted on 12/6/04 at 07:54 PM |
|
|
about as much sense as normal
|
|
|
Jon Ison
|
| posted on 12/6/04 at 08:01 PM |
|
|
mmmm, i know what i mean, there must be summat i could do ???
its not a flasher unit with a warning lamp feed BTW, if i wired the light up to the output from the unit i guess it would fire up as soon as i switch
on the ignition as the warning bulb would be like switching a switch on ???
there i'm making even less sense....
|
|
|
Jon Ison
|
| posted on 12/6/04 at 08:08 PM |
|
|
sussed it, i need the electrical equivelent (scuse speeling) of a non return valve, guess a trye valve wont do so what are they called, where do i
source one, n how do i fit it n where..... ????
am i finking correct now ???
|
|
|
greggors84
|
| posted on 12/6/04 at 08:32 PM |
|
|
A non return valve in electronics is a diode i suppose, but not really understanding what your trying to acheive, im not sure if its what your looking
for.
Chris
The Magnificent 7!
|
|
|
Jon Ison
|
| posted on 12/6/04 at 08:37 PM |
|
|
i have a flasher relay that don't provide a feed for a dash warning light,
i only want one warning light on the dash, but if i took a feed from left and right to one warning light i assume that would put all the indicators on
the car on, ( i know what i mean)
so do i need a "non return" in one or both feeds to the warning light to prevent this ???
there, clear as mud.........
|
|
|
britishtrident
|
| posted on 12/6/04 at 09:00 PM |
|
|
Use an old style 3 pin thermal flasher unit -- of course ten wirng te hazards becomes more complex.
|
|
|
Deckman001
|
| posted on 12/6/04 at 09:32 PM |
|
|
Def Diode's Jon, will ave a look tomorrow for ya
Jason
|
|
|
Hellfire
|
| posted on 12/6/04 at 09:51 PM |
|
|
Alternatively you could use the feed to the indicator switch (in series) this would act as a warning before the switch routes the current to lights -
sorted.
|
|
|
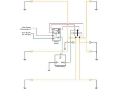
ady8077
|
| posted on 12/6/04 at 09:55 PM |
|
|
Hi Jon
Something like this should work
Adrian
[Edited on 12/6/04 by ady8077]
  Rescued attachment ind.jpg
|
|
|
Jasper
|
| posted on 12/6/04 at 10:57 PM |
|
|
Jon - u can always ask Hicost he has one I think, and still leaves them on all the time!!
|
|
|
JoelP
|
| posted on 12/6/04 at 11:32 PM |
|
|
diodes sound convinient, in reality they're a twat to fit in. I spent ages in maplins telling them what i wanted to do, apparently they come in
many forms with many voltages and many min and max currents.
easier is to do the 3 point relay, this picture attached (originally by a badger i think...!) explains it all. Easiest way is to use the sierra
switches and relay in one unit, then there is only 4 wires to sort.
|
|
|
Dusty
|
| posted on 12/6/04 at 11:34 PM |
|
|
You don't need diodes or clever stuff. A simple link between the feeds to the two sides works by effectively earthing the active side through the
dash bulb to the inactive side, the inactive side splitting the current through the three inactive bulbs to earth, none receiving enough to light.
Crude circuit drawing below.
  Rescued attachment Dashbulb.jpg
|
|
|
JoelP
|
| posted on 12/6/04 at 11:36 PM |
|
|
heres that damn picture:
  Rescued attachment hazard picture.JPG
|
|
|
JoelP
|
| posted on 12/6/04 at 11:37 PM |
|
|
dusty, have you tested your way? cos even the slightest flash in the wrong bulb will be a fail...
also, with the hazards on it couldnt earth could it?
[Edited on 12/6/04 by JoelP]
|
|
|
Petemate
|
| posted on 12/6/04 at 11:38 PM |
|
|
Indicator W/L
Hi Jon
I am not sufficiently computer-literate to do diagrams. But here goes with a description.
If you wire the W/L between the indicator circuits, then whichever way you select the light will work by earthing through the opposite circuit.
Something to do with resistance, and the low wattage of the W/L bulb. The W/L is not earthed, but simply wired from one side to the other.
Pete(Oldgit)
|
|
|
Dusty
|
| posted on 12/6/04 at 11:58 PM |
|
|
Yes. Running on my car as drawn. The dash bulb does not light when hazards are on but using the sierra column switches the hazard switch has a light
built in. The dash bulb is only 2 or 3 watts so that leaves about .25 amps to earth through the three inactive indicator bulbs which don't glow.
|
|
|
Hellfire
|
| posted on 13/6/04 at 01:03 PM |
|
|
quote: Originally posted by Dusty
You don't need diodes or clever stuff. A simple link between the feeds to the two sides works by effectively earthing the active side through
the dash bulb to the inactive side, the inactive side splitting the current through the three inactive bulbs to earth, none receiving enough to light.
Crude circuit drawing below.
Would not work - Putting L/H indicators would fire right and vica versa!
|
|
|
Jon Ison
|
| posted on 13/6/04 at 01:59 PM |
|
|
Went the "hellfire route"
sorted, cheers me deers......
|
|
|
Dusty
|
| posted on 13/6/04 at 08:39 PM |
|
|
Hellfire, very authoratative with the bold type but you are wrong in this instance. This is the circuit I use on my car, I made my own loom, it is
wired so that the dash bulb links between the left and right flasher circuits and not to earth and it does work. As would the other posted
suggestions.
[Edited on 13/6/04 by Dusty]
|
|
|
Hellfire
|
| posted on 13/6/04 at 09:05 PM |
|
|
Well sone Dusty... it's still very suspect though. I made my own wiring loom too and IMHO your method is inviting a host of also's and
maybe's.
It will be very interesting as/when it goes for SVA with Sidelights/Headlights, Brake Lights, Fog Light (all on) then he ask's for
Indicators/Hazards. Did it/would it pass? There's lots of earth's and stuff to alter resistance's etc...
Well that's my [img][/img]
[Edited on 13-6-04 by Hellfire]
|
|
|
JoelP
|
| posted on 13/6/04 at 10:25 PM |
|
|
i agree, it appears that the warning bulb will only get 6volts or something, but if the man says it works, and works well, then i wont argue. I wont
do it that way myself, but hats off for an easy solution.
|
|
|
Dusty
|
| posted on 14/6/04 at 05:47 PM |
|
|
Oh yee of little faith. Wouldn't have posted it so positively if I wasn't sure it worked well.
|
|
|
mad4x4
|
| posted on 19/7/04 at 05:20 PM |
|
|
I'm using one dash light and have the same problem,
But I figured it out today at lunch time, by using a pair of diodes as shown above In ady8077 post.
Should work a treat, I'll let you know i'm away to wire it tonight.
Scot's do it better in Kilts.
MK INDY's Don't Self Centre Regardless of MK Setting !
|
|
|
MautoK
|
| posted on 20/7/04 at 12:25 PM |
|
|
Single bulb between Bk/Gn and Bk/W is the standard Sierra way. My instrument panel has one bulb and those two colours of wires from the connector.
You have 2 * 21W and 5W repeater each side. That's 47W, about 4A and 3 ohms.
W/L is about 3W - so 1/4 amp and 48 ohms.
Let's indicate left.
We put 12V across the 3 external lights on the left.
We also put 12v across the W/L in series with the external lights on the right.
So to the left there's 3 ohms load which makes 4 amps flow and generates the 48W which makes the signal.
To the right there's 48 ohms and 3 ohms in series so the current is a bit under 1/4 amp. This is a potential divider and gives about 11.3 V
across W/L and 0.7 V across the external lights.
So we have about 11.3 * 1/4 = 2.8 W out of the W/L and 0.7 * 1/4 or less than a fifth of a watt dissipated in all 3 external lights on the right.
As long as you've got good connections and clean earths it can't help but work without a diode in sight. 
|
|
|