JeffJeffers
|
| posted on 17/9/11 at 08:59 AM |
|
|
Headlamp wiring Savage switches.
Hi all.
I have wired in my Savage switches for my headlamps and just want to check that it is ok for IVA.
1. I have wired them so the dipped and main beam won't work unless the side lights are on.
2. When I turn the main beam on the dipped beam will go out but side lights stay on.
|
|
|
|
|
omega 24 v6
|
| posted on 17/9/11 at 09:06 AM |
|
|
Sounds fine.
If it looks wrong it probably is wrong.
|
|
|
daniel mason
|
| posted on 17/9/11 at 12:14 PM |
|
|
So long as side lights come on with ignition off
|
|
|
JeffJeffers
|
| posted on 17/9/11 at 01:32 PM |
|
|
Side lights do come on with the ignition off but dip and main beam only work when the ignition is on
|
|
|
snowy2
|
| posted on 17/9/11 at 05:53 PM |
|
|
headlight position is important, (for dip beam mostly) and number (you cannot have multiple dip beams and a maximum of 4 mains) i dont think it
matters if dip and main come on without the ignition on or not (some one correct me if i am wrong)
sometimes you are the pigeon, most of the time the statue.
|
|
|
bigdrew
|
| posted on 18/9/11 at 04:43 PM |
|
|
Jeff, Do you have a wiring diagram that you have used to do this? I'm at this point now and I am a little confused how to make the dips go off
when the mains come on. (And dips stay on with the mains are flashed if you have a flash option)
|
|
|
Jason Fletcher
|
| posted on 18/9/11 at 09:05 PM |
|
|
Also make sure the fog only comes on when the main beam or dipped are on. Can be done with 2 relays or 1 relay and two diodes.
Jason
|
|
|
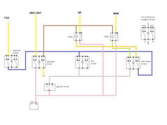
JeffJeffers
|
| posted on 18/9/11 at 09:28 PM |
|
|
I have just done this quick on the computer so I hope it makes sense. Because the Savage switch are kind of 2 seperate switches in one no need for a
relay for the fog lamps.
The Yellow wires going fo to the lamps will need to be fused.
  Savage switch wiring 2
[Edited on 18/9/11 by JeffJeffers]
|
|
|
Jason Fletcher
|
| posted on 18/9/11 at 09:53 PM |
|
|
It may be late at night but I'm finding it hard to see how that will work.
J
[Edited on 18/9/11 by Jason Fletcher]
|
|
|
Jason Fletcher
|
| posted on 18/9/11 at 10:00 PM |
|
|
Ah got it, looks fine to me 
|
|
|
JeffJeffers
|
| posted on 18/9/11 at 10:01 PM |
|
|
Just edited the picture with a label on the ignition switch.
|
|
|
bigdrew
|
| posted on 19/9/11 at 08:11 PM |
|
|
Thanks for positing the diagram, it is a massive help. Think I will put the fuses on the +12v going into the relays rather on the wires feeding the
lights though..
|
|
|