shortie
|
| posted on 22/8/04 at 07:41 PM |
|
|
Hazard lights
This may be a silly question but asked a few so another one won't hurt!
I am using the fireblade loom and extending it for my Indyblade but wondered if there is any reason why I should not just add a second duplicate
flasher relay into the circuit to be used for the hazards but instead of wiring it to the ignition feed I would wire it to a permenant live.
Can't think of a reason why not but does anyone have any thought??
ta,
Rich.
|
|
|
|
|
JoelP
|
| posted on 22/8/04 at 08:09 PM |
|
|
it is possible that you would encounter problems with one relay backfeeding thru the other, since both must be connected to the lights. Not sure if
this is important cos my thinking cap is in a drawer upstairs!
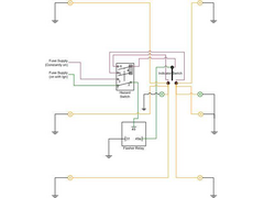
in the interests of tidyness i would remove the bike unit and rig up a complete replacement. Just my opinion though.
In case you havent seen this diagram, here's how it can work. Shameless plagiarised off someone else...
  Rescued attachment hazard picture.JPG
|
|
|