locostbuyer83
|
| posted on 13/7/12 at 10:04 PM |
|
|
Late night electrical question - pics added
Hi guys,
I've got a bike engine and a Westfield reverse box.
I'm using a two way solenoid to switch the box from drive into reverse
Basically it works by moving a bar horizontally right and left using two coils
Coil A is powered with ignition = reverse box in drive position
Coil B is powered by a reverse push button switch = reverse box in reverse position
This all goes through a 5 pin relay
Still with me?...
here is the wiring diagram
I need a safely mechanism so the reverse switch cannot send the relay power unless the car is stationary
I was going to use the neutral light but that wouldn't work once I put the engine into gear to start reversing
Is there an electrical device that I could use to prevent the bike being put into reverse while going forward?
[Edited on 13/7/12 by locostbuyer83]
[Edited on 13/7/12 by locostbuyer83]
|
|
|
|
|
owelly
|
| posted on 13/7/12 at 10:31 PM |
|
|
Brake light/neutral light and make the relay a latching one and using the reversing switch to un-set the latch. So, the reversing switch will only
energise the relay if the brake/neutral light is on. This will cause the relay to latch until you let go of the reverse button. You may have to use a
DPDT button or run the button through a DPDT relay to make it work.
ETA....Why are you putting the car in gear to reverse???
[Edited on 13/7/12 by owelly]
[Edited on 13/7/12 by owelly]
http://www.ppcmag.co.uk
|
|
|
ReMan
|
| posted on 13/7/12 at 10:36 PM |
|
|
so the relay will be powered at all times (potential drain on battery/ignition)?
Could this be achieved by using a switch on the clutch pedal?
www.plusnine.co.uk
|
|
|
locostbuyer83
|
| posted on 13/7/12 at 10:42 PM |
|
|
quote: Originally posted by owelly
Brake light/neutral light and make the relay a latching one and using the reversing switch to un-set the latch. So, the reversing switch will only
energise the relay if the brake/neutral light is on. This will cause the relay to latch until you let go of the reverse button. You may have to use a
DPDT button or run the button through a DPDT relay to make it work.
[Edited on 13/7/12 by owelly]
Hi,
Sort of makes sense...Whats a DPDT?
|
|
|
locostbuyer83
|
| posted on 13/7/12 at 10:43 PM |
|
|
quote: Originally posted by ReMan
so the relay will be powered at all times (potential drain on battery/ignition)?
The ignition is rarely on without engine running so not bothered about that. The reason its powered is so it forces the reverse box into the forward
position when engine on. plus its not much of a drain
|
|
|
locostbuyer83
|
| posted on 13/7/12 at 10:45 PM |
|
|
quote:
ETA....Why are you putting the car in gear to reverse???
Its a bike engine so I'm putting it into first to move along. The reverse box makes the car go backwards rather than forwards
|
|
|
owelly
|
| posted on 13/7/12 at 10:47 PM |
|
|
Aha! I was thinking it was a leccy reverse.
I've done a diagram but I'm at work so can't post it up!!
A DPDT switch or relay is a double pole, double throw.
http://www.ppcmag.co.uk
|
|
|
locostbuyer83
|
| posted on 13/7/12 at 10:49 PM |
|
|
quote: Originally posted by owelly
Aha! I was thinking it was a leccy reverse.
I've done a diagram but I'm at work so can't post it up!!
A DPDT switch or relay is a double pole, double throw.
cool, can you email it to me from your phone?
If not maybe tomorrow as I can't go in the garage this time of night anyway
I've tested the circuit I've drawn and it works fine so just a case of adding that extra relay/switch
|
|
|
GOJO
|
| posted on 13/7/12 at 10:51 PM |
|
|
Why not just use a illuminated rocker switch to power the reverse momentary switch?
|
|
|
locostbuyer83
|
| posted on 13/7/12 at 10:53 PM |
|
|
quote: Originally posted by GOJO
Why not just use a illuminated rocker switch to power the reverse momentary switch?
That would work but I want one switch (as i'm picky) and I want to guarantee it can't go into reverse when going along
|
|
|
owelly
|
| posted on 13/7/12 at 11:10 PM |
|
|
It's late and I'm tired so if someone else could check that my idea won't kill you.....
  latch
ETA. you'd need to check that back-feeding the neutral/brake light wouldn't cause trouble. If it did, you'd have to chuck another
relay in there!
I've managed to find a way to upload to LB in stealth mode!!
[Edited on 13/7/12 by owelly]
http://www.ppcmag.co.uk
|
|
|
GOJO
|
| posted on 13/7/12 at 11:11 PM |
|
|
What about using a timer relay set at 60 seconds and use the handbrake switch earth as the trigger that way the relay would energise the reverse
switch for 60 seconds after the handbrake had been applied and released
|
|
|
GOJO
|
| posted on 13/7/12 at 11:15 PM |
|
|
quote: Originally posted by owelly
It's late and I'm tired so if someone else could check that my idea won't kill you.....
  latch
I've managed to find a way to upload to LB in stealth mode!!
Yes its late but am i right in thinking it needs to be in gear to work? And you cant reverse with the brake on?
|
|
|
owelly
|
| posted on 13/7/12 at 11:22 PM |
|
|
The idea of the wire from the top of the DPDT reversing button is to latch the relay so there is still power to the 5pin relay after the nuetral light
has gone out, ie, it's in gear, but then it resets the latch as soon as you let go of the button.
http://www.ppcmag.co.uk
|
|
|
owelly
|
| posted on 13/7/12 at 11:25 PM |
|
|
Thus....
  latch with more words
http://www.ppcmag.co.uk
|
|
|
GOJO
|
| posted on 13/7/12 at 11:29 PM |
|
|
That will work but if you let the reverse button go and then want to reverse more wont you have to reselect neutral to latch it?
|
|
|
owelly
|
| posted on 13/7/12 at 11:33 PM |
|
|
Yes you will have to engage neutral again.
http://www.ppcmag.co.uk
|
|
|
locostbuyer83
|
| posted on 13/7/12 at 11:44 PM |
|
|
yeah looks like it would work. just needs a diode between the relay and the neutral light
|
|
|
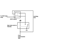
locostbuyer83
|
| posted on 14/7/12 at 12:27 AM |
|
|
THANKS VERY MUCH GUYS FOR YOUR HELP TONIGHT. MUCH APPRECIATED!
I managed to do it with a single switch and another 4 pin relay
So Coil A is engaged when ignition is ON
If neutral light is ON the switch has power - its a latching switch
the switch stays ON once neutral is SWITCHED OFF
when releasing the switch if the neutral is OFF it wont be able to come back ON
press the switch and the coil B is engaged and A is released, via 5 pin relay
see diagram
[Edited on 14/7/12 by locostbuyer83]
|
|
|
owelly
|
| posted on 14/7/12 at 12:44 AM |
|
|
Ah, so you have a diode whereas I had a DPDT reverse button. I never did trust little blobs of electronicery that I don't understand!
http://www.ppcmag.co.uk
|
|
|
snowy2
|
| posted on 14/7/12 at 06:13 AM |
|
|
use a momentary switch (like you use for your washers) in series with the wiring for the relay in reverse position....thus unless the relay and the
momentary switch were operated at the same time it would not engage reverse.....because it takes a deliberate effort to press a momentary switch it is
unlikely to be possible to unintentionally select reverse.
ah i see you have got it sorted......well done
[Edited on 14/7/12 by snowy2]
sometimes you are the pigeon, most of the time the statue.
|
|
|
BenB
|
| posted on 14/7/12 at 10:03 AM |
|
|
Aren't neutral lights switched earth?
|
|
|