ChrisLeary
|
posted on 29/7/13 at 12:55 PM |
|
|
Alternator help
Afternoon all,
I've done lots of searching and found the following thread which uses the same alternator as I've got from a micra.
http://www.locostbuilders.co.uk/viewthread.php?tid=39765
So now I know what the pins are, but how do they actually connect into the loom? Is the battery sense just connected to a switched live from the
ignition?
I suppose it would be easier to ask if anyone could do me a quick sketch of the circuits I need to make for the battery sense and charge light?
Please?
Please forgive my lack of knowledge, electronics really isn't my thing.
Thanks in advance,
Chris
Don't force it! Get a bigger hammer...
|
|
|
|
|
ChrisLeary
|
| posted on 29/7/13 at 04:22 PM |
|
|
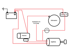
This the circuit diagram I've managed to come up with some how, although I'm not entirely sure it's correct and more importantly...
will work!
  Alternator wiring
Thanks again,
Chris
Don't force it! Get a bigger hammer...
|
|
|
big_wasa
|
| posted on 29/7/13 at 04:50 PM |
|
|
I would be running the sense wire as a switched live and not permanent live.
|
|
|
ChrisLeary
|
| posted on 29/7/13 at 05:15 PM |
|
|
quote: Originally posted by big_wasa
I would be running the sense wire as a switched live and not permanent live.
Thank you for that, anything else you'd change or does the rest look ok?
Thanks again,
Chris
Don't force it! Get a bigger hammer...
|
|
|
ChrisLeary
|
| posted on 30/7/13 at 03:34 PM |
|
|
Anyone? Any other suggestions or is this going to work?
Like I said originally, my electronic system knowledge isn't great so some help really would be appreciated.
Thanks again,
Chris
Don't force it! Get a bigger hammer...
|
|
|