Quinten
|
| posted on 14/1/15 at 09:22 AM |
|
|
Second opinion on my wiring diagrams
I'm redoing the wiring on my Westfield this winter and have come to the stage where I'm about to start doing, rather than planning 
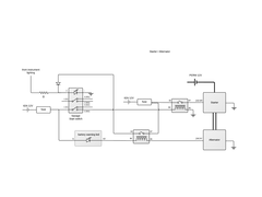
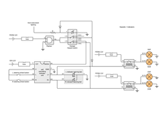
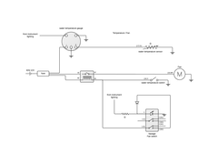
My Westfield has the simplest of wirings, no ECU or other fancy gizmo's so it is all relatively straightforward. I've planned for 3x
Savage switches (start, hazards and fan override), a Durite rotary switch (side, dipped and main lights), a Bright6 warning light module (left/right
indicators, main beam, battery, oil and brake warning lights), 2 indicator buttons and a horn push on the steering wheel, and my existing gauges
(fuel, water temp, rpm and speedo). Everything is driven by relays, and the loom in the car is left alone. I currently have no fog light, so
you'll find this missing from the diagrams.
  Starter and Alternator
  Side and Dipped and Main Light
  Hazards and Indicators
  The Brakes
  Fuel and Oil
  Temperature and Fan
  Horn and Tacho
Q.
|
|
|
|
|
YQUSTA
|
| posted on 14/1/15 at 02:33 PM |
|
|
With regards to the indicators/hazards.
I think the relays and live feeds to the lamps is over kill and not needed. It will only add to the problems and make any fault finding that little
bit harder in the future.
Apart from that I think the circuit looks fine.
"If in doubt flat out"
Colin McRae
|
|
|
Quinten
|
| posted on 14/1/15 at 02:56 PM |
|
|
Overkill maybe, but since I'm going to have everything on relays anyway, the two wont make much of a difference. And once I am done with it,
there should be no faults! 
|
|
|
YQUSTA
|
| posted on 14/1/15 at 03:34 PM |
|
|
Fair enough, if it were me though I wouldn't bother as its adding cost and another 2 items to go faulty, added complication with wiring for no
advantage.
oh and the added weight, every gram counts
"If in doubt flat out"
Colin McRae
|
|
|