tims31
|
| posted on 19/1/15 at 11:09 AM |
|
|
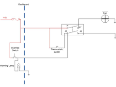
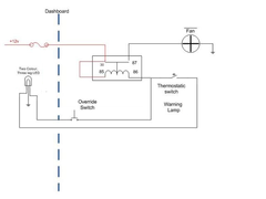
Fan Override switch wiring
I know this is a subject that has been covered several times on here and the pros and cons of doing it but I have decided to add an override switch to
my loom while I am doing the wiring.
Refering to the post by Snowy2 here I have used his drawing as a guide.
  Description
The question I have is really as to the wiring of the override switch and lamp, I have done it this way to reduce the amount of wiring required and
would just like it checked by the wiring experts on here that what I have done will work correctly.
  Fan-override
Build: http://www.martinsfurybuild.co.uk/
|
|
|
|
|
gremlin1234
|
| posted on 19/1/15 at 11:20 AM |
|
|
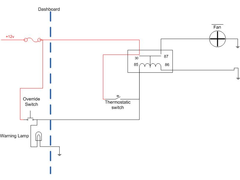
the circuit looks ok, but the lower diagram shows relay contacts not the coil on 85/86
|
|
|
tims31
|
| posted on 19/1/15 at 11:43 AM |
|
|
Yep, your right.
I have adjusted it now, is this correct?
  Description
Build: http://www.martinsfurybuild.co.uk/
|
|
|
loggyboy
|
| posted on 19/1/15 at 11:44 AM |
|
|
Looks indentical to me.
Mistral Motorsport
|
|
|
tims31
|
| posted on 19/1/15 at 12:05 PM |
|
|
Changed the relay contacts on 85/86 to coil...
Build: http://www.martinsfurybuild.co.uk/
|
|
|
Irony
|
| posted on 19/1/15 at 01:32 PM |
|
|
Can't remember the correct relay wiring numbers but I have wired mine so the lamp comes on when the fan comes on. It comes on both when when
the switch is thrown and the thermostatic temp swicth turns the fan on. The theory being if the fan comes on whilst driving you can see that it has
come on alerting you to a potential problem.
|
|
|
ken555
|
| posted on 19/1/15 at 02:07 PM |
|
|
  fan
Works so the light comes on with the fan
Sorry only have paint handy
[Edited on 19-1-15 by ken555]
|
|
|
loggyboy
|
| posted on 19/1/15 at 02:23 PM |
|
|
quote: Originally posted by ken555
  fan
Works so the light comes on with the fan
Sorry only have paint handy
[Edited on 19-1-15 by ken555]
I think the idea is the light warns you have overridden the thermostat, not to just tell you its on.
Mistral Motorsport
|
|
|
Trollyjack
|
| posted on 19/1/15 at 02:42 PM |
|
|
I have a 2 colour LED when its energised by the temp switch its green
But if I override it it shows Red
[Edited on 19/1/15 by Trollyjack]
TrollyJack
|
|
|
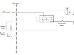
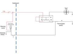
tims31
|
| posted on 19/1/15 at 04:34 PM |
|
|
quote: Originally posted by Trollyjack
I have a 2 colour LED when its energised by the temp switch its green
But if I override it it shows Red
[Edited on 19/1/15 by Trollyjack]
So how does that work then, sorry but I dont know how that works, how is that wired up?
Ken555
I have updated the diagram as per your instructions.
  fan-wiring3
The original way was to show when I had overridden the thermostaic switch but I suppose having it show when the fan is running would also be good,
however if I could get it to work the same as Trollyjacks that would be great...so long as its not too complicated
[Edited on 19/1/15 by tims31]
Build: http://www.martinsfurybuild.co.uk/
|
|
|
ken555
|
| posted on 19/1/15 at 04:55 PM |
|
|
quote: Originally posted by Irony
Can't remember the correct relay wiring numbers but I have wired mine so the lamp comes on when the fan comes on. It comes on both when when
the switch is thrown and the thermostatic temp swicth turns the fan on. The theory being if the fan comes on whilst driving you can see that it has
come on alerting you to a potential problem.
I was following this train of thought.
Warning it's on when moving, and warning it's over ridden.
I would have to work on the Bi-Colour Led version, as you need to reverse flow to make it work.
|
|
|
Trollyjack
|
| posted on 19/1/15 at 05:29 PM |
|
|
Hi i use a switch on the dash that had double pole switch
Here is a photo of my wiring that shows the fan wiring
  Description
TrollyJack
|
|
|
tims31
|
| posted on 19/1/15 at 08:08 PM |
|
|
Err ok, really confused now with your diagram. Having looked up dual colour LEDs it shows them if current flows one way the LED lights one colour and
another colour if it flows the other way, however your diagram using the double pole switch suggests that the current flows through it both ways
whenever the switch is made. I could understand if it was a single pole switch as the current would flow one way when the switch was made and another
way when the Thermo switch made...???
Sorry but just trying to understand this, does it need the double pole switch?
EDIT: Ok having looked at it again it looks like the LED you are using has three legs not two like the ones I was looking at, is that right?
[Edited on 19/1/15 by tims31]
Build: http://www.martinsfurybuild.co.uk/
|
|
|
Trollyjack
|
| posted on 19/1/15 at 08:52 PM |
|
|
The light has 3 legs one is - the other two are + one lights up orange the other lights it up green when both are high the light is yellow
TrollyJack
|
|
|
tims31
|
| posted on 19/1/15 at 09:52 PM |
|
|
Ok, So ive had a look at the diagram I used before, articles on three leg LEDs and refering to trollyjacks image.
I may be completely wrong but would the diagram shown below work to have the LED light one colour for the Fan running through the normal thermo switch
and another running through the override switch??
  Radfan3led
Having looked again it would be permenently on , time for a rethink..
[Edited on 19/1/15 by tims31]
Build: http://www.martinsfurybuild.co.uk/
|
|
|
Trollyjack
|
| posted on 20/1/15 at 08:58 AM |
|
|
Cannot see that working why have you 2 earths on the led
Also I did not use a relay to control the fan
I used a fan swith of a polo and they dont use a relay.
TrollyJack
|
|
|
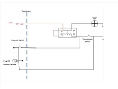
loggyboy
|
| posted on 20/1/15 at 09:43 AM |
|
|
Like this maybe - but ensure you have a shared cathode/negative bi colour LED
(ignore the warning lamp notation, I forgot to move it back!)
  Fan Warning Bi LED
[Edited on 20-1-15 by loggyboy]
Mistral Motorsport
|
|
|
Trollyjack
|
| posted on 20/1/15 at 11:36 AM |
|
|
Not sure if that would work you are using the led earth also to pull down the relay.
TrollyJack
|
|
|
loggyboy
|
| posted on 20/1/15 at 12:37 PM |
|
|
Assuming it was a 12v LED, should be fine.
Of it was a standard 2-3v LED then it would need a seperate circuit with extra relays or similar.
Mistral Motorsport
|
|
|
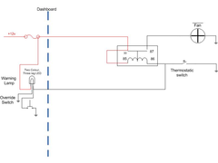
tims31
|
| posted on 20/1/15 at 06:37 PM |
|
|
quote: Originally posted by loggyboy
Like this maybe - but ensure you have a shared cathode/negative bi colour LED
(ignore the warning lamp notation, I forgot to move it back!)
  Fan Warning Bi LED
[Edited on 20-1-15 by loggyboy]
Ok I have tried again, just as a way of reducing another run of cable from the dash to the front of the car and assuming I use a 12v LED do you think
this may work instead?
  Description
Build: http://www.martinsfurybuild.co.uk/
|
|
|
loggyboy
|
| posted on 20/1/15 at 07:06 PM |
|
|
quote: Originally posted by tims31
quote: Originally posted by loggyboy
Like this maybe - but ensure you have a shared cathode/negative bi colour LED
(ignore the warning lamp notation, I forgot to move it back!)
  Fan Warning Bi LED
[Edited on 20-1-15 by loggyboy]
Ok I have tried again, just as a way of reducing another run of cable from the dash to the front of the car and assuming I use a 12v LED do you think
this may work instead?
  Description
That wont work, as you need to supply 2 dignals for the led, one from the thermostat and one from the overide, you can combine them.
Mistral Motorsport
|
|
|
snowy2
|
| posted on 21/1/15 at 11:04 AM |
|
|
In my article with the diagram it tells you how to wire it with the minimum wire.
the bulb will light whenever the fan is "on"
sometimes you are the pigeon, most of the time the statue.
|
|
|
tims31
|
| posted on 26/1/15 at 01:35 AM |
|
|
I have had another look at trying to use a three leg/colour LED that will show a different colour depending on which switch is used, either the Thermo
switch or the override switch.
Does this look like it would work this way?
  Description
I know it is using another wire but I can run that no problems at the moment.
Build: http://www.martinsfurybuild.co.uk/
|
|
|
loggyboy
|
| posted on 26/1/15 at 08:32 AM |
|
|
You have 2 unnecessary earth's, one to right of relay that will short past the led. And another to left of overide switch. Take those out and
you have the same circuit I posted!
Mistral Motorsport
|
|
|
tims31
|
| posted on 26/1/15 at 07:33 PM |
|
|
quote: Originally posted by loggyboy
Assuming it was a 12v LED, should be fine.
Of it was a standard 2-3v LED then it would need a seperate circuit with extra relays or similar.
Thanks Loggyboy, when you say a 12v LED, are there dedicated 12v LEDs or are they just normal LEDs with resistors to reduce the working voltage? Would
the one atthe bottom of here be ok and would that work to pull down the
relay?
I added the earths to the switches as I was concerend that if the LED was to fail then there would be no earth to operate the realy from either switch
and the fan would not operate...
Build: http://www.martinsfurybuild.co.uk/
|
|
|