ianminki
|
| posted on 21/1/23 at 12:54 PM |
|
|
Acewell 7659
hi all
happy new year to all for start... looking for a bit of advice as a winter project i have been replacing and fitting a new dash and have fitted
a Acewell 7659 .. the old type guages have now gone .. all seams fine and working but finding that the backlight is far to bright (?is there a way of
dimming it ) the car is a stylus running a x flow engine ..( also just for info) it is fitted with a Accuspark igition kit and sued the yellow wire
for taco to wrap round the number 4 plug ht lead as apposed to connecting to the coil works fine.. still have some setting up to do .. but would like
to know if the backlight can be dimmed a little .. thanks regards ian
|
|
|
|
|
snapper
|
| posted on 21/1/23 at 09:05 PM |
|
|
If backlight is LED then resistors can be used to dim the lights however I believe the Acewel dash has software options built in, sorry don’t know any
more than this
I eat to survive
I drink to forget
I breath to pi55 my ex wife off (and now my ex partner)
|
|
|
tims31
|
| posted on 26/1/23 at 05:07 PM |
|
|
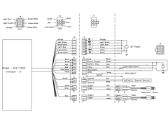
Does it dim at all when the side lights are switched on, mine does.
The Pink/White wire on plug B should connect to you backlight feed which should then dim the light.
  Acewell Dash
[Edited on 26/1/23 by tims31]
Build: http://www.martinsfurybuild.co.uk/
|
|
|
ianminki
|
| posted on 27/1/23 at 09:50 AM |
|
|
backlight
hi to you both
thanks for the reply .. no the light dose not dim and is connected as you have explained come's on when side light is
operated .. all it say's in the fitting installation guide is ..on some models the backlight can be controlled separately from the ignition
power.my stylus is now an old car with just a xflow engine and a simple loom from premier wiring based on a mk2 escort . thanks regards ian
|
|
|
tims31
|
| posted on 27/1/23 at 05:54 PM |
|
|
quote: Originally posted by ianminki
hi to you both
thanks for the reply .. no the light dose not dim and is connected as you have explained come's on when side light is
operated .. all it say's in the fitting installation guide is ..on some models the backlight can be controlled separately from the ignition
power.my stylus is now an old car with just a xflow engine and a simple loom from premier wiring based on a mk2 escort . thanks regards ian
Hi, I dont think you can dim via the inbuilt system software or cetainly cant find any details in the manual rearding this. As stated above, I guess a
variable resistor in the backlight line may do what you want but I'm sure others on here with much better knowledge of electrickery would be able
to tell you.
Build: http://www.martinsfurybuild.co.uk/
|
|
|
ianminki
|
| posted on 28/1/23 at 12:40 PM |
|
|
solved
hi tims31
I have now solved the problem .. i have used a dimmer switch .. disconnected from the side light or instrument lighting and
connected to a switched live inline to backlight .. the switch is 12v for a campervan and is working fine can be switched off if i need to thanks
regards ian
|
|
|