scoey m
|
posted on 23/4/06 at 11:19 AM |
|
|
HELP WANTED!
Hi all
i am trying to understand the connections i need to make in order to get engine wired in i have mnr loom and 4xv engine there is 6 connections to make
mnr loom instruction says
1=charge warning
2=oil pressure
3=coolant temp
4=tacho feed
5=power for ecu
6=battery +for ecu memory
I have r1 manual but its all foreign to me serious wiring numb nut
Can anybody please help to identify correct connections to be made

|
|
|
|
|
smart51
|
| posted on 23/4/06 at 02:57 PM |
|
|
These wires are on a plug on the loom for engine connections. You don't have to use them. I didn't because I used the bike wiring loom
on my 4xv engine.
with the bike loom and car loom both connected to the battery, you just have to link up the ignition from the key switch to the bike loom plus the
warning lamps for headlights and indicators to the clocks. 4 wires in all.
I posted a wiring diagram on here a while back which I don't jave a copy of. do a search for it.
[Edited on 23-4-2006 by smart51]
|
|
|
shortie
|
| posted on 23/4/06 at 03:02 PM |
|
|
If anyone has a diagram for this bike\engine then I can probably tell you exactly what to connect to what.
Rich.
|
|
|
amalyos
|
| posted on 23/4/06 at 07:39 PM |
|
|
Check out my Archive, I've put a diagram on there.
I'm using the MNR loom with a 5JJ motor.
Not connected anything up yet, but its what I plan.
It is only theory, so use it at your risk !!
Steve.
|
|
|
scoey m
|
posted on 23/4/06 at 09:29 PM |
|
|
Hi thanks very much for replys guys but i dont understand i am fooooking dumb i have 4xv engine loom do i need the r1 starter relay in order to make
the connections can somebody explain in major simple terms
|
|
|
smart51
|
| posted on 24/4/06 at 07:40 AM |
|
|
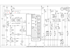
look at the attached pic. I cut the wire to the start relay and connected this to the crank wire from my sierra ignition key switch. I connected the
black wire from the cut off relay to ground by shorting out the cycle lock and start switch. the other side of the cut wire I connected to the
ignition position 2 wire from the key switch.
In order to get the engine to start, you have to short out the side stand switch, the stop switch (the stop switch has two electrical switches) and
the cycle lock. Alternatively, connect both black wires from the ECU to ground. This will be fine.
Your engine will now run, if you have fuel!
  Rescued attachment r1.gif
|
|
|
scoey m
|
| posted on 24/4/06 at 08:37 AM |
|
|
cheers
r1 loom is it ok to chop fuel pump connecter out of r1 loom as the pump is run of mnr loom and do you need to still connect speed sensor from r1 loom
and what else can be disgarded from r1 loom
|
|
|
smart51
|
| posted on 24/4/06 at 11:25 AM |
|
|
I cut off the connector for the fuel pump and attached it to my MNR loom. I removed the speedo wires from the MNR loom completely and used them under
the dash for a few things.
You can remove all of the lighting circuit and the horn circuit from the bike loom. leave the lights in the clock loom so that you can wire the
warning lamps into your car switches. You need a warning lamp for main beam and indicators.
|
|
|