DaveFJ
|
| posted on 10/8/06 at 10:07 AM |
|
|
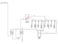
Sierra Hazard switch
OK - I don't get on with wiggly amps so bear with me- possibly a numpty question:....
Been going through my loom (Tiger 6 fuse loom) trying to sort out the indicator connections.
I hav enow connected up all the wires correctly to the sierra indicator stalk and am happy with that.
My question is this:
The sierra stalk i have has a hazzard switch built in (on top). But the Tiger loom has a seperate plug for a dash mounted switch.
I have been trying to trace the connections at the sierra stalk and it appears to simply make a connection to L or R for indicating and when you
release the hazard switch it connects both at once (red lines on diagram).
SO... will it be safe for me to just use the sierra switch and blank off the plug for the dash switch? I don't really understand the wiring
diagram from Tiger where it shows connections going through the relays? It seems to me that the indicators are wired from the flasher unit to the
relay and on to the stalk whereas the hazards just go from the flasher unit to the bulbs direct avoiding the relay?
If it makes a difference the fuse for this circuit is 20A and also covers the radiator fan and the horn.
  hazard switch wiring
[Edited on 10/8/06 by DaveFJ]
Dave
"In Support of Help the Heroes" - Always
|
|
|
|
|
RazMan
|
| posted on 10/8/06 at 01:06 PM |
|
|
If it is any help, I have a Sierra switch pinout diagram in my archive. It might throw some light on your connections.
Cheers,
Raz
When thinking outside the box doesn't work any more, it's time to build a new box
|
|
|
DaveFJ
|
| posted on 10/8/06 at 01:22 PM |
|
|
Yup got that and wired in that way.
My problem is I don't know for certain whether the sierra hazard switch on its own will work or if I need a dash mounted one?
It's the relay that has me confused....
cheers anyway
Dave
"In Support of Help the Heroes" - Always
|
|
|
nick205
|
| posted on 10/8/06 at 04:13 PM |
|
|
The VG loom doesn't have any seperate wiring for the hazard switch as far as I can tell and certainly doesn't have a relay in the
indicator/flasher circuit, just the flasher unit itelf. I think as you say, the Sierra hazrd switch just switches both L+R on at the same time.
That aside a 20A fuse seems very low if it's for indicators, fan and horn. From memory I've used 30A for the fan and 20A for the horn
(both driven via relays)
HTH
Nick
|
|
|
Macbeast
|
| posted on 10/8/06 at 05:55 PM |
|
|
For what it's worth, I would do the opposite and blank off the Sierra hazard switch on the steering column. Driving the Sierra, I'm
always conscious of and distracted by the big red thing just on the edge of forward vision. I look forward to moving that function to the dashboard
out of direct line of sight.
|
|
|