StevieB
|
| posted on 3/9/06 at 03:32 PM |
|
|
R1 wiring diagram
Does anyone have a wiring diagram for an R1 engined car?
I've got a diagram for a blade engined car from the Hellfire website, and would really appreciate something similar for an R1 if there's
any in existance?
Unfortuantely, I'm not much of a spark, so the simpler the better!
Steve
|
|
|
|
|
speed8
|
| posted on 3/9/06 at 03:42 PM |
|
|
What year are you after?
|
|
|
StevieB
|
| posted on 3/9/06 at 03:45 PM |
|
|
Probably 98.
I haven't bought the engine yet, so anything is good (I can at least start to think about the lights etc.).
|
|
|
smart51
|
| posted on 3/9/06 at 04:07 PM |
|
|
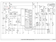
This is a schematic of an R1 loom. It is better than the spahgetti of the Haynes manual. I don't promise that it is complete, I was only
worried about the things I was going to keep.
  Rescued attachment r1.GIF
|
|
|
StevieB
|
| posted on 3/9/06 at 04:10 PM |
|
|
That's excellent, cheers.
|
|
|
amalyos
|
| posted on 3/9/06 at 07:59 PM |
|
|
The Haynes one with connections into the MNR loom is on my Archive.
The connections for the MNR loom will be pretty much the same for most custom made car loom interfaces.
Steve.
|
|
|