tegwin
|
| posted on 19/3/07 at 09:57 PM |
|
|
Sierra fog light switch?
Ok.. I have the sierra foglight switch and its making no sence to me...
There are the following wires (and pin numbers):
Brown (3)
yellow/red (1)
yellow/red (1)
grey/yellow (7)
grey/yellow(4)
Anyone got any idea what goes where...I have been playing with my multimeter and its not making any sence...
|
|
|
|
|
stevec
|
| posted on 19/3/07 at 10:19 PM |
|
|
Brown (3) ground
yellow/red (1) to fog lamp left
yellow/red (1) to fog lamp right
grey/yellow (7) supply from side light switch
grey/yellow(4) spliced to above.
Steve.
|
|
|
BenB
|
| posted on 19/3/07 at 10:21 PM |
|
|
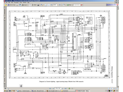
  Lights section Haynes sierra manual
Might help....
Switch is 75/76 BTW...
[Edited on 19/3/07 by BenB]
|
|
|
tegwin
|
| posted on 19/3/07 at 11:07 PM |
|
|
Chears guys..will give it a shot tommorow.
Dunc
|
|
|