saigonij
|
| posted on 22/7/07 at 12:36 PM |
|
|
sierra stalks - rapidfit loom ( luego )
All,
I have searched for as many references to sierra%stalks%wiring and i have found lots of useful info, but most threads stopped before a solution :-(
does anyone have a good diagram / description of how to wire the sierra stalks ( ground switching - no horn button and a round hazzard switch ) to the
rappidfit loom - which i think is very simular to the premier wiring loom.
I have a positive switched relay pack too by the way.
many thanks,,
ian.
|
|
|
|
|
dave1888
|
| posted on 22/7/07 at 03:59 PM |
|
|
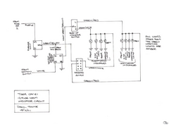
Dont know if this will help but attached anyway.
  Rescued attachment loom2.jpg
|
|
|
Paul (Notts)
|
| posted on 22/7/07 at 05:08 PM |
|
|
If you dont find what you are looking for I should have some diagrams for you tommorow.
Are they BG83 stalks - numbers on them somewhere.
Paul
|
|
|
saigonij
|
| posted on 22/7/07 at 05:40 PM |
|
|
wicked cheers for the help.
we got it sorted in the end with a haynes diagram...
if it makes it easier for everyone else i might make a diagram too and post it up here.
|
|
|
COREdevelopments
|
| posted on 22/7/07 at 08:02 PM |
|
|
yes please diagram would help me as i be wiring mine up pretty soon. think mine are later ones so im gonna need relays.
rob
|
|
|
saigonij
|
| posted on 22/7/07 at 09:14 PM |
|
|
okydoky, ill sort one out on tuesday for you.
|
|
|