BenB
|
| posted on 11/2/09 at 07:03 PM |
|
|
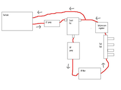
Swirl pot
I'm using this kind of swirl pot (very dinky and light)
Only issue is it's got one in , one out and one return. It's also got a built-in LP filter which is quite cool.
Trouble is if at the moment I've got a single fuel line and add a second copper pipe for the tank return how do I run it??
  Description
Would this work? I'm thinking the LP pump would fill up the swirl pot and discharge any extra (and air) out the swirl pot "return" down
the fuel tank return line. This line would also take the fuel rail return line...
I was wondering if I need a one-way check valve between the swirl pot and the T-piece to prevent the fuel from the fuel line return refluxing up past
the T-piece into the swirl pot. However, as the other end of the tank return line opens into the tank the fuel inside it won't be under pressure
(even if it was when it left the fuel line) so equally won't this not be a problem?!?!?!
The advantages of the system as I've drawn it is the LP pump will continuously be putting fresh fuel into the swirl so I won't suffer with
heat build up when idling...
Obviously it does mean the LP pump and HP pump will both be on 100% of the time.
Any other problems?!?!?!
Otherwise it does have a blanked off hole on the top of the pot, I could put another hose attachment point into that and use that for the tank return
line and just use the swirl pot "return" hose barb for the fuel line return.
My brain's melting.....
|
|
|
|
|
COREdevelopments
|
| posted on 11/2/09 at 07:27 PM |
|
|
sounds like a good idea. i have been looking into these swirl pots but they are quite pricey. also been looking into a locost version and as a
mechanic i change loads of diesel filters on modern tintops, and have been tempted to see if i can adapt a filter housing to make a swirl pot as they
are similar to the one shown in your post.
I am planning to use the same setup as you so let us know if it works.
Rob
|
|
|
t16turbotone
|
| posted on 11/2/09 at 07:28 PM |
|
|
hello, i used the blanked off hole in pot for return to fuel tank, as you descibed in last part of post, works mint like that!!
|
|
|
dave1888
|
| posted on 11/2/09 at 07:30 PM |
|
|
ow about this
  Rescued attachment 20l_swirl_pot.gif
|
|
|
dave1888
|
| posted on 11/2/09 at 07:31 PM |
|
|
or this
  Rescued attachment 20l_without_swirl_pot.gif
|
|
|
MkII
|
| posted on 11/2/09 at 07:37 PM |
|
|
if your using an on demand type lp pump as used with a set of webers I wouldnt have thought you would need the return pipe between the tee peice and
the tank because if the swirl pot is full and the low pressure pump is still running its only the same as a carbed engine parked with ign on and float
bowls full.hope this makes sense and pls get a second opinion on this as I have no experience of this set up
the above is just what I think after looking at your sketch .m.
|
|
|
flak monkey
|
| posted on 11/2/09 at 08:12 PM |
|
|
Just return from the regulator straight to the tank.
Fuel gets quite hots going through a HP pump which isnt great anyway, so you are better sending the warm fuel back to the tank to cool down
David
Sera
http://www.motosera.com
|
|
|
tomblyth
|
| posted on 11/2/09 at 08:22 PM |
|
|
I agree with MkII
Deneo on here will do you an alloy swirl pot for £25 /£30 ,he's done all my alloy work see my photo page!
|
|
|
BenB
|
| posted on 11/2/09 at 09:33 PM |
|
|
True. Deneo is hard to beat. But I saw this swirl pot on Ebay.... Normally cost £99. Got it for £30 including postage......
I wondered about going straight from the regulator into the tank but then aren't I kind of defeating the object of having a swirl pot to
de-aerate the fuel. Where does all the air from the swirl pot go? You can't keep on adding aerated fuel to the swirl pot without taking the air
out at some point?!?!
|
|
|
BenB
|
| posted on 11/2/09 at 09:35 PM |
|
|
quote: Originally posted by dave1888
ow about this
Well that's kind of what I'm going for.... but the issue is the swirl pot in that diagram has a seperate fuel line return line and a
seperate furl tank return line. And I've only got one for both....
|
|
|
MkII
|
| posted on 11/2/09 at 09:41 PM |
|
|
quote
------------------------------------------------------
I wondered about going straight from the regulator into the tank but then aren't I kind of defeating the object of having a swirl pot to
de-aerate the fuel. Where does all the air from the swirl pot go? You can't keep on adding aerated fuel to the swirl pot without taking the air
out at some point?!?!
------------------------------------------------------
thats a good point. in that case I would take the return to tank from the smaal blanking plug on top of swirl pot as its the highest point and where
the air will be .m.
|
|
|
BenB
|
| posted on 11/2/09 at 09:51 PM |
|
|
That's wot I wondered!! Great minds think alike 
|
|
|
yellow melos
|
| posted on 11/2/09 at 10:21 PM |
|
|
do you need a swirl pot with injection ???
and if you do away with the swirl pot you can get rid of the LP pump.
has you had a problem with heated fuel, surely if you have a large enough swirl pot anyway you would not need to send it back to the tank.
|
|
|
v8kid
|
| posted on 11/2/09 at 10:51 PM |
|
|
If you have a tall tank or baffles in the bottom of the tank with a sump to draw petrol from there is no need for a swirl pot. I removed mine with no
problems.
However with a typical locost tank it will gulp air and cause the engine to miss coming out of corners - just when you need it!!
|
|
|
BenB
|
| posted on 12/2/09 at 08:05 AM |
|
|
Yeh- I'm more worried about going lean on corners. I've got a baffled tank but it probably won't be enough.
If I was leaving the engine as standard I wouldn't bother with a swirl pot as the ST engine is pretty damn strong and un-stressed. However,
I'm planning on getting pretty evil with this engine (raising the redline and going forced induction) so suddenly going lean could be pretty bad
news....
|
|
|
westy turbo
|
| posted on 12/2/09 at 08:13 AM |
|
|
So if having a foam tank thre is no need for one?
|
|
|
NS Dev
|
| posted on 12/2/09 at 09:33 AM |
|
|
haven't read the whole thread as no time but your first drawing will work fine, done several like that where it was a big job to put another
return in and it worked fine, just need to make sure the return line is at least 8mm with most normal injection pumps.
Retro RWD is the way forward...........automotive fabrication, car restoration, sheetmetal work, engine conversion
retro car restoration and tuning
|
|
|