Printable Version | Subscribe | Add to Favourites
New Topic New Poll New Reply
Author: Subject: Borg Warner T5
liam.mccaffrey

posted on 7/2/10 at 10:15 PM Reply With Quote
Borg Warner T5

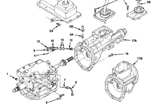
I managed to get hold of a brand new Borg Warner T5 from an 85 jeep CJ for next to nothing.

Its a NWC and has less than ideal ratios but should be ok for the pickup truck.

It has the tail housing to bolt to a transfer case (part 17b). Can I use this with a prop and without the transfer case or do I need to swap it for a long nose tail housing part (17a)? Anyone know?




[Edited on 7/2/10 by liam.mccaffrey]





Build Blog
Build Photo Album

View User's Profile View All Posts By User U2U Member

New Topic New Poll New Reply


go to top






Website design and SEO by Studio Montage

All content © 2001-16 LocostBuilders. Reproduction prohibited
Opinions expressed in public posts are those of the author and do not necessarily represent
the views of other users or any member of the LocostBuilders team.
Running XMB 1.8 Partagium [© 2002 XMB Group] on Apache under CentOS Linux
Founded, built and operated by ChrisW.