daniel mason
|
| posted on 12/9/10 at 10:55 AM |
|
|
show me your cooling systems please!
am ready to pipe up my coolant system now and was wanting to see how you guys are plumbing your header tanks,how you have routed your hoses, what
hoses,, and joiners,t's , reducers, clips, and where you have t'd into your coolant systems and run the breather to.
my header tank is an alloy horizontal with a large 18mm bottom outlet,10mm top outlet and a 8mm breather in the neck of the tank!
[Edited on 12/9/10 by daniel mason]
|
|
|
|
|
stevegough
|
| posted on 12/9/10 at 12:07 PM |
|
|
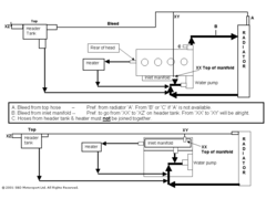
Got a circuit diagram if that's any use to you?
  Description
Luego Locost C20XE.
Build start: October 6th 2008.
IVA passed Jan 28th 2011.
First drive Feb 10th 2011.
First show: Stoneleigh 1st/2nd May 2011.
'Used up' first engine may 3rd 2011!
Back on the road with 2nd engine may 24th
First PASA mad drive 26/7/11
Sold to Mike in Methyr Tydvil 19/03/14
|
|
|
daniel mason
|
| posted on 12/9/10 at 01:19 PM |
|
|
so with my rad not having a bleed, is this correct?
1;small outlet on top of header tank to be t'd into top radiator hose,
2;larger outlet on under side of header tank to bottom radiator hose.
3;small outlet on neck of header tank just used as a breather
|
|
|
stevegough
|
| posted on 12/9/10 at 09:51 PM |
|
|
Sounds ok, Danny except for (3) - it depends if the small outlet on the 'neck' of the header is meant to be a breather or if it is an over -
pressure overflow - is the outlet below or above the inner seal on the cap?? If it is above it only comes into play when the pressure in the system
pushes the seal up against the spring. In this case, it isn't a breather - if it is, connect it to another high spot as shown on the diagram.
Also, as no - one else seems to be helping you on this one - I looked at the silicone pipes and ally joiners, reducers etc etc and I decided that for
the most part, they were stupidly priced. I therefore went to my local scrappy joe and bought a fiver's worth of likely - looking bits, (mainly
off saxos, xantias and other citroens - but I don't know how it worked out that way...) and cobbled them together - using the various parts /
bends / tees / reducers which, when cleaned up - although didn't give the 'bling' look - did the job a treat.
One word of warning, though - don't use straight pipe (eg vacuum pipes off a hoover) - they MUST have a swaged or ribbed end or they will blow
off under pressure - and the water / steam coming out will head at top speed for your most exposed flesh. Ask ashg - he got nicely scalded.
Got one pic showing a bit of mine......
  top view - showing inlet manifold completed assembly.
Luego Locost C20XE.
Build start: October 6th 2008.
IVA passed Jan 28th 2011.
First drive Feb 10th 2011.
First show: Stoneleigh 1st/2nd May 2011.
'Used up' first engine may 3rd 2011!
Back on the road with 2nd engine may 24th
First PASA mad drive 26/7/11
Sold to Mike in Methyr Tydvil 19/03/14
|
|
|
stevegough
|
| posted on 12/9/10 at 09:58 PM |
|
|
and another...
  air inlet flexible (ripspeed). Attempt to pull cold air from below the radiator!
and this one shows the overflow pipe - not to be confused with a 'bleed' or 'breather'.
(one bleed yet to be fitted in this pic)
Hope these are of some help, Danny.
  radiator and header tank
Luego Locost C20XE.
Build start: October 6th 2008.
IVA passed Jan 28th 2011.
First drive Feb 10th 2011.
First show: Stoneleigh 1st/2nd May 2011.
'Used up' first engine may 3rd 2011!
Back on the road with 2nd engine may 24th
First PASA mad drive 26/7/11
Sold to Mike in Methyr Tydvil 19/03/14
|
|
|
daniel mason
|
| posted on 13/9/10 at 05:25 PM |
|
|
thanks mate. very helpful indeed!
this is my tank!
[Edited on 13/9/10 by daniel mason]
[Edited on 13/9/10 by daniel mason]
|
|
|