tompat3463
|
| posted on 4/4/12 at 04:23 PM |
|
|
anyone got one of these lying around for a few beer tokens ??
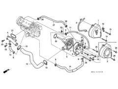
Need part number 4 off the following diagram.. its a blade 893cc.. I know its a long shot but cheapest I can get one new is £57 delivered and that
seams alot for something as small..
may just have a got at welding it to be honest. thanks Alan
  Description
|
|
|
|
|
jase380
|
| posted on 4/4/12 at 04:31 PM |
|
|
Got one mate, u2u sent
|
|
|
bi22le
|
| posted on 4/4/12 at 05:49 PM |
|
|
Boobies. . . . .
Track days ARE the best thing since sliced bread, until I get a supercharger that is!
Please read my ring story:
http://www.locostbuilders.co.uk/forum/13/viewthread.php?tid=139152&page=1
Me doing a sub 56sec lap around Brands Indy. I need a geo set up! http://www.youtube.com/watch?v=EHksfvIGB3I
|
|
|