Danozeman
|
| posted on 10/2/05 at 06:42 PM |
|
|
zetec running
I know this has probably been covered a thousand and one times. I want to run a zetec in my locost. What do i need and whats involved to run the
standard stuff..
Dan
Built the purple peril!! Let the modifications begin!!
http://www.eastangliankitcars.co.uk
|
|
|
|
|
shaywez
|
| posted on 10/2/05 at 07:46 PM |
|
|
Iv'e got a 2ltr zetec installation with an mt75 sierra g/box fitted in my Velocity. Used 2ltr zetec flywheel and clutch, release arm from
sierra with a modified release bearing from westfield (part No 3243009). Also a clutch spigot bearing (part No 3243002), this goes in the end of the
crankshaft to support your g/box input shaft. Use sandwich plate from sierra between engine and g/box to blank it off, g/box bolts straight to engine
using top 5 holes. Then use starter motor from Sierra (mine was a 2ltr DOHC donor), can't use zetec starter because solenoid is in the wrong
place. Hope this helps, see my archive.
|
|
|
Danozeman
|
| posted on 10/2/05 at 08:10 PM |
|
|
You have a very nice set of throotle bodies on there. Cant quite stretch to them. The reason for this thread is im trying to keep it low cost as im
skint.
Dan
Built the purple peril!! Let the modifications begin!!
http://www.eastangliankitcars.co.uk
|
|
|
stevebubs
|
| posted on 10/2/05 at 09:39 PM |
|
|
Do a search (has been covered), but the simplest option is:
ESC2 ignition off Mk V (?) Escort
Twin 40s + Manifold
Some people on here are using the original ignition and injection
http://www.locostbuilders.co.uk/viewthread.php?tid=22206
|
|
|
mangogrooveworkshop
|
| posted on 10/2/05 at 10:58 PM |
|
|
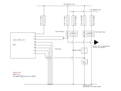
Many thanks to mad4x4 Andy.
  Rescued attachment wire1.jpg
|
|
|
Danozeman
|
| posted on 11/2/05 at 04:37 PM |
|
|
does the esc2 make it run well?? how easy to wire in?
My appologies for being lazy and not doing a search
[Edited on 11/2/05 by Danozeman]
Dan
Built the purple peril!! Let the modifications begin!!
http://www.eastangliankitcars.co.uk
|
|
|