TangoMan
|
| posted on 21/11/06 at 10:13 PM |
|
|
ZZR1100 carbs
Anyone used them.
I have a set on offer for my Zetec but I have not heard of anyone using them before.
Any info would be appreciated.
Thanks,
Steve
Summer's here!!!!
|
|
|
|
|
DarrenW
|
| posted on 21/11/06 at 10:20 PM |
|
|
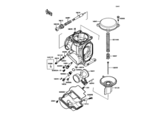
Here is a manual style exploded view of one of the carbs. i may have some more ppics somewhere.
  Rescued attachment zzr carb pic.png
|
|
|
Guinness
|
| posted on 22/11/06 at 07:54 AM |
|
|
I'm using them    
|
|
|
cryoman1965
|
| posted on 22/11/06 at 07:50 PM |
|
|
Yes these will work. Most Bike carbs can be used on a car engine.
The carbs have a choke size of 41mm ish and are more than capable of fueling a Zetec.
The options for fitting are, you make a manifold to fit the carb centres, or respace the carbs to suit the inlet port centres on the engine. This is
possible as the zzr carbs are individual castings.
Any carb with a choke size of 36mm will be fine on a standard 2.0 ltr.
I know of a 2.0ltr pinto powered Indy fitted with Fazer 600 carbs which have a choke of 34mm. These work fine and the owner is more than happy with
the power increase compared to the 32/36 weber.
HTH
Cheers Nige
|
|
|
coozer
|
| posted on 28/11/06 at 07:17 PM |
|
|
I'm putting them on my 1.8 zetec powered MNR  
1972 V8 Jago
1980 Z750
|
|
|